| Автор | Сообщение |
|
Ihor S
|
Panasonic TH-37PX8EA chassis GPH11DE
Main TNPH0711 наклейка ME-TP3 29.9/10 BERDISOVA
SC- TNPA4644
SS - TNPA4659
Power- LSJB1261-1
Panel- MD-37GN11E1
При включении мигает зеленым несколько секунд ,загорается зеленый.Напряжения БП
+12. +5(STB). +3.3TV SUB ON. F+15.2. Через 2 минуты щелкает реле ,появляются напряжения
Vsus 186.6 . Vda 75.1 . +15v(P)-+15.2. +5v(P)-+5.0. Panel main on +3.3. +15v(P)-+15.2. +15v(SDN)-+15.2.
Панель подсвечивается ,изображения и звука нет ,светодиоды на SS и SC горят.Примерно через 2 минуты выключается и мигает красным 13 раз - Communication Error with ic8001
Заменил несколько конденсаторов на майн с высоким ESR.
Перечитал несколько тем с похожим поведением, решались заменой Майн ,или прошивкой флеш.
Подскажите пожалуйста, что проверить в даном случае,Поделитесь прошивкой.
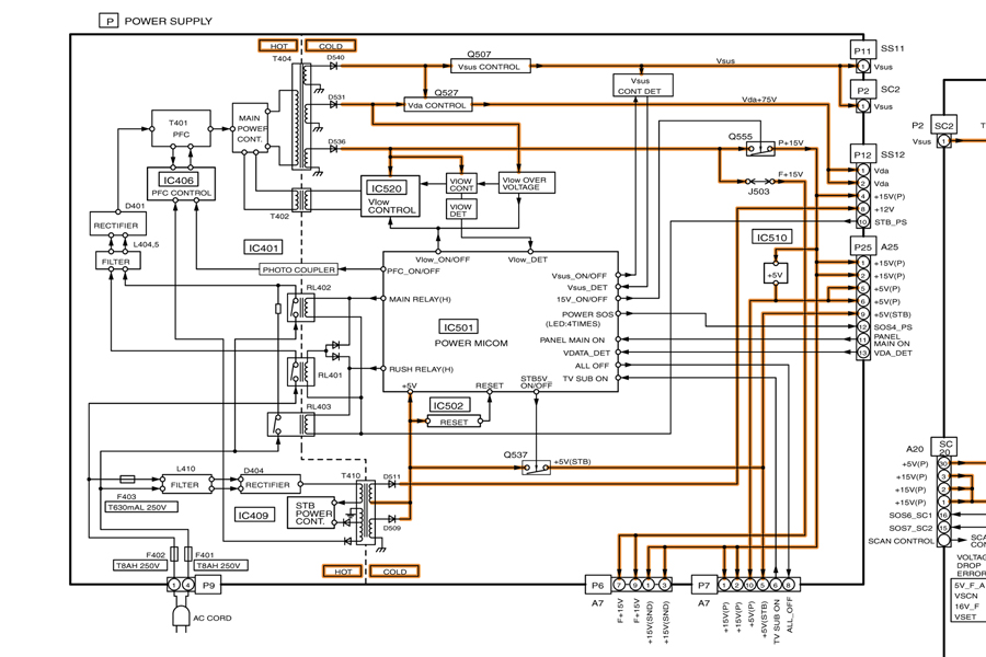
схема http://archive.espec.ws/section1/file24279.html
похожая тема http://monitor.espec.ws/section31/topic183696.html
| panasoni1c.jpg |
| Описание: |
|
| Размер файла: |
212.65 КБ |
| Просмотрено: |
955 раз(а) |

|
Eeprom.rar 3.04 КБ Скачано: 663 раз(а)
|
|
|
Stritserver
|
Тут сразу напрашывается вопрос Vsus 186.6 . Vda 75.1 почему
значит смотри цепь включения этих напруг,а дальше будет видно. |
|
|
Ihor S
|
| На панели написано Ve 130.4 Vsus 187.1 .Замерил Ve- 130.2 Vsus- 187.0 Vda- 75.1 значит напряжения в норме,я непонимаю почему команда запуска приходит через 2 минуты. |
|
|
Ihor S
|
При проверке майн никаких дефектов не обнаружил ,прошивки не нашол.Решил прогреть IC8001 Peaks lite2 MAIN MPU+VIDEO PROCESSOR ,после 2 минутного ступора телевизор включился,и проработал около 20 минут ,дальше пошли полосы и перестал управлятся с пульта.После выключения больше не включается.
Нужно менять Майн. Подскажите, у меня TNPH0711 2А возможна ли замена на TNPH0711 1А. и пойдет ли майн от панели 42. |
|
|
Ihor S
|
Клиент отказался от замены Майн,решил купить новый телевизор.
Тему можна удалять. |
|
Бакум
Рождённый в СССР
Сообщения: 12733
|
Не надо нечего удалять.Завтра с такой проблемой кто-то будет создавать тему.Вот и продолжит твою.  |
|
|
Ihor S
|
| Если надо ,скопировал все три eeprom. |
|
Иван Зенин
Модератор
Сообщения: 6784
|
| Ihor S, прилепи их в первый свой пост. |
|