ESpec - мир электроники для профессионалов


LED Samsung UE40D5800VW не включается

  Список форумов » LCD-телевизоры и плазменные панели

Следующая тема · Предыдущая тема
АвторСообщение
VadimKupr 
Новичок
Сообщения: 11
 
Сообщение #1 От 02/08/2017 16:44 цитата  

Panel - LTJ400HM04-L
Main - BN41-01661
БП - BN44-00422B
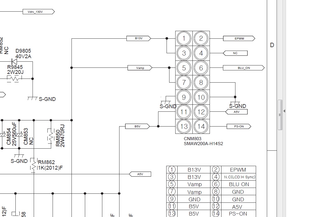
Добрый день! Суть было перенапряжение в сети, после этого перестал включаться. Светодиод хаотично моргает. БП без майна подсветку не зажигает. Входные напряжения присутствуют, предохранители целые. Выход на майн А5V - 5.33 вольта стабильно. B5V и B13V - появляются на время и падают, циклично.

  BN44-00422B.pdf  115.76 КБ  Скачано: 692 раз(а)
  123.jpg  135.01 КБ  Скачано: 441 раз(а)
REKKA 
Фанат форума
Сообщения: 3722
REKKA
 
Сообщение #2 От 02/08/2017 17:10 цитата  

VadimKupr, делай БП
VadimKupr 
Новичок
Сообщения: 11
 
Сообщение #3 От 02/08/2017 17:14 цитата  

Прошу подсказать куда копать? Резисторы, кондеры, диоды, транзисторы все прозвонил.

ДОБАВЛЕНО 02/08/2017 17:16

Да я понял что в БП дело. Просто ноутбуки ремонтирую, не глупый быстро схватываю.
Юрий 72 
Передовик
Сообщения: 1397
 
Сообщение #4 От 03/08/2017 15:56 цитата  

VadimKupr, с таким подходом, в раздел купи-продай. Ремонт ИБП уже обсосан 100500 раз:-)
VadimKupr 
Новичок
Сообщения: 11
 
Сообщение #5 От 03/08/2017 16:34 цитата  

Путем долгих мучений нашел проблему. 12.8 В стабилизировалось. Телик ожил.
B.B. 
Мастер
Сообщения: 11578
B.B.
 
Сообщение #6 От 03/08/2017 17:46 цитата  

VadimKupr писал:
Путем долгих мучений нашел проблему.
Изложи суть проблемы и я отмечу решение темы.

Перейти: 
Следующая тема · Предыдущая тема
Показать/скрыть Ваши права в разделе

Интересное от ESpec


Другие темы раздела LCD-телевизоры и плазменные панели

KTR


Rambler's Top100 Рейтинг@Mail.ru liveinternet.ru