| Автор | Сообщение |
|
rmt5487
|
SATURN TV LCD 329
MAIN BORD: T.MS6M181.1B-11223
CPU MST6E181VS-LF-Z1
FLASH 25Q32
TUNER CDT 3SP512-36
AUDIO R2A15122
PANEL: BOE HV320WXC-170 (U-CCFL)
INVERTER V327 101 4H + V3278.011 / A2
POWER: MEGMEET MP116
RESONANT CONTROLLER L6599D
PFC CONTROLLER NCP1606B
PWM CONTROLLER OB2263
В ремонте телевизор Saturn со сгоревшим блоком питания
при осмотре выявлены прогоревшие компоненты:
контролер L6599D
резисторы R30 R82 R92 R95 R96 R97
конденсатор C31
Диоды 1N4148 D6 D7 D10
Также пробиты полевики: два 5N52U и 2SK3568
Полностью высохшая сетевая банка 68мкф 450в
Все компоненты заменил, некоторые с небольшим отклонением:
C31 430nf поставил на 450nf
R97 0.2 ом поставил на 0.22 ом
R30 20 ом поставил на 22 ом
Сетевую банку поставил на 100мкф 450в вместо 68мкф
Также непонятно с smd резистором R95 по схеме он на 1к но по фото из интернета точно такого же блока питания на этом резисторе стоит маркировка 201 то есть 200 ом, поставил как на схеме 1к
Контролер. транзисторы диоды и другие компоненты установил точно такие же
Блок питания запускал через страховочную лампу на 100w
Дежурный режим есть
При отключенном инверторе +24в Телевизор включается и работает на матрице если присмотреться видно изображение
все напряжения блока питания + 24 +12 +5 +5vsb В норме
Напряжение на сетевой банке 385 вольт
Если Включить телевизор с подключенным инвертором
при выходе из дежурного режима подсветка загорается на секунду и гаснет тут же в полный накал загорается страховочная лампа, и через 5-10 сек. начинает слегка мерцать с определенной периодичностью
В чем может быть проблема?
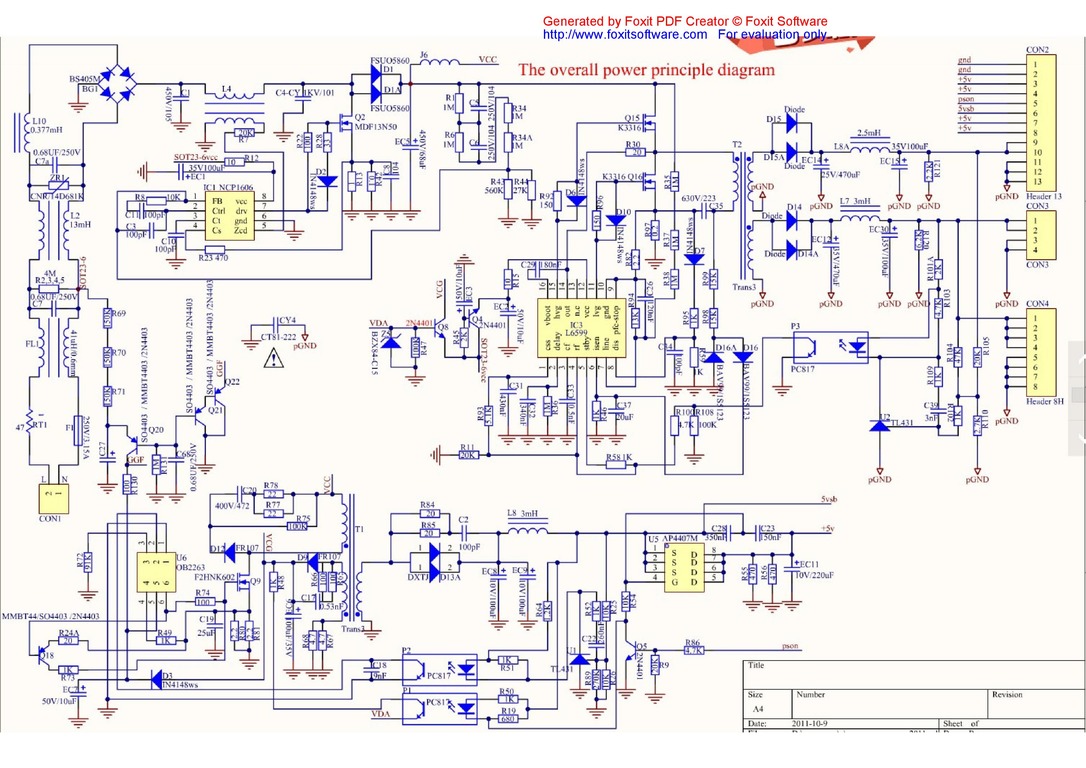
Схему блока питания прилагаю
| imgonline-com-ua-Resize-Wen1FnE7r1ckuC3.jpg |
| Описание: |
|
| Размер файла: |
225.22 КБ |
| Просмотрено: |
3072 раз(а) |

|
|
|
Евгений373
Фанат форума
Сообщения: 3908
|
Убери лампу ну или хотя бы ватт на 300 поставь. И напругу на PFC озвучь. |
|
|
rmt5487
|
| Напряжение на сетевой банке 385 вольт |
|
Евгений373
Фанат форума
Сообщения: 3908
|
| Нормально, теперь лампу убирай и стартуй. |
|
SASHATOD
Фанат форума
Сообщения: 9885
|
rmt5487, 100ку поставил
Две по 200  |
|
|
rmt5487
|
Проблема была из за страховочной лампы, без нее телевизор включается и нормально работает, все напряжения в норме
Спасибо за совет |
|