| Автор | Сообщение |
|
Робат
|
Шасси - GPF14D-A
SN board - TNPA5349AB
A-board - TNPH0938
SS-board - TNPA5350
P-board - PSC10351H
Матрица - MC106FU1400
Любимый телевизор громко щелкнул и перестал включаться. Были обнаружены в SN board и заменены пробитые 30F131 - Q401, Q402, Q421, Q422. В затворе у Q421 был обнаружен горелый резистор 7.5 Ом и также был заменен. Все остальное было "прозвонено" без снятия, явно пробитого не обнаружилось, диоды все звонятся как полагается.
Телек стал включаться на пару секунд, (экран слегка подсвечивается) и выключаться, мигает красным 6 раз.
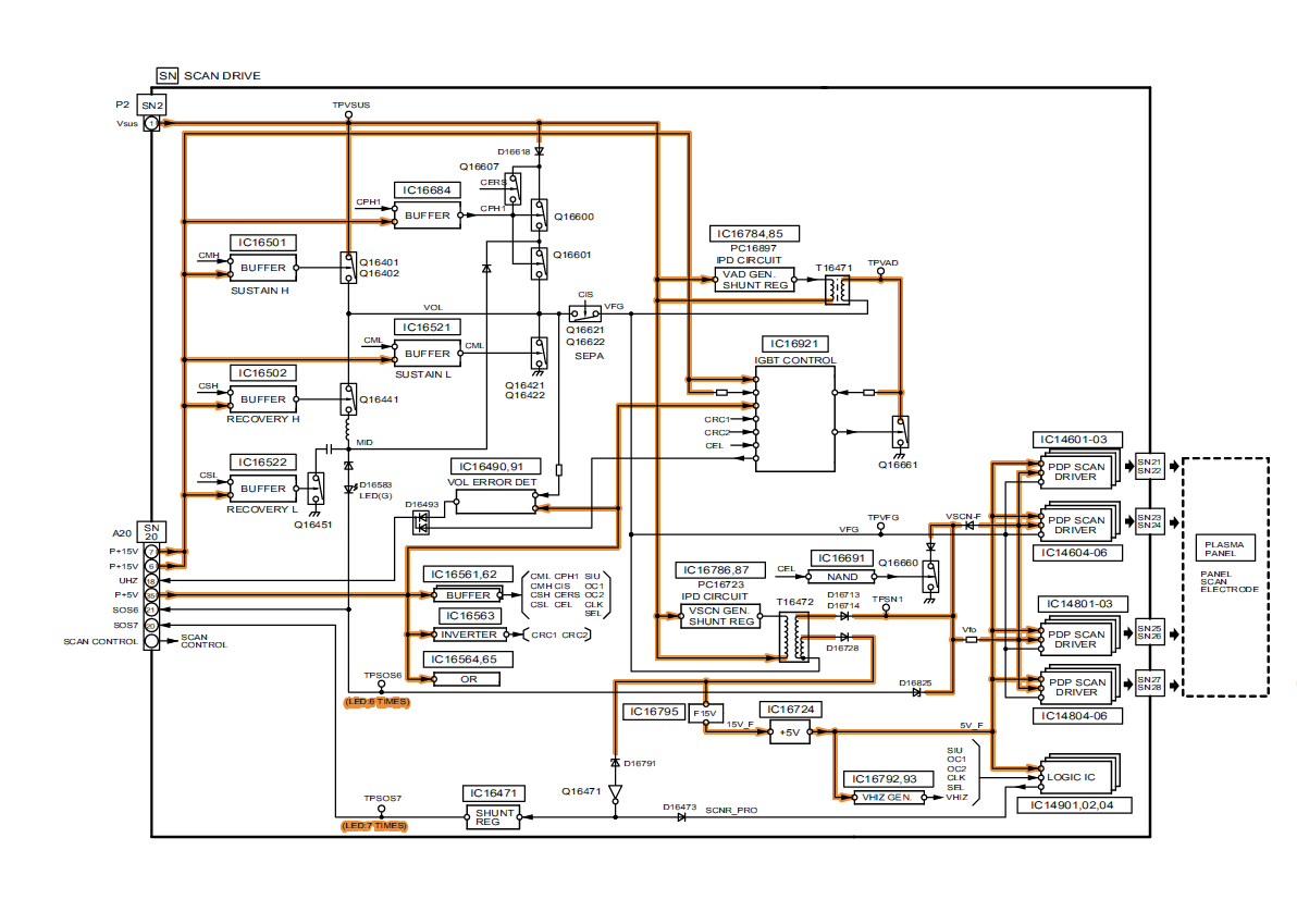
("Driver SOS1" "SN Energy Recovery Circuit" - это все что есть в Service Manual по этой ошибке).
Напряжения Vsus=200V, P+5, P+15 на SN board поступают. Я так понял, что цепь Recovery включает в себя IC502, IC522 (BD8693), Q441 (DG302), Q451(DG302). Заменил Q441 (не понравилось как звонится) и IC521 (BD8693) (c нее идет сигнал на сгоревший резистор в затвор Q421). Ровным счетом ничего не изменилось.
Кто знает об этой ошибке, может сталкивался или сервисный бюллютень есть на эту ошибку, подскажите плиз.
Осциллографы имеются, но сигналы сравнить не с чем и в мануале нет. При включении на затворах Q441, Q451, Q401,402,421,422 присутствуют кратковременные импульсы. Транзисторы установил из проверенной партии.
Driver SOS1.png 108.81 КБ Скачано: 694 раз(а)
scan drive.png 81.32 КБ Скачано: 631 раз(а)
|
|
Иван Зенин
Модератор
Сообщения: 6784
|
| Удели внимание тому, откуда через эти 7.5 ом на затвор импульсы идут. К бабке не ходи- вылуплено тоже. Резистор мощный, ток приличный нужен для обрыва. |
|
|
Робат
|
Я немного неточно выразился, резистор почернел, но не выгорел в обрыв. Но я его конечно поменял. С драйвера-буфера IGBT-- IC521 (BD8693) импульсы идут через двухтранзисторную сборку (звонится ок) на подгорелый затворный резистор. После замены драйвера IC521 ничего не изменилось.
Также интересно узнать первопричину вылета транзисторов Q401...Q422 на SN Board, я так понимаю, это распространенная проблема. У Panasonic есть бюллютень по этому поводу? Перегрев тут точно не причем, я гонял несколько часов и мерял температуру - они чуть горячие. Версия по поводу плохого контакта земляных пятаков платы с шасси тоже ошибочная. |
|
Иван Зенин
Модератор
Сообщения: 6784
|
Есть другая, вообще нехорошая возможная причина - усталая панель тянет большой ток.
ДОБАВЛЕНО 12/09/2019 07:36
Как ты его гонял несколько часов когда он не запускается у тебя? |
|
|
Робат
|
| С чего бы ей устать? Он работает всегда на яркости 50% и контраст тоже небольшой. Тысяч 15 -17часов было. Из 100 тыс заявленного ресурса. Поставил на этот раз по 3 транзистора в параллель, вместо 2-х. Гонял я его почти 2 года назад, когда уже вылетали 30F131. Я тогда, не особо заморачиваясь, поменял целую кучку 30F131, несколько DG302 и пару еще каких-то. Потом поставил его на целый день работать и попутно мерял нагрев. Мой же ящик. |
|
|
lugovskoy
|
| Начни с простова проверь электролиты (а лучше замени их гопом на новые) по питанию драйверов(+15). |
|
|
Робат
|
| Электролиты сразу проверил на SN, с измерением ESR. Все годные. На плате питания имеется в виду или на SN? Да, кстати, вспомнилось - за месяц-другой до вылета транзисторов, телек стал частенько (периодичность непонятна) неприятно и громко гудеть дросселями на плате питания. На сценах, когда идет заливка белым, если не путаю. Может, просто совпадение. |
|
pion
Передовик
Сообщения: 1602
|
| SN Energy Recovery Circuit, это похоже защита по току потребления SN блока. Может БП не вытягивает, если перед этим гудел. Может не досмотрел в блоке SN драйверы, микросборки, через которые идут сигналы на IGBT, может какой-то полевик забыл промерять. |
|
|
Робат
|
Возможно конечно. Но по какой шине, непонятно. Попробую пульсации посмотреть по +200, +15, +5. Да и емкости проверить в БП. Потому что по вольтажу просадок нигде нет.
Вообще он и раньше иногда гудел дросселями, но в последнее время звук стал совсем зловещим, похожим на треск. |
|
pion
Передовик
Сообщения: 1602
|
| Робат писал: | Возможно конечно. Но по какой шине, непонятно. Попробую пульсации посмотреть по +200, +15, +5. Да и емкости проверить в БП. Потому что по вольтажу просадок нигде нет.
Вообще он и раньше иногда гудел дросселями, но в последнее время звук стал совсем зловещим, похожим на треск. |
Попробуй запустить БП на лампу 100ВТ. |
|
|
Робат
|
Лампа запускается норм. На пару секунд. Затем те же 6 красных вспышек. На лампочке 95Вт напряжение Vsus = 207 вольт. Пульсации по осциллографу 0.3В по амплитуде, частотой ~340 кГц.
Емкость выхода БП на Vsus составляет 770мк, ESR 0.15 Ом, с отключенным проводом на плату SN.
По питанию 15V пульсации менее 0.1V. Склоняюсь к тому, что проблема-таки зарыта в SN board.
C драйвера IC502 с 7-й ноги что-то импульс мне не нравится. На затвор Q441 идет. Он появляется сразу
при включении. Какой-то затянутый:
На IC522 он не такой гадкий и появляется перед выключением:
 |
|
|
Робат
|
Перепаял драйвер IC502 и картинка появилась!
НО - сигнал с нее на затвор IC441 все равно затянутый, хотя и немного другой.
Всем спасибо за участие, можно занести в копилку знаний. |
|