| Автор | Сообщение |
|
Pavel XXX
|
Model supra stv-lc4295fl
Panel: LC420EUD SCA1
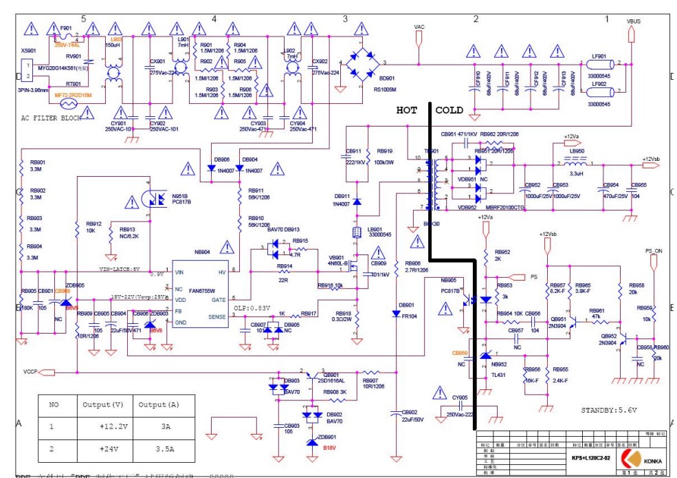
БП kps+l120c2-02
Добрый день прошу помощи распознать ШИМ nw906
Заранее благодарен

|
|
|
den7777777
|
неужели так тяжело самому поискать, минуту заняло!
1йй.jpg 182.25 КБ Скачано: 236 раз(а)
|
|
|
Pavel XXX
|
| Это дежурка, там ещё одна стоит |
|
Tipelo
Передовик
Сообщения: 1032
|
Таблица по опознанию и подбору аналогов микросхем БПhttps://remont-aud.net › ic_po...
Перевести эту страницу
↑↓ Наименование ↑↓ VCC ↑↓ GND ↑↓ FB ↑↓ DRAIN ↑↓ N.C Тип корпуса
1L0880B, 1M0880B 3 2 4 1 TO‑3P‑5L
5H02659R, 5M02659R 3 2 4 1,6,7,8 5 DIP‑8
5M0365R, 5M0365R 3 2 4 1,6,7,8 5 DIP‑8
Показать ещё 550 строк |
|
|
den7777777
|
| Pavel XXX писал: | | Это дежурка, там ещё одна стоит |
ну то может фото предоставишь элемента????????
ДОБАВЛЕНО 30/12/2021 13:06
может там плата питания все таки KPS-L180C3-01 |
|
semvictor
Фанат форума
Сообщения: 3099
|
|
|
Pavel XXX
|
|
semvictor
Фанат форума
Сообщения: 3099
|
Pavel XXX, **Это дежурка, там ещё одна стоит** Сам придумал или подсказал кто?
Это основной шим.А ты не удосужился фоток накидать и перечислить состав .  |
|
semvictor
Фанат форума
Сообщения: 3099
|
|