| Автор | Сообщение |
n max
Модератор
Сообщения: 17598
|
| Там в каждой стк три усилителя эти резики стоят по питанию каждого усилителя-т.е. всего их 6.Схему бы открыть не мешало да глянуть.Они там где-то 1-2 ома должны быть,а на фото зелёные ом 150 |
|
|
джекин
|
"Плюсовую" тестера приставлял по нижним ножкам. У двух нижних показало 40 ом, у остальных 75. Пометил, как неисправные, поставил метки, поменял "плюсовую" на верх и прозвонил снова. Нижние 75, остальные 40...
Сегодня купил STK. Во вторник отнесу на впайку микрухи и пропайку к плате радиаторов.
ДОБАВЛЕНО 21/07/2014 00:47
| n max писал: | | Там в каждой стк три усилителя эти резики стоят по питанию каждого усилителя-т.е. всего их 6.Схему бы открыть не мешало да глянуть.Они там где-то 1-2 ома должны быть,а на фото зелёные ом 150 |
 
| IMG_20140720_185043.jpg |
| Описание: |
|
| Размер файла: |
345.45 КБ |
| Просмотрено: |
306 раз(а) |

|
| IMG_20140720_185026.jpg |
| Описание: |
|
| Размер файла: |
317.64 КБ |
| Просмотрено: |
288 раз(а) |

|
|
|
|
джекин
|
| n max писал: | | Там в каждой стк три усилителя эти резики стоят по питанию каждого усилителя-т.е. всего их 6.Схему бы открыть не мешало да глянуть.Они там где-то 1-2 ома должны быть,а на фото зелёные ом 150 |
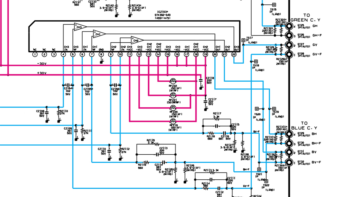
Открыл в другой теме вашу ссылку на схему.
http://archive.espec.ws/redirect.php?dlid=16654
По зеленому цвету по вертикали отвечает микросхема под номером 103 (не крайняя). Дергается только вертикаль креста при автосводке. Я правильно осмысливаю? |
|
n max
Модератор
Сообщения: 17598
|
У вас нет разрешения на открытие этого файла.
не даёт перейти по ссылке наверное форум глючит или мой 3G интернет |
|
|
джекин
|
Вчера открывался

| ff.jpg |
| Описание: |
|
| Размер файла: |
258.49 КБ |
| Просмотрено: |
317 раз(а) |

|
|
|
n max
Модератор
Сообщения: 17598
|
| Ну так красным обозначены линии питания по ним стоят резики я их звонил при выпаянной Stk дабы избежать ошибок |
|
|
джекин
|
| n max писал: | | Ну так красным обозначены линии питания по ним стоят резики я их звонил при выпаянной Stk дабы избежать ошибок |
Я уже проверил все. Все в норме.
Просто писалось выше, что менять скорее всего придется ближнюю (по схеме 103ю), она по статистике летит чаще,
а за вертикаль зеленого цвета отвечает соседняя.Насколько я понял, то обозначение контактов GT25 и GT26 - GH - green horizontal, и сигнал идет с крайней микрухи (на схеме ICZ103),
GT27 и GT28 - GV - green vertical , и сигнал идет с микрухи рядом (на схеме ICZ 104).
Менять то буду одну и возить лишний раз не охота. А в мастерской до одного места. Что скажешь, то и припаяют Шутка  |
|
|
джекин
|
Забрал плату с пайки. Осталось всё без изменений Буду менять вторую...
ДОБАВЛЕНО 25/07/2014 10:21
Кстати, новая микруха после 3 минут работы еле-еле нагрелась. Старая же за три минуты - кипяток. |
|
|
astana
|
| Что и следовало ожидать,не послушался,решил на себе же с экономить,вот и результат! Говорил же ставь 2 сразу, |
|