ESpec - мир электроники для профессионалов


lg 22ea63v шасси LM13E неисправна ic102

  Список форумов » TFT-мониторы

Следующая тема · Предыдущая тема
АвторСообщение
Сергейййй 
Заглянувший
Сообщения: 4
 
Сообщение #1 От 18/01/2016 20:37 цитата  

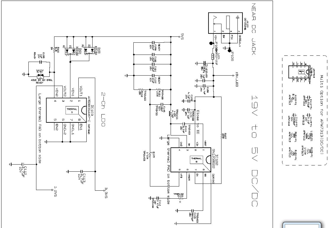
Стояла микра 208022, в магазе найти не могу, если поставить APW 7302b обвеску менять надо, как по схеме

  22.jpg  94.99 КБ  Скачано: 746 раз(а)
vadim3008 
Мастер Добрых Дел
Мастер Добрых Дел
Сообщения: 5819
vadim3008
 
Сообщение #2 От 18/01/2016 20:40 цитата  

Сергейййй, тебе сюда! http://monitor.espec.ws/section27/ подмигивание

Перейти: 
Следующая тема · Предыдущая тема
Показать/скрыть Ваши права в разделе

Интересное от ESpec


Другие темы раздела TFT-мониторы



Rambler's Top100 Рейтинг@Mail.ru liveinternet.ru