| Автор | Сообщение |
|
bodya2010
|
Попал ко мне данный монитор. Проблема с платой матрицы, а именно: выгорели некоторые элементы (не можно прочесть название) U8,Q7, F1, R30 Прошу помочь востановить данные элементы. Может у кого есть схема этой платки или просто монитор попадал в ремонт.
На ярлыке матрици следующее:
M190E5-LOG Rev.C1
Ниже штрих код
8EC110176P21169 ZB
Еще штрих код
CM19E5G166TN4TN176N1233.
На платке матрици- M190E5-LOG-X
YANG AN YA-4A 94V-0
E114139
заранее очень благодарен!!! |
|
INTREPID
Модератор
Сообщения: 1470
|
bodya2010, Схем плат обслуживающих матрицу нет и долго не будет.Это единое целое с матрицей.Выгореть просто так эл-ты не могли, им кто-то помог, ищи первопричину.ВНИМАНИЕ! аккуратно со шлейфами идущими на панель иначе . |
|
TE
Старший модератор
Сообщения: 10199
|
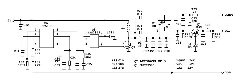
Такая же матрица с такой же неисправностью. Транзистор Q7 полевой N-канальный, корпус SOT23-6. Маркировка отсутствует, наверно пропала от перегрева.
На плате есть место для установки транзистора в корпусе SOT23 под номером Q2. Удалил Q7 и поставил Q2 типа AP2306GN-HF-3.
Кстати, на плате предусмотрено место для установки двух транзисторов, двутактный эмиттерный повторитель на транзисторах разной проводимости. Если U8 выйдет из строя, то её тоже можно удалить а установить эмиттерный повторитель.
Один выпрямительный диод в сборке D1 по напряжению VGHP1 оказался в обрыве, поставил внешний с маркировкой A2. Пришлось резистор, почему-то под номером С23, немного сдвинуть.
Заменил сгоревший предохранитель F1 3A. Матрица заработала.

931C.GIF 11.07 КБ Скачано: 1908 раз(а)
|
|

|