| Автор | Сообщение |
|
zak_k
|
День добрый!
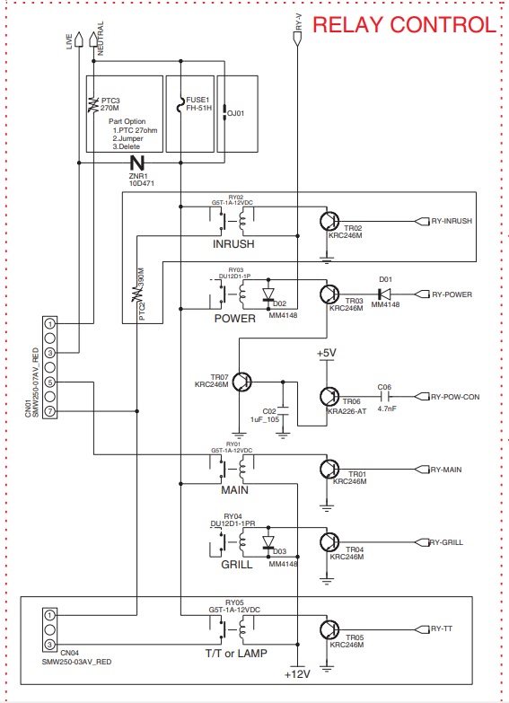
Пришла в ремонт печь с заявленной поломкой - не греет. Меряю напряжение на входе ВВ трансформатора, напряжения нет, значит не классический вариант с магнетроном. Звоню какой именно части питания нет, той что через контактную группу на концевиках двери, либо той, что через реле на плате - через концевики двери всё ОК, а реле же на плате не срабатывает.
Снимаю плату, подкидываю внешнее питание 12В на реле - щелкает, контакты замыкаются, сопротивление есть. Подкидываю плату обратно к лицевой панели, подаю 12 вольт на плату, ставлю перемычку на контакты закрытия двери, запускаю. Судя по похожей схеме от другой свч самсунг, реле управляется минусом, через транзистор TR03, плюс же идет постоянный через концевик двери. Итого - плюс есть, транзистор же не открывается, а в следствии, минуса нет.
Транзистор же, судя по схеме, управляется прямым сигналом с процессора. Измеряю мультиметром напряжение на базе транзистора во время работы микроволновки - напряжения нет, иду по плате дорожки с базы транзистора до проца, да в цепи только резистор на 4,7кОм и сразу на 11 ногу процессора, скинул резистор, замерил напругу на 11 ноге - тоже нет.
Делаю вывод, что проц не запускает нагрев.
А вот и сам вопрос: Не нужны ли процессору ещё какие то условия для запуска нагрева?
Или может я что то не так понял в логике работы данной печи?
| photo_2019-12-21_12-12-33.jpg |
| Описание: |
|
| Размер файла: |
436.51 КБ |
| Просмотрено: |
784 раз(а) |

|
| photo_2019-12-21_12-12-30.jpg |
| Описание: |
|
| Размер файла: |
470.48 КБ |
| Просмотрено: |
1301 раз(а) |

|
| photo_2019-12-21_12-12-19.jpg |
| Описание: |
|
| Размер файла: |
400.43 КБ |
| Просмотрено: |
521 раз(а) |

|
relay.jpg 94.93 КБ Скачано: 1036 раз(а)
|
|
xarl
Модератор
Сообщения: 21874
|
zak_k,  |
|
|
zak_k
|
| xarl, День добрый! Заполнил. |
|
|
zak_k
|
Разобрался с печью, для того чтобы проц дал разрешающий сигнал для реле, нужен ещё сигнал с оптопары. Прозвонил обвязку оптопар, всё в норме - заменил обе оптопары и нагрев ожил.
И всё же по оптопарам, я так понимаю это контроль напряжения в сети?
123.png 114.88 КБ Скачано: 2026 раз(а)
|
|
mehanik93
Завсегдатай
Сообщения: 531
|
zak_k, пипец у тебя же схема есть ! Или сейчас все только по ютубу ремонтируют ?  |
|
|
Adonius
|
|
xarl
Модератор
Сообщения: 21874
|
Adonius, заполняйте Профиль... Результат нет.  |
|
|
Kamoliddin
|
| Дефект тотже R106 471 непропай по дорожке оптрона PC102 |
|
xarl
Модератор
Сообщения: 21874
|
[b]Kamoliddin[/ заполняете Профиль....  |
|