ESpec - мир электроники для профессионалов


ЭЛЕКТРИЧЕСКАЯ СХЕМА СВЧ SANYO E-GM400

  Список форумов » Микроволновые печи

Следующая тема · Предыдущая тема
АвторСообщение
VIC1956 
Бывалый
Сообщения: 83
 
Сообщение #1 От 19/08/2017 10:39 цитата  

Нужна пенсионеру ЭЛЕКТРИЧЕСКАЯ СХЕМА СВЧ SANYO E-GM400
Нигде не могу найти. Как-то не пойму подсоединить провода ВВ к новому трансу. Помогите пожалуйста скиньте схему
Также оторван проводок с платы управления и не знаю какой провод второй подать на сетевой транс

ДОБАВЛЕНО 19/08/2017 11:40

нигде не могу найти
понял указал что решено
xarl 
Модератор
<B>Модератор</B>
Сообщения: 21874
xarl
 
Сообщение #2 От 19/08/2017 10:49 цитата  

VIC1956,

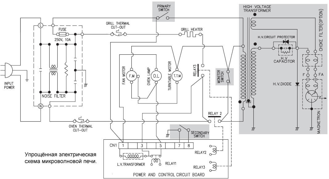
  shema-svch-2.jpg  58.06 КБ  Скачано: 921 раз(а)
VIC1956 
Бывалый
Сообщения: 83
 
Сообщение #3 От 19/08/2017 12:10 цитата  

Спасибо Но мне надо именно этой печки. Если можно помогите
xarl 
Модератор
<B>Модератор</B>
Сообщения: 21874
xarl
 
Сообщение #4 От 19/08/2017 12:14 цитата  

VIC1956, так это и есть...
VIC1956 
Бывалый
Сообщения: 83
 
Сообщение #5 От 19/08/2017 12:21 цитата  

как мне указать что проблема решена разобрался сам

ДОБАВЛЕНО 19/08/2017 13:24

разобрался спасибо

ДОБАВЛЕНО 19/08/2017 13:28

спасибо харл но мне нужна была имеенно точная схема
Yuritsh 
Фанат форума
Сообщения: 18498
Yuritsh
 
Сообщение #6 От 19/08/2017 16:26 цитата  

VIC1956 писал:
разобрался сам

VIC1956 писал:
мне нужна была имеенно точная схема
А что там разбираться??? Там ОДИН высоковольтный вывод. Даже народный депутат смог бы разобраться без схемы.

Перейти: 
Следующая тема · Предыдущая тема
Показать/скрыть Ваши права в разделе

Интересное от ESpec


Другие темы раздела Микроволновые печи



Rambler's Top100 Рейтинг@Mail.ru liveinternet.ru