| Автор | Сообщение |
|
Igor750
|
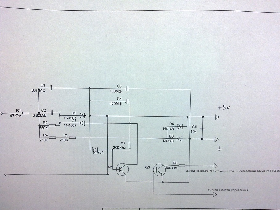
Доброго всем времени суток! Знакомый отдал мне для дачи "условно" рабочий обогреватель BALLU. Условно, потому что тэн запитан через тумблер )) Со слов теперь уже бывшего хозяина, выяснилось, что когда-то обогреватель перестал работать, и он отдал его на ремонт своему коллеге по работе. Тот полностью починить его не смог и тупо поставил выключатель. Я решил, что все-таки так не пойдет и вскрыл блок управления. Он состоит из двух плат: в качестве БП использована плата TCW-22EAB-POW, вторая - TCW-22EAB-LED - управление/индикация. Проблема с первой: сгоревший резистор R1 на 47 Ом, пробитый диод N4007 заменены, но, самое главное - отсутствуют транзисторы Q1 и Q3. Не подскажете, что должно стоять на пустых местах? Как я полагаю - это биполярные серий SS8550 и SS8050, в ТО92?
271020130991.jpg 123.37 КБ Скачано: 1442 раз(а)
|
|
shov244
Фанат форума
Сообщения: 3825
|
| Igor750 писал: | | самое главное - отсутствуют транзисторы Q1 и Q3. Не подскажете, что должно стоять на пустых местах? |
Разрисуй схему ... сразу понятно будет , что там стояло . А так только ждать точного ответа .

|
|
|
Igor750
|
Сразу извиняюсь за качество - проектировщик плат из меня никакой, да и прогой в полной мере пока не научился пользоваться... Но как-то так
| 27102013109.jpg |
| Описание: |
|
| Размер файла: |
201.72 КБ |
| Просмотрено: |
2583 раз(а) |

|
|
|
shov244
Фанат форума
Сообщения: 3825
|
| Igor750 писал: | | Сразу извиняюсь за качество | Да ладно уж , не плохо получилось .
Ну по схеме на Q1 собран стабилизатор , который запитывает плату управления , он должен быть мощненьким ( и на фото видно ) ... поставь типа наших транзисторов КТ814 , КТ816 или что то подходящее ... из импорта . Ну Q3 любой транзистор обратной проводимости .
А вообще то , чтобы не делать лишних телодвижений ... подай 5В на плату управления со своего блока питания . |
|
|
Igor750
|
Shov244, спасибо! Получается, я правильно думал Сегодня все поставил, БП запустился, выдал требуемые 5в. Но на этом позитив и закончился... Не работает плата управления - с контроллера тупо идет питалово сразу на все светодиоды и тишина... Похоже, кирдык и ему Кто-нибудь может помочь с этой бедой? Я имею ввиду: нет ли у кого прошивки на него "sn8p2501bpb" от Sonix (самого его купить не проблема). Ну, если это не будет расценено как сверхнаглость, ссылочку? Или альтернативный вариант управления? Заранее всем спасибо!
Пы.Сы. А все ведь из-за чего? "А из экономии" (с). Вот трудно было развязку сделать узкоглазым?! Блин, кругом одни полуфабрикаты... |
|
|
Igor750
|
В общем я понял, что моя проблема практически неразрешима . Сегодня с утра нашел телефоны СЦ, где ремонтируют BALLU. Позвонил, спросил есть ли платы управления. Сказали примерно следующее: "да, у нас их много - пользуются спросом. Цена - 600 рублей". Съездил приобрел. Поставил - все работает! Так что получается, что конвектор мне не подарили, а я приобрел его примерно за 700 рублей. Но, вроде, недорого вышло  |
|
xarl
Модератор
Сообщения: 21868
|
| Igor750, это тебе решать... |
|
|
Igor750
|
| xarl писал: | | Igor750, это тебе решать... |
Ты имеешь ввиду то, что я не смог решить проблему с микросхемой, а просто купил всю плату целиком? Что же, в этом ты прав - мне и самому хотелось бы иначе. Но никто из форумчан мне не помог, со своей стороны я весь воскресный день провел в интернете, в поисках программы. И даже несмотря на то, что у меня есть программатор и я бы приобрел контроллер, что бы я в него залил? К сожалению, писать проги я не умею А бросать начатое на пол-пути не привык. Вот и вышло, что пришлось мне идти в СЦ.
P.S. Пока рылся в нете, нашел много обучающей информации по программированию. И решил обязательно освоить данное "умение" Так, что плату не выкидываю - на ней и по-экспериментирую |
|
shov244
Фанат форума
Сообщения: 3825
|
| Igor750 писал: | | Ты имеешь ввиду то, что я не смог решить |
Igor750, да нет же ... это был ответ на| Цитата: | | вроде, недорого вышло | А так , то всё правильно сделал ... без огорода и что самое главное - эстетически-сексуально и пожаробезопасно !

|
|
xarl
Модератор
Сообщения: 21868
|
| Я не встречал прошивок на такие аппараты Конечно это не означавает , что их не существует. |
|
|
dbrnjh1456
|
| xarl писал: | | Igor750, это тебе решать... |
ДОБАВЛЕНО 06/11/2013 17:00
Позвонил, спросил есть ли платы управления.
ДОБАВЛЕНО 06/11/2013 17:01
TCW-22EAB-LED Эта плата? |
|
|
Igor750
|
|
|
Martin Hammer
|
| blpoint писал: | Проблема решена.
Пришлось заменить плёночный неполярный конденсатор (С2 на схеме от Igor750)
Плату управления пока покупать не буду. :-)
Всем успешных ремонтов. |
Эх, не видел темы раньше, так бы помог, наверное, автору...
Как вышли на этот кондёр? У меня тот же симптом: после включения моргают все индикаторы, но ТЭН греет немного.
Можно ли поставить немного другой номинал по емкости, типа наших МБГО?
Ну и другим в помощь, может, фото пригодится:
| BALLU 001.jpg |
| Описание: |
|
| Размер файла: |
672.07 КБ |
| Просмотрено: |
502 раз(а) |

|
| BALLU 002.jpg |
| Описание: |
|
| Размер файла: |
661.67 КБ |
| Просмотрено: |
422 раз(а) |

|
| BALLU 004.jpg |
| Описание: |
|
| Размер файла: |
420.85 КБ |
| Просмотрено: |
490 раз(а) |

|
| BALLU 005.jpg |
| Описание: |
|
| Размер файла: |
752.82 КБ |
| Просмотрено: |
344 раз(а) |

|
| BALLU 009.jpg |
| Описание: |
| Общий вид платы (питания, не управления) | |
| Размер файла: |
748.44 КБ |
| Просмотрено: |
514 раз(а) |

|
|
|
|
Martin Hammer
|
Поверил, купил кондеры, правда 0,82 не нашел, поставил 0,68 цФ.
Моргали оба светодиода, поставил К73-15 импортно китайский, всё заработало. Отверстия в плате под разные типы кондеров оказались, а у желтого одна нога кривулькой в сторону была согнута.
Радиатор зимует на даче, может, это повлияло на кончину.
В процессе поиска проблемы сломал термопред, пока соединил напрямую его контакты.((( |
|
|
blpoint
|
| Ну удалять так удалять. От профиля не зависит помощь другим участникам. Рад, что помог человеку починить прибор! |
|