ESpec - мир электроники для профессионалов


Чайник SCARLETT Indigo IS-505 не отключается

  Список форумов » Прочие бытовые приборы

Следующая тема · Предыдущая тема
АвторСообщение
stits 
Заглянувший
Сообщения: 3
 
Сообщение #1 От 24/10/2015 10:41 цитата  

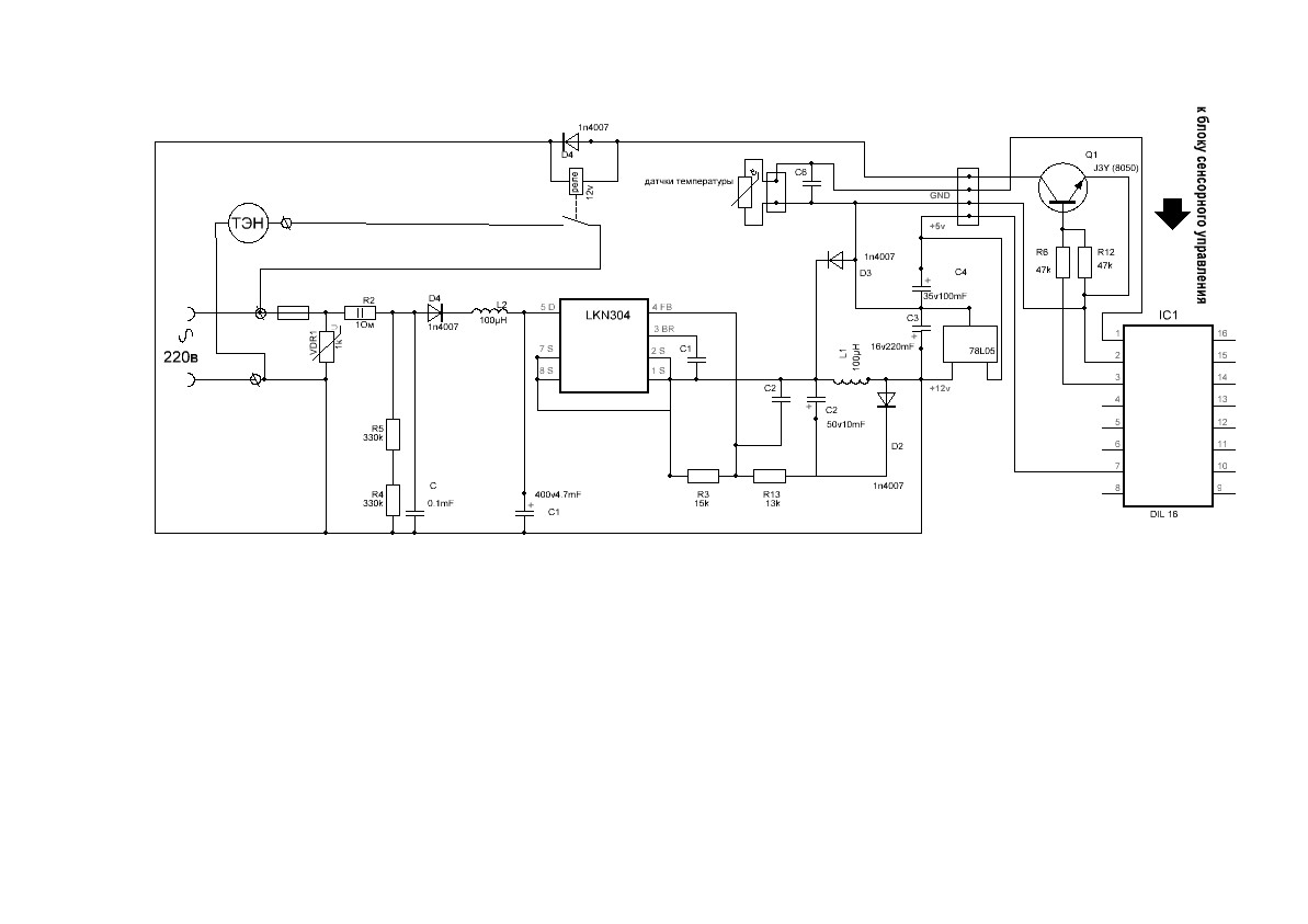
чайник с сенсорным управлением (выбор температуры -4 вида, и кнопка вкл\выкл) Изначально выгорели : LNK304 , диод в цепи 5 ноги микросхемы, диод шунтирующий катушку реле, транзистор Q1 , После замены, чайник включается, но не отключается. На температуру не реагирует, и кнопкой не выключается. (только выключением из сети) Когда контакты термодатчика отключены, то чайник включить нельзя, потому думаю ,что дело не в термодатчике. Интересует ,какой режим транзистора Q1 должен быть при такой схеме? Какие хоть приблизительно напряжения должны быть на какой ноге? Замеряя напряжение на катушке реле , при включении оно становит 7 в. при нажатии отключить оно 4.6 в. при этом катушка не отключается. такое же напряжение 4.6 в ,при включении чайника в сеть (но при этом реле не включается) При изменении сопротивления термодатчика ( и нагревал его, и заменял переменным резистором) -не какого изменения напряжения на ногах транзистора не наблюдается. Сама по себе схема какая то не понятная. Включение LNK304 , не совсем соответствует даташиту, так же ,питание катушки реле ,какое то не понятное для меня, с одной стороны идет прямо в сеть 220в, с другой через транзистор подается питание. В следствии чего не могу сообразить где и как замерять напряжения и относительно чего ?

  .JPG  69.1 КБ  Скачано: 511 раз(а)
xarl 
Модератор
<B>Модератор</B>
Сообщения: 21874
xarl
 
Сообщение #2 От 24/10/2015 18:06 цитата  

stits, равнодушие
stits 
Заглянувший
Сообщения: 3
 
Сообщение #3 От 25/10/2015 01:00 цитата  

исправил.сори
KRAB 
Распугиватель клиентов
Сообщения: 21704
KRAB
 
Сообщение #4 От 25/10/2015 01:55 цитата  

stits писал:
где и как замерять напряжения и относительно чего ?

stits писал:
с сенсорным управлением
- есть контроллер - на нем относительно "массы"

Перейти: 
Следующая тема · Предыдущая тема
Показать/скрыть Ваши права в разделе

Интересное от ESpec


Другие темы раздела Прочие бытовые приборы



Rambler's Top100 Рейтинг@Mail.ru liveinternet.ru