ESpec - мир электроники для профессионалов


Пароочиститель Karcher SC3.000C определить симистор. Решено

  Список форумов » Прочие бытовые приборы

Следующая тема · Предыдущая тема
АвторСообщение
gluharenko 
Заглянувший
Сообщения: 4
 
Сообщение #1 От 13/02/2018 01:03 цитата  

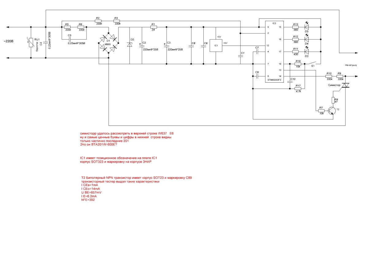
Подарили аппарат, новый, отработал ровно 20 минут и перестал качать воду. Вскрытие показало что в обрыве катушка клапана насоса и управляющего ключа в корпусе SOT223 снесло часть корпуса и он имел пробой между управляющим электродом и одной из ног терминала (симистор, тиристор?). Из маркировки симистор\тиристор удалось рассмотреть в верхней строке W637 E6 ну и самые ценные буквы и цифры в нижней строке видны только частично последние 201 корпус SOT223 - начав гуглить попался такой симистор BTA201W-600E. Ну я такого же найти не смог подобрал аналогичный по параметрах Z0109MN
С такой же маркировкой катушки найти не удалось,брал с аналогичных аппаратов. Катушку заменил симистор заменил. Включил аппарат воду с бачка еле качает из-за недостатка воды через пару минут соответственно термопредохранитель срабатывает - замер на катушке показывает 125-130 вольт.
Собственно вопрос первый с чем может быть связано такое заниженное напряжение на катушке (катушка подобрана не верно или симистор?)
И второй вопрос,больше просьба. Возможно у кого попадалось в ремонт или кто имеет в своем хозяйстве подобный аппарат или аппараты с подобным управлением на симисторе гляньте маркировку его и если не затруднить сделать какое сопротивление имеет катушка клапана-насоса.


Может кому пригодится срисовал схему и обозначил элементы которые удалось идентифицировать.
Силовую часть не срисовал там предельно все ясно и просто.

  cs3.JPG  78.02 КБ  Скачано: 441 раз(а)
xarl 
Модератор
<B>Модератор</B>
Сообщения: 21872
xarl
 
Сообщение #2 От 14/02/2018 18:52 цитата  

gluharenko, Откуда: Ukraine.................................?
gluharenko 
Заглянувший
Сообщения: 4
 
Сообщение #3 От 14/02/2018 19:20 цитата  

xarl писал:
gluharenko, Откуда: Ukraine.................................?
Добавил


15.02.2018 Update
Запустил я данный аппарат. Оказалось я по не знаю тупанул и со старой катушки не перенес в новую катушку гильзы и вставку разделительную между ними.
Симистор Z0109MN подходит и работает можно применять и этот BTA201W-600E Или любой другой с подходящими параметрами основными
Напряжение 600 В
Ток 1 А
Напряжение удержания 1.6 В
Ток удержания 10 мА
Уже около часа тестирую аппарат работает.

Товарищи модераторы пометьте тему как решено

Перейти: 
Следующая тема · Предыдущая тема
Показать/скрыть Ваши права в разделе

Интересное от ESpec


Другие темы раздела Прочие бытовые приборы



Rambler's Top100 Рейтинг@Mail.ru liveinternet.ru