| Автор | Сообщение |
|
Валера79
|
| работала дека нормально достаточно долго, вчера потухла и больше невключается лампочка STANDBY негорит на кнопки нереагирует |
|
YRI,LV
Завсегдатай
Сообщения: 370
|
| возможные причины - шнур , предохранитель сетевой , кнопка ON/OFF , трансформатор , вообще ни на что не реагирует ? |
|
|
Валера79
|
замерил напряжения на БП вместо +14в на выходе +15.7в , вместо -20в на выходе -20.6в ,вместо +5.5в на выходе +1.6в а напряжение +7.7в практически на нуле
прозвонил все транзисторы в БП пробитых и оборванных ненашёл
что это может быть ? |
|
YRI,LV
Завсегдатай
Сообщения: 370
|
| Валера79 писал: | замерил напряжения на БП вместо +14в на выходе +15.7в , вместо -20в на выходе -20.6в ,вместо +5.5в на выходе +1.6в а напряжение +7.7в практически на нуле
прозвонил все транзисторы в БП | неисправны стабилизаторы либо предохронители до них , у меня схемы нет на эту деку |
|
|
Валера79
|
| с сюда можно тебе схему БП скинуть чтоб ты посмотрел ? |
|
YRI,LV
Завсегдатай
Сообщения: 370
|
|
|
Валера79
|
| в каком её формате нужно скинуть ? |
|
YRI,LV
Завсегдатай
Сообщения: 370
|
| я незнаю , в меню расписано как прикрепить файл |
|
|
Валера79
|
| что-то немогу понять где это находиться меню по прикреплению файла ? |
|
YRI,LV
Завсегдатай
Сообщения: 370
|
под окном куда текст впичатываеш
ДОБАВЛЕНО 08/01/2018 17:56
сверху кликнуть по слову ОТВЕТИТЬ и внезу под окном |
|
|
Валера79
|
|
YRI,LV
Завсегдатай
Сообщения: 370
|
| пишет произошла ошибка и открывается окно другой страницы этого сайта , а сюда на страниу в тему неможеш выложить БП |
|
|
Валера79
|
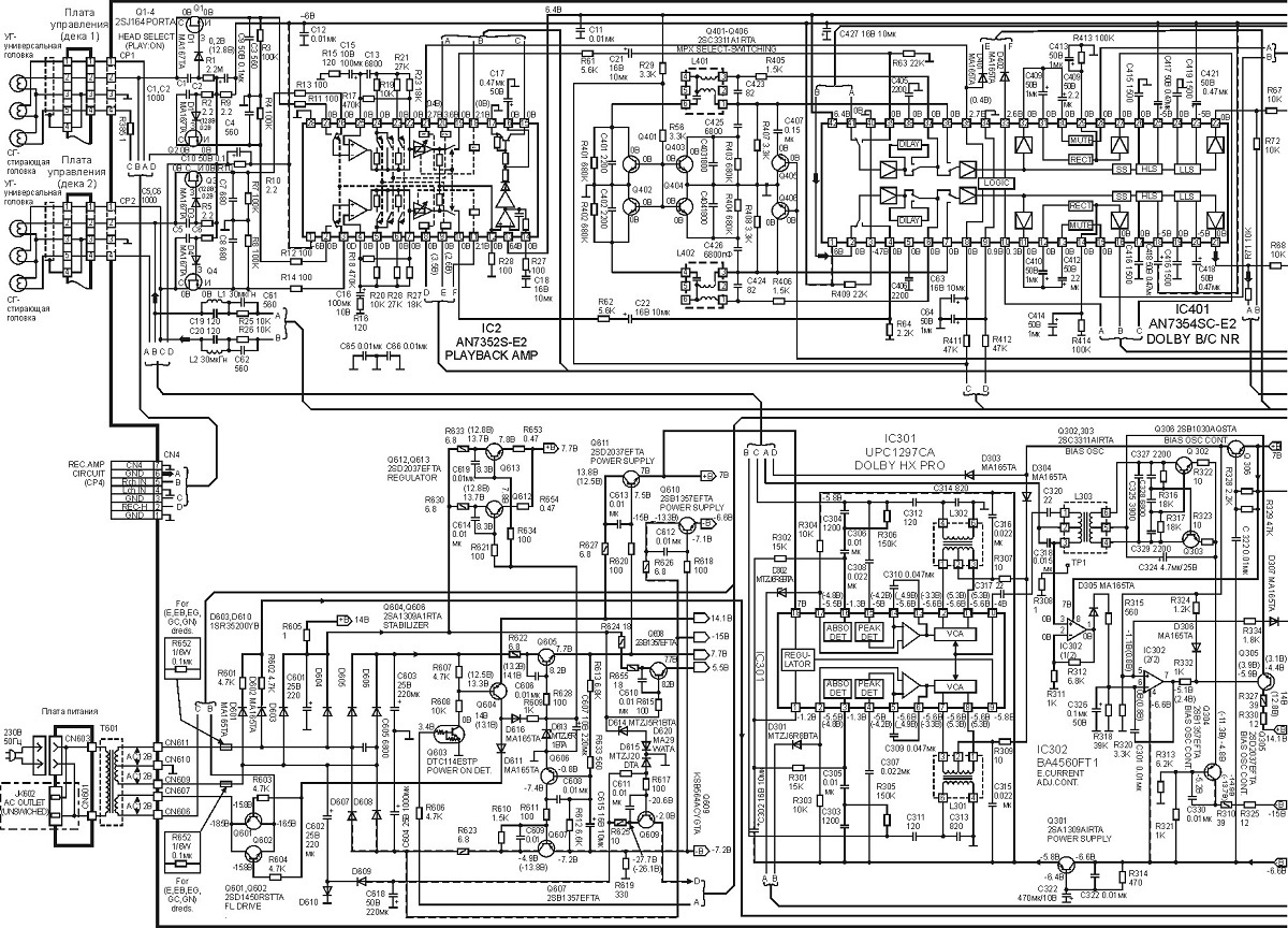
схема БП
ДОБАВЛЕНО 08/01/2018 18:25
во получилось 
| Technics RS_TR575_4.jpg |
| Описание: |
|
| Размер файла: |
480.18 КБ |
| Просмотрено: |
656 раз(а) |

|
|
|
YRI,LV
Завсегдатай
Сообщения: 370
|
| измерь напряжения в кантрольных точках схемы они указаны , думаю что и плата подписана измеряй относительно корпуса ( - ) потом отпишись где кроме выходных напряжения еЩЁ отличаются |
|
|
Валера79
|
| ты имееш ввиду замерить напряжения на транзисторах в БП ? |
|
YRI,LV
Завсегдатай
Сообщения: 370
|
| не только по цепям где подписаны и вопрос выше писал что проверял транзисторы каким образом проверял ? |
|
|
Валера79
|
| выпаивал и проверял каждый единственное что непонял так это транзистор Q603 DTC114ESTP как он прозванивается ? |
|
YRI,LV
Завсегдатай
Сообщения: 370
|
| разумеется пока только БП |
|
|
Валера79
|
ну да ...дальше БП некопал а что может ещё быть какая-то причина кроме него ?
ДОБАВЛЕНО 08/01/2018 19:09
это же обычный БП я так понимаю не импульсный ? |
|
YRI,LV
Завсегдатай
Сообщения: 370
|
нет так как делал больше не делай доломаеш почти винтажную деку , произведи замеры в кантрольных точках БП там где подписано и отпешись тогда уже можно будет анализировать где неисправность
ДОБАВЛЕНО 08/01/2018 19:12
схема линейного управляемого БП
ДОБАВЛЕНО 08/01/2018 19:13
я подойду к компу в 22часа |
|