| Автор | Сообщение |
II3II
Передовик
Сообщения: 1055
|
| Прикрепи фото крупным планом. |
|
II3II
Передовик
Сообщения: 1055
|
Схема УНЧ
ДОБАВЛЕНО 17/02/2020 17:59
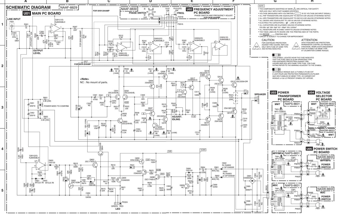
pion, нашёл похожую схему у ONKYO. Состав другой, но нужный тебе узел там есть! Это регулировка тока покоя. Взгляни какие транзисторы там применили- 2SC3423 и 2SA933S-S. На схеме есть контрольные точки и указаны напряжения.
ДОБАВЛЕНО 17/02/2020 18:02
У тебя усилитель более продвинутый- на Дарлингтонах, а здесь они составные, но по сути всё так же
| Onkyo SKW206 powered subwoofer circuit diagram.jpg |
| Описание: |
|
| Размер файла: |
249.5 КБ |
| Просмотрено: |
303 раз(а) |

|
|
|
pion
Передовик
Сообщения: 1602
|
| II3II писал: | Схема УНЧ
ДОБАВЛЕНО 17/02/2020 17:59
pion, нашёл похожую схему у ONKYO. Состав другой, но нужный тебе узел там есть! Это регулировка тока покоя. Взгляни какие транзисторы там применили- 2SC3423 и 2SA933S-S. На схеме есть контрольные точки и указаны напряжения.
|
Спасибо, 2SA933 уже заказал, попробую с ним. Правда есть сомнения насчёт него по току, но в продаже не нашёл ничего другого с большим коэффициентом усиления. Тут возник вопрос, зачем там транзистор на 50в? , и можно ли поставить транзистор на 30в, 800мА. 2SA966? |
|
II3II
Передовик
Сообщения: 1055
|
| 2SA966-- 30 в.--- 1,5 а. Подключи нагрузку вместо динамиков, и выставляй 0 на средней точке! Может у тебя выходной каскад не настроен, поэтому и проблема.. |
|
pion
Передовик
Сообщения: 1602
|
Поставил 2SA933, похоже схема работает. На выходе -0.02в. Ничего не греется. Поставлю на прогон.
ps. Ещё раз огромное спасибо за помощь! |
|
|
ARSVG
|
Добрый день!
У меня похожая проблема. Усилитель ONKYO TX-NR636
Схема другая.
При включении выдает ошибку " проверь провода спикера"
Но запускается.
Выгорают предвыходные и выходные транзисторы.
Создам новую ветку... |
|