ESpec - мир электроники для профессионалов


Нужна помощь в подборе аналога дисплея

  Список форумов » Мобильные телефоны и смартфоны

Следующая тема · Предыдущая тема
АвторСообщение
Shurik2975 
Заглянувший
Сообщения: 4
 
Сообщение #1 От 27/03/2016 21:36 цитата  

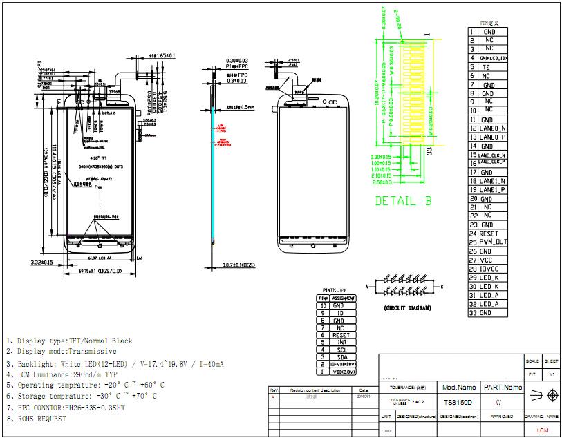
Всем доброго вечера.Вообщем такая проблема, дочь разбила дисплей на телефоне Verico Uni SHAPE 5V3 вот фото:

Найти оригинал по партномеру не могу, нашел на алиэкспресс (вот ссылки:
Ссылка 1
Ссылка 2
Ссылка 3
визуально идентичный модуль один в один и расположение датчиков и камеры и динамика и размер и шлейфы как и у меня 10 и 33 pin. Вот хочу узнать мнение специалистов как вы считаете подойдёт ли он на мой телефон?
Это даташит к моему дисплею:







  Verico-Unishape-5V3-1024x657.jpg  85.38 КБ  Скачано: 1027 раз(а)
  HTB1ypx7FVXXXXcfXXXXq6xXFXXX8.jpg  83.74 КБ  Скачано: 414 раз(а)
  HTB1B_J4FVXXXXXUXVXXq6xXFXXXP.jpg  70.67 КБ  Скачано: 406 раз(а)
  IMG_20160319_071211.jpg  58.03 КБ  Скачано: 387 раз(а)
  IMG_20160319_071412.jpg  66.55 КБ  Скачано: 379 раз(а)
  IMG_20160323_080236.jpg  117.88 КБ  Скачано: 381 раз(а)
  IMG_20160323_080312.jpg  86 КБ  Скачано: 368 раз(а)
n max 
Модератор
<B>Модератор</B>
Сообщения: 17599
 
Сообщение #2 От 27/03/2016 22:28 цитата  

ну если партномера шлейфа и дисплея\тачскрина по ссылке совпадут с вашими то подойдёт,а если нет то вероятность неработоспособности 50 на 50 и\или сенсора и дисплея.Тут лучше с продавцом базарить(мож аналоги есть)или совместимые.Обычно если им отправить версию прошивки телефона и версию прошивки радиомодуля то могут сказать подойдёт или нет
Shurik2975 
Заглянувший
Сообщения: 4
 
Сообщение #3 От 27/03/2016 23:52 цитата  

n max писал:
ну если партномера шлейфа и дисплея\тачскрина по ссылке совпадут с вашими то подойдёт,а если нет то вероятность неработоспособности 50 на 50 и\или сенсора и дисплея.


В том то и дело что не совпадают, только визуально идентичен.

n max писал:
Тут лучше с продавцом базарить(мож аналоги есть)или совместимые.Обычно если им отправить версию прошивки телефона и версию прошивки радиомодуля то могут сказать подойдёт или нет


С продавцами связывался со всеми у кого есть похожий и человек 30 вообще что торгуют дисплеями, отправлял им всё что выложил тут, хотя понимающему и даташита будет достаточно, не один нечего внятного не сказал. Один правда после моего запроса выложил тот дисплей что по ссылкам только обозвал его как мой вот посмотрите, написал что вот то что тебе нужно а на фото та не мой а тот что по ссылкам. Вот и думай толи заработать хочет толи действительно подойдёт.
n max 
Модератор
<B>Модератор</B>
Сообщения: 17599
 
Сообщение #4 От 27/03/2016 23:59 цитата  

Ну если вам пришлют нерабочий то открываете диспут(прикладываете видео) и деньги вам вернут.Так что заработать продавцу не получиться.Уже раз 20-30 с такими сталкивался то не тот пришлют то похожий по размеру но не тот партномер во всех случаях деньги вернули и дисплеи с тачскринами остались у меня на память.
Shurik2975 
Заглянувший
Сообщения: 4
 
Сообщение #5 От 28/03/2016 00:06 цитата  

n max писал:
Ну если вам пришлют нерабочий то открываете диспут(прикладываете видео) и деньги вам вернут.Так что заработать продавцу не получиться.Уже раз 20-30 с такими сталкивался то не тот пришлют то похожий по размеру но не тот партномер во всех случаях деньги вернули и дисплеи с тачскринами остались у меня на память.


Ну как вариант можно попробовать. Вот только этот гад за переименование и цену поднял на 200 гривен, хотя с другой стороны гарантия что деньги вернут если не заработает.
n max 
Модератор
<B>Модератор</B>
Сообщения: 17599
 
Сообщение #6 От 28/03/2016 00:13 цитата  

Спрос рождает предложение.Главное с администрацией по англицки общаться через переводчик до них туго доходит-это когда диспут открывать будете.Удачи.
Покупки лучше оплачивать с валютого счёта дешевле будет
Shurik2975 
Заглянувший
Сообщения: 4
 
Сообщение #7 От 28/03/2016 00:20 цитата  

Спасибо за совет.
Рита26 
Заглянувший
Сообщения: 1
 
Сообщение #8 От 30/06/2016 13:46 цитата  

Добрый день! у меня таже проблема. Какой все таки дисплей заказали? подошел??
NataliR 
Заглянувший
Сообщения: 1
 
Сообщение #9 От 27/07/2016 12:22 цитата  

Добрый день! Если кто-то нашел решение проблемы с разбитым дисплеем, поделитесь плиз

Перейти: 
Следующая тема · Предыдущая тема
Показать/скрыть Ваши права в разделе

Интересное от ESpec


Другие темы раздела Мобильные телефоны и смартфоны



Rambler's Top100 Рейтинг@Mail.ru liveinternet.ru