ESpec - мир электроники для профессионалов


Чтение шин TX+ и TX- в автомагнитолах Toyota/Lexus

  Список форумов » Автомобильные аудиосистемы

Следующая тема · Предыдущая тема
АвторСообщение
Umkalab 
Участник
Сообщения: 120
Umkalab
 
Сообщение #1 От 25/01/2010 16:51 цитата  

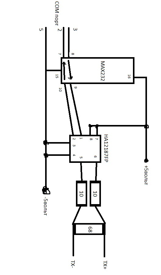
Ребята привет! Заинтересовал меня вопрос по этим шинам. Кто как их читает и чем. В голове набросал схемку на MAX232 и HA12187FP
Вот еще вопрос, кто через что читает? Сгодиться ли для этих целей Hyper Terminal или Putty?

ДОБАВЛЕНО 25/01/2010 20:14

Вот схемка про которую писал

  HA12187FP.pdf  108.73 КБ  Скачано: 1149 раз(а)
  Новый точечный рисунок.jpg  62.93 КБ  Скачано: 1535 раз(а)
БЕЗЫМЯННЫЙ 
Бегущий по граблям
Сообщения: 7608
 
Сообщение #2 От 25/01/2010 17:14 цитата  

Upa-logic + интерфейс на том-же что и в аппарате. Возможны варианты....
Umkalab 
Участник
Сообщения: 120
Umkalab
 
Сообщение #3 От 25/01/2010 18:06 цитата  

В аппарате интерфейс идет через то что я нарисовал только без MAX. один в один. С 12187 сразу на проц.

А про варианты ты пишешь что возможны это как? через терминалку увижу или нет? как думаешь???

ДОБАВЛЕНО 25/01/2010 21:13

Мда... Прочитал про Up a Logic... получиться ли без него?

Перейти: 
Следующая тема · Предыдущая тема
Показать/скрыть Ваши права в разделе

Интересное от ESpec


Другие темы раздела Автомобильные аудиосистемы



Rambler's Top100 Рейтинг@Mail.ru liveinternet.ru