| Автор | Сообщение |
TRIPLEX
Передовик
Сообщения: 2529
|
Сказали, что подключили видимо не так из-за чего задымила.
Включил (на свой страх и риск), работает, но звука нет.
Видимо ёкнулся проц звуковой, а как его проверить не в курсе. Не сталкивался с этим ещё.
Как можно узнать идёт ли сигнал с ЦП на звуковой проц и как его вообще проверить жив ли он? |
|
kolya-zerber49
Завсегдатай
Сообщения: 771
|
DS, пробник-наушник, тестер в руки и бог в помощь!  |
|
Freddy
Передовик
Сообщения: 2750
|
| TRIPLEX писал: | Сказали, что подключили видимо не так из-за чего задымила.
Включил (на свой страх и риск), работает, но звука нет.
Видимо ёкнулся проц звуковой, а как его проверить не в курсе. Не сталкивался с этим ещё.
Как можно узнать идёт ли сигнал с ЦП на звуковой проц и как его вообще проверить жив ли он? |
кто сказал что звуковой проц екнулся? |
|
|
Гуга
|
| TRIPLEX, что за вопросы? В таких случаях первым делом проверяй приходит ли сигнал на УНЧ и если да, то меняй УНЧ. |
|
STING
Передовик
Сообщения: 1984
|
| TRIPLEX писал: | | подключили видимо не так из-за чего задымила. |
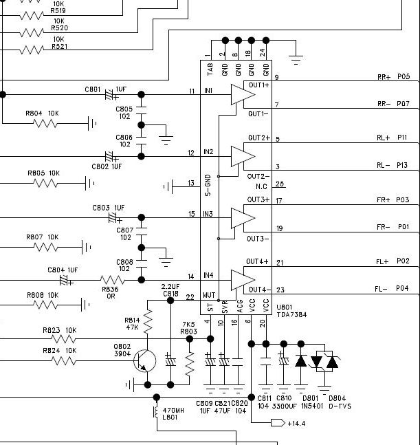
Случайно лит С810 не вздуты ? Да и на самой микрухи питания есть ли ? А если есть напруга питания то есть ли напруга на 7,9 ,5 ,3 ,17, 19, 21, 23 выводах ???

|
|
TRIPLEX
Передовик
Сообщения: 2529
|
STING
вздутых кондеров нет
питание завтра замерю |
|
TRIPLEX
Передовик
Сообщения: 2529
|
9-10,20
7-10,20
5-6,95
3-6,95
17-11,20
19-2,88
21-11
23-10,70
на минусе левого фронта дорога отгорела. Даже и не заметно. У системного гнезда обрыв.
похоже 7313 на замену всё таки. Минусов с неё не выходит совсем. |
|
shel
Завсегдатай
Сообщения: 491
|
| Меняй.наверно + питания к проводам динамиков подключали. |
|
STING
Передовик
Сообщения: 1984
|
| TRIPLEX писал: | | Минусов с неё не выходит совсем. |
Минусов и не должно Это просто подключения динамиков так указанно , что минус динамика надо соеденить с минусом указанный на магнитоле А с микрухи ( при исправной микрухи ) должно быть на выходе напруга равное половине значения напруги питания !!! Ну к примеру если напруга питания 12 вольт то на выходе микрухи должно примерно
6 В--6.5 В ( на любых из выводов 7,9 ,5 ,3 ,17, 19, 21, 23 ) А микруху 100 % под замену !!! |
|
411i6470r
Завсегдатай
Сообщения: 679
|
| ПРИсоединяюсь . унч в таких случаях НИКОГА не выживает. в первую очередь менять !!!! хотя послушать высокоомником, есть ли на ней все 4 входа - очень не повредит. |
|
TRIPLEX
Передовик
Сообщения: 2529
|
Заменил 7384. Стояла 7386.
Звук появился. НО!
На Front Left (21, 23 ноги) и Rear Left (5, 3) звук еле слышно даже на громкости "30", ухо к динамику подставляешь и еле-еле шепчет. На двух др каналах играет как обычно.
Замерить ни чего не успел, т.к. рабочий день уже подошёл к концу
PS: дорожка была прогоревшая именно на плюсе Front Left
122.jpg 72.98 КБ Скачано: 2835 раз(а)
|
|
Santei
Передовик
Сообщения: 2630
|
| Кружок "умелые руки". Берёшь осцилл в руки и меряешь входные сигналы,при их наличии и отсутствии на выходе,делается вывод об исправности 7384(довольно много брака) |
|
STING
Передовик
Сообщения: 1984
|
| Santei писал: | | довольно много брака) |
Согласен Но и просым методом можно узнать , измерив напругу на выходе микрухи ( как я писал высше ) |
|
TRIPLEX
Передовик
Сообщения: 2529
|
Аппарат готов.
Обрыв дорожек на 14, 15 ноги. Заодно и 11, 12 пропаял.
Часа 4 работы, полёт нормальный.
Завтра вроде приедут заберут. |
|
iga
Заместитель Администратора
Сообщения: 12523
|
Т.е. "обрывы" подразумевают неумелый демонтаж?
не "честная" какая то тема... - - - - - - - - - На форуме ESpec 2 414 265 сообщений в 228 127 темах.
|
|
TRIPLEX
Передовик
Сообщения: 2529
|
| не най. Можт и цепанул нечаянно... |
|
Nobody
Завсегдатай
Сообщения: 614
|
Не удивлюсь, если аппарат вернётся с той же проблемой.
Впрочем, не хочу накаркать. |
|
STING
Передовик
Сообщения: 1984
|
| Nobody писал: | | Не удивлюсь, если аппарат вернётся с той же проблемой. |
Откудого такая уверенность ?
| TRIPLEX писал: | | Обрыв дорожек на 14, 15 ноги. Заодно и 11, 12 пропаял. |
Из за этого ? ( ну я имею виду из за не качесвенной работы ) |
|
TRIPLEX
Передовик
Сообщения: 2529
|
Мне кажется из-за не качественной платы. Там много где дорожки отошли от самой платы (я имею ввиду в совсем других местах, возле панельки например...)
Nobody
С чего вдруг он вернётся то? Опять подключат не так? Дык я им на бумажке всё нарисую если уж они не знают что жёлтый и красный это ПЛЮС, чёрный МИНУС... Если опять сгорит, не мои проблемы, а их. Точнее их рук и мозгов...
Припаяно там всё идеально...
Закройте тему плиз, а то флуд пошёл. Щас окажется ещё, что я его спалил  |
|
Santei
Передовик
Сообщения: 2630
|
| Цитата: | | Щас окажется ещё, что я его спалил |
Ну эт на твоей совести останется  |
|