| Автор | Сообщение |
|
Volaz
|
Машинка не новая. Такие выпускались в начале 90-х. Излазил всю сеть - ничего нет. Схемы от других машин не подходят.
За любые подсказки - буду благодарен.
Владимир. |
|
Рифат
Обыкновенный человек
Сообщения: 17778
|
| От каких других не подходят?Есть от 671 WP подойдёт?А зачем схема то? |
|
virmeshter
Фанат форума
Сообщения: 3160
|
Поведуй про свою проблему,небось решим и без схемы.Схемы это для тех кто не знает где искать или тех кто чтото намутил а что не помнит. .Кались в чем беда и даст Бог решим вопрос. |
|
Spec
Спецсервис
Сообщения: 1646
|
Вместо того чтобы лазить по сети лучше взял бы карандаш с бумашкой и зариовал бы схему а потом с нами здесь и поделился . Схема нужна только в одно случае если ктото там полазил и все провода перепутал. |
|
|
regiss
|
| Spec писал: | | Вместо того чтобы лазить по сети лучше взял бы карандаш с бумашкой и зариовал бы схему а потом с нами здесь и поделился . Схема нужна только в одно случае если ктото там полазил и все провода перепутал. |
| Spec писал: | | Поведуй про свою проблему,небось решим и без схемы.Схемы это для тех кто не знает где искать или тех кто чтото намутил а что не помнит. .Кались в чем беда и даст Бог решим вопрос. |
Наехали ту на человека, ух.., черти,....!
Ну, раз, человеку надо - значит надо !
У меня есть только от AWG 372. Поможет ? |
|
Spec
Спецсервис
Сообщения: 1646
|
regis2, вторая цитата не моя  |
|
|
Volaz
|
| Spec писал: | regis2, вторая цитата не моя  | Вот у меня тот самый случай. Только полазил я сам, но очень давно, и уже не помню откуда там проводкИ сдернул. А проблема была такая: После окончания стирки очень долго не отпирался люк, и это доставало сильно. Я электроблокировку замка отключил и что бы провода не болтались - выдернул их полностью, в том числе и с командоаппарата. Относительно недавно сломалась пружина, удерживающая защелку люка. Удалось приспособить пружину от прищепки. Усилие прижатия получилось несколько слабее, но до сих пор проблем не было. Но пару дней назад супруга видать не плотно прихлопнула защелку люка, и в процессе стирки он приоткрылся и натекло на пол около 10 л. воды. Хорошо мы рядом были и вовремя среагировали. И вот тут вспомнил про элетроблокировку замка.
В общем провода надо обратно поставить - 3 провода - 6 концов, а куда-что - не помню. |
|
Spec
Спецсервис
Сообщения: 1646
|
| Схема здеся не нужна. Можно сделать приспособление. Нужена лампочка ват на 100 (лучше больше чем меньше) и включаеш машинку на стирку. Два провода от лампочки тыкаеш по трьом свободным контактам и когда клапан сработает те два идут на контакты замка а третий свободный - подогрев таблетки. Теперь осталось только выяснить какой из первых двух есть общий - для этого береь тэстэр и на прозвонке проверяеш какой звонится на вилке. |
|
|
ioll
|
| Если не получиться найти схему , то найди на команднике пату контактов где появляется сетевая напруга во время всей стирки, а на стопе нет, прицепи контакты от замка между которыми есть сопротивление в несколько килоом . Это не правильно , но все таки плучше будет чем у тебя сейчас. |
|
Spec
Спецсервис
Сообщения: 1646
|
| Обычно контакты на команднике оставляют после себя царапины так что три с замка можна определить по тем царапинам, если до этого не эксперементировал по всем контктам. |
|
|
mikola
|
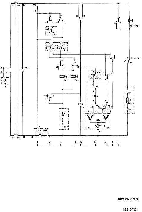
Ну держи...
AWG371.png 166.71 КБ Скачано: 2292 раз(а)
|
|
|
Volaz
|
За советы всем спасибо. Если не найду схемы буду конечно тыкать... А следов на контактах там уже не найти. А кроме вышеуказанной схемы есть еще, где с номерами контактов от командоаппарата - вот мне ее бы. А лучше всю сервисную книжку - на сколько я их накачал из тырнета - весят они не много - около 300 кБ. Все таки методу "научного тыка" предпочитаю по возможности цивилизованные способы ремонта.
Владимир.
PS: на счет совета с лампочкой 100 Вт совсем ничего не понял. На всякий случай сообщаю, что проводочки я не только сдернул с контактов, но и полностью вытащил из машинки.
PPS: С электричеством знаком не понаслышке. |
|
Рифат
Обыкновенный человек
Сообщения: 17778
|
| Volaz писал: | | на счет совета с лампочкой 100 Вт совсем ничего не понял | И| Volaz писал: | | С электричеством знаком не понаслышке |
.....Надеюсь мы тебя ещё услышим.... |
|
|
Gibson
|
|
|
Volaz
|
Всем откликнувшимся спасибо! Схему я восстановил. Все работает.
А на счет электроблокировки замка лючка - подскажите принцип действия. Омметром вообще ни один контакт (из 3-х) не звонится ни в какой комбинации. Что там внутри-то? |
|
Сергей
Передовик
Сообщения: 1919
|
| Volaz, тему исправь, чтобы красиво все было (правила они для всех писаны), внутри замка термотаблетка, сопротивлением около одного килоома, на которую подается 220 вольт. Таблетка нагревает биметаллическую пластину, та изгибается и замыкает силовой контакт. и 220 вольт идет дальше по схеме... |
|
|
Camron
|
помогите пожалуйста найти инструкцию к данной стиралке!
Заранее спасибо! |
|
xarl
Модератор
Сообщения: 21874
|
|
|
Гуф8
|
| Сгорел ТЭН стиральной машинки Whirlpool AWG 371, заменил на другой. Включаю машинку, но она не вкючается, лампочка горит. Может кто нибудь подскажет причину |
|
xarl
Модератор
Сообщения: 21874
|
Гуф8, да причина понятна, если до вмешательства все работало. А вот что там ручки натворили, кому ведомо?  |
|