| Автор | Сообщение |
|
sergejj3
|
фотку приложить не получается. но релюшек там и так не много. тем более дорожками связаных с разъемом замка.
в общем доказывать не собираюсь. просто вымараживает мнимое превосходство некоторых участников форума.
можно просто намекнуть в какой части стиралки искать, или если я ремонтирую стиралки например HAIER, и нету доступа к документации Electrolux значит я бездарный? |
|
xarl
Модератор
Сообщения: 21874
|
|
allfat
Добрый дядя
Сообщения: 1881
|
sergejj3, фотки значит вставить не можешь?
покажи на схеме,где реле?
ДОБАВЛЕНО 14/12/2012 15:57
ответ будет?
ДОБАВЛЕНО 14/12/2012 16:05
| Цитата: | | значит я бездарный? |
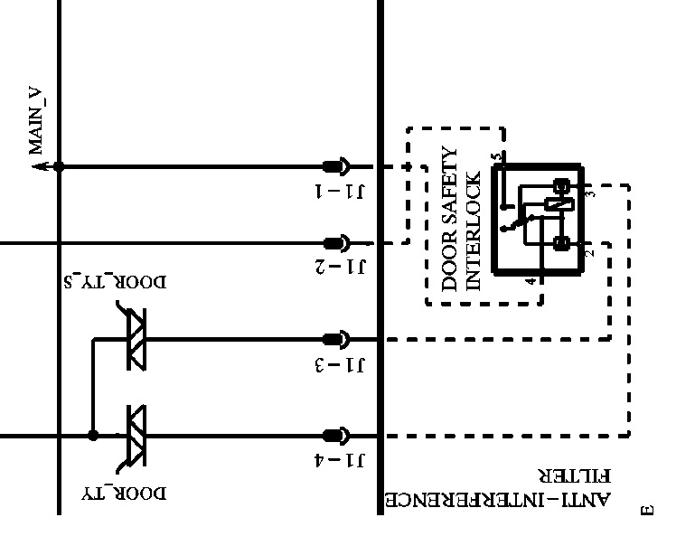
Безымянный.jpg 69.53 КБ Скачано: 328 раз(а)
|
|
mas-ter
Фанат форума
Сообщения: 3987
|
| sergejj3 писал: | фотку приложить не получается. но релюшек там и так не много. тем более дорожками связаных с разъемом замка.
в общем доказывать не собираюсь. просто вымараживает мнимое превосходство некоторых участников форума. |
В данном случае доказать просто, достаточно схемы участка данной цепи.
allfat, выложил, теперь твоя версия.
allfat, Судя по ждать придётся долго, а смысл?
ДОБАВЛЕНО 14/12/2012 16:58
Добавлю (не читал всю ветку) дляsergejj3, модуль на платфорие ENV06 версия EWM2100 |
|
Kaskad11
Передовик
Сообщения: 2656
|
| Парни, что вы завелись с пол-оборота? Тема почти год "лежала". sergejj3 на дату не посмотрел. |
|
xarl
Модератор
Сообщения: 21874
|
Kaskad11, а никто и не заводился... кроме sergejj3.  |
|