| Автор | Сообщение |
power1
Передовик
Сообщения: 1240
|
| стопыч писал: | | Есть у кого даташит на этот стопиновый stm32p301vct6? Два дня пытаюсь найти, всё STM32F... находятся. |
 |
|
стопыч
Фанат форума
Сообщения: 3167
|
power1, питание на проц не там получается. Зеленым отметил.

|
|
стопыч
Фанат форума
Сообщения: 3167
|
| +12v через транзистор FMMT549 (p-n-p, 30v, 1A), идет на шестиножку IL2EF, а с неё выходит 3,3в. В моем случае 3,9в намерял. |
|
power1
Передовик
Сообщения: 1240
|
| стопыч писал: | | +12v через транзистор FMMT549 (p-n-p, 30v, 1A), идет на шестиножку IL2EF, а с неё выходит 3,3в. В моем случае 3,9в намерял. |
В дашите в ней три полевика, три напряжения, стабилизирует своим
общим стабилитроном, приложенным делителем где указал,
выходят три напряжения по раздельно, ток малый, рассчитан по нагрузкам. Если меряешь на плате ( вкл на столе, без индикации, и периферии может, быть завышен, напруга рассчитана с нагрузкой)
ВОЛОДЬ давай на почту, разберемся, здесь дибилов много, мешают,
дашит послал в личку, получил?
Нагрузи проц, питание выровняется. |
|
стопыч
Фанат форума
Сообщения: 3167
|
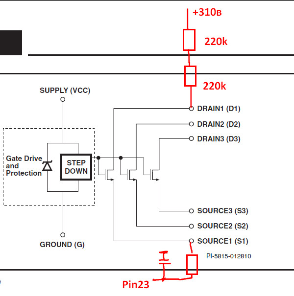
power1, о разных микросхемах говорим. Ты про SEN013D, а я про IL2EF. А через SEN013D питание не идёт!
Контроль сети с +310в, через два резистора по 220к, через внутренний полевик микры SEN013D, через резистор 1к и на проц. Всё в этой цепи живо. SEN013D подставить нету.
Или программная болячка. Но какой прогой его читать? Где говорят - лоченый проц, а где - что, мол, нет... http://www.cyberforum.ru/dishwashers/thread2132527.html Где правда?
ДОБАВЛЕНО 25/01/2018 15:00
power1, так на картинке совсем другая маркировка проца. А мне то надо STM32P301xxxx. А ты мне STM32F103xxxx показываешь.

|
|
тю
Фанат форума
Сообщения: 6076
|
| стопыч писал: | | power1, о разных микросхемах говорим. |
так я о чем ТОЛКУЮ !!!! |
|
|
upetr
|
Это ARM проц.
ДОБАВЛЕНО 25/01/2018 15:08
STM32F103C8T6
ДОБАВЛЕНО 25/01/2018 15:13
С процем у тебя все в порядке, E01 обычно не пропай в цепи 300V. Или реле отключается раньше времени или переход на плате не пропай до драйвера.
ДОБАВЛЕНО 25/01/2018 15:17
| стопыч писал: | | Есть у кого даташит на этот стопиновый stm32p301vct6? Два дня пытаюсь найти, всё STM32F... находятся. |
STM32F103C6T6.pdf 1.4 МБ Скачано: 944 раз(а)
|
|
стопыч
Фанат форума
Сообщения: 3167
|
| upetr писал: | Это ARM проц.
ДОБАВЛЕНО 25/01/2018 15:08
STM32F103C8T6
ДОБАВЛЕНО 25/01/2018 15:13
С процем у тебя все в порядке, E01 обычно не пропай в цепи 300V. Или реле отключается раньше времени или переход на плате не пропай до драйвера.
ДОБАВЛЕНО 25/01/2018 15:17
| стопыч писал: | | Есть у кого даташит на этот стопиновый stm32p301vct6? Два дня пытаюсь найти, всё STM32F... находятся. |
|
Ну тогда объясните, почему на проце пишут 32P301VCT6? Так какой он? F103C8T6, или F103C6T6?
ДОБАВЛЕНО 26/01/2018 10:59
upetr, Как реле может отключаться раньше времени, если оно не включалось ещё, а пмм уже в ошибку валится? От сетевого разъема проследил цепи до шим. Непропаев нет. И если удалось запустить пмм, побаловавшись входом в тест, то программу мойки выполняет до конца! Если бы были косяки в "железе", они бы вылезли при выполнении программы мойки. |
|
стопыч
Фанат форума
Сообщения: 3167
|
Вот чего о маркировке пишут. И как сопоставить надписи? Кто нибудь пытался считать прошиву с такого модуля? Лоченый проц? Какой программой? Я скачал три программы. В одной только есть кнопочка для считывания. В других двух её нету. Мож она появится после коннекта с процем? Но какой проц мне выбирать в программе? 32P301VCT в этих программах нет! Так какой выбирать?
ДОБАВЛЕНО 26/01/2018 11:54
Мож так? но всеж таки не всё понятно...


|
|
стопыч
Фанат форума
Сообщения: 3167
|
Пробовал прочесть. Программа просила обновить свисток. Обновил. Не просит теперь. Но так-же продолжает просить выбрать девайс. А какой я должен выбрать? STM32P301VCT6 в списке нату. F103 выбирал всякие - непомогло. Подключил по SWD. BOOT 0, BOOT 1 - через 10кОм на GND.

2018-01-26_142924.rar 167.94 КБ Скачано: 968 раз(а)
|
|
стопыч
Фанат форума
Сообщения: 3167
|
Таки я его прочитал. Незнаю насколько корректно... И дамп сохранил.
ДОБАВЛЕНО 26/01/2018 16:38
Александр Михалыч, почта. |
|
Александр Михалыч
Фанат форума
Сообщения: 4759
|
| стопыч писал: | | ... Александр Михалыч, почта. |
Ответил в личку.  |
|
стопыч
Фанат форума
Сообщения: 3167
|
| У кого есть с чем сравнить то, что я тут начитал? |
|
|
upetr
|
| стопыч писал: |
upetr, Как реле может отключаться раньше времени, если оно не включалось ещё, а пмм уже в ошибку валится? От сетевого разъема проследил цепи до шим. Непропаев нет. И если удалось запустить пмм, побаловавшись входом в тест, то программу мойки выполняет до конца! Если бы были косяки в "железе", они бы вылезли при выполнении программы мойки. |
Когда ты открываешь дверь посудомойки при включении, прерываешь самодиагностику, не до шим надо проверять, а до драйвера, проверь втулки циркуля еще, пропаяй драйвер и релюшки двигателя, подними электролит и прозвони переходы, я читал STX-RLINK ом. |
|
стопыч
Фанат форума
Сообщения: 3167
|
Литы я сменил. Но и родные исправны. Машиной помыли один раз, и больше года стояла воткнута в розетку. Все в ней чистенькое и новенькое. До драйвера +300в цепь проверял омметром.
Есть с чем сравнить мой дамп? Ну хотя б на корректность считывания? Реле помпы там одно. Переключает две фазы с одного насоса на другой, а третья фаза на оба насоса наглухо соединена. Ну не доходит еще дело до включения теста насосов. Только кнопку включения питания тыц и через 2 сек в ошибку. СТАРТ не нажимал! А тест насосов после нажатия СТАРТ!
ДОБАВЛЕНО 27/01/2018 02:54
В этом STX-RLINK есть в списке STM32P301VCT6? Программа тоже STX-RLINK? Или какая? |
|
|
upetr
|
Я бы скинул прошивку и скрин, но у меня комп не работает, ssd диск вылетел, сижу с ноута с 10 виндой, на который ничего толком не установить, а прога STX-RLINK официальная с сайта raisonance через месяц самоликвидируется и установить повторно никак, без переустановки винды, хотя ты читал с прогой STVP? А в этой проге STX-RLINK когда выбираешь нет этого контроллера. Там проблема скорее в модуле. Я переставлял драйвер и проц с рабочего на модуль с ошибкой F01 по очереди, все равно ошибка осталась. Клиент торопил и я ему рабочий поставил.
ДОБАВЛЕНО 27/01/2018 04:14
Самодиагностика сразу при подаче питания, а не после старта, попробуй зажать включение воткнуть в розетку и сразу дверь открыть, чтобы пропустил тест. Включится или нет. |
|
стопыч
Фанат форума
Сообщения: 3167
|
| Попролую. Отправил в почту. |
|
стопыч
Фанат форума
Сообщения: 3167
|
| upetr писал: | | я ему рабочий поставил. |
Если бы был рабочий...
ДОБАВЛЕНО 27/01/2018 09:08
| upetr писал: | | Самодиагностика сразу при подаче питания |
Тогда при подаче питания, должно щелкнуть реле что бы проверились оба насоса. Надо подслушать и смерить на катушке реле. |
|
стопыч
Фанат форума
Сообщения: 3167
|
Первый раз, с дерганьем дверью, запустилось: стоит, мигает временем выьранной программы сколь угодно долго. Но никаких щелчков реле, рыканий насосов тоже нет. Нажал старт, вот тогда щелканье релюхи, Дырканья насосов, затем несколько работает сливной и открывается клапан набора воды. Не похоже на тест насосов при включении питалова. Похоже, что после СТАРТ тестирует насосы. Как должно на исправной?При включении кнопкой питания, слышны щелчки реле, и дырканье насосов?
При повторной попытке включить пмм, с дерганьем двери, опять Е01. Вошел в тест, выключил пмм и с дерганьем дверкой пмм включилась. Но так же ни щелчков реле, ни дырканья насосами. Только после СРАРТ щелкает и дыркает.
ДОБАВЛЕНО 27/01/2018 10:20
У кого нибудб есть подобная пмм с таким процем? Уточните, при включении кнопкой питания, щелкает, или стоИт и мигает временем выбранной программы?
ДОБАВЛЕНО 27/01/2018 10:28
Драйвер пропаял. Реле переключения насосов пропаял. Не оно.
ДОБАВЛЕНО 27/01/2018 10:37
Только отключивши от розетки на полминуты - минуту можно гарантированно включить пмм, но только с дерганьем дверью. Мож она и низковольтное питание контролирует? И там чего процу не нравится, но тогда при чем дерганье дверкой? Ей бы и в процессе мойки питание бы не занравилось... Надо поблизости исправный модуль, чтоб слить и сравнить прошиву. |
|
стопыч
Фанат форума
Сообщения: 3167
|
|