| Автор | Сообщение |
|
Konsul2000
|
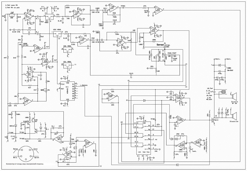
помогите разобраться со схемой. не могу найти причину - генератор плохо запускается с задержкой. Уже была поломка, так же не работал генератор - заменил Q101 и Q102 и все заработало, некоторое время наслаждался работой прибора но не долго музыка играла заметил что не всегда стал запускаться генератор или запускается с длинной задержкой. Q101 и Q102 транзисторы заменил еще раз но на этот раз без результатно. Заметил что если косаться осциллографом эмиттера Q102 то генератор запускается моментально без задержек..? Есть подозрение что U10 глючит или или может в обвязке что-то? заранее спасибо за советы!
схема: http://md4u.ru/viewtopic.php?f=94&t=1123&start=100
| Relic Hawk_.jpg |
| Описание: |
|
| Размер файла: |
256.26 КБ |
| Просмотрено: |
378 раз(а) |

|
|
|
Yuritsh
Фанат форума
Сообщения: 18498
|
| Konsul2000 писал: | | не могу найти причину | Ну если ты не знаешь, что такое тестер - то и не найдёшь.
| Konsul2000 писал: | | Есть подозрение что U10 глючит или или может в обвязке что-то? | Наверное первое. Или второе.  |
|
|
Konsul2000
|
| Yuritsh писал: | | Konsul2000 писал: | | не могу найти причину | Ну если ты не знаешь, что такое тестер - то и не найдёшь.
| Konsul2000 писал: | | Есть подозрение что U10 глючит или или может в обвязке что-то? | Наверное первое. Или второе.  |
а с чего ты решил что я не знаю что такое тестер???! давай договоримся модератор, если у тебя нет конкретных советов то воздержись от своих умозаключений! или Антикоммушистам лишь бы в лужу перднуть..? |
|
II3II
Передовик
Сообщения: 1052
|
Ну так и настройте в режим Q102. В генераторе тр-ры должны быть с высоким Ку.
А вообще это самодел или фабричный? |
|
Yuritsh
Фанат форума
Сообщения: 18498
|
| Konsul2000 писал: | | а с чего ты решил что я не знаю что такое тестер???! давай договоримся модератор, если у тебя нет конкретных советов то воздержись от своих умозаключений! или Антикоммушистам лишь бы в лужу перднуть..? | Пока что в луже пердишь ты. Если не понимаешь намёков, скажу прямо: хочешь отремонтировать - выкладывай какие-либо измерения, результаты проверок.
А пока что: | Konsul2000 писал: | | Есть подозрение что U10 глючит или или может в обвязке что-то? | - это даже для сайта "ответы. майл.ру" тупо. Не говоря уж о техническом форуме. |
|
|
Konsul2000
|
| II3II писал: | Ну так и настройте в режим Q102. В генераторе тр-ры должны быть с высоким Ку.
А вообще это самодел или фабричный? |
прибор фабричный, транзисторы после замены работали безупречно больше месяца, не думаю что у них изменился коэффицент... А в интеграторе у10 не может быть проблемы? Как я понял по схеме он участвует и в запуске..? Или нет? Спасибо за совет. |
|
Yuritsh
Фанат форума
Сообщения: 18498
|
| Konsul2000 писал: | | транзисторы после замены работали безупречно больше месяца | А потом ЧТО с ними случилось? |
|
II3II
Передовик
Сообщения: 1052
|
[quote] после замены работали безупречно [code]
Это не факт, Вы после замены транзисторов форму, искажения, амплитуду сигнала смотрели?
Konsul2000 , вот Вы почему-то хамите модератору, а ведь он прав! Вы простых вещей не понимаете, а он пытается Вам помочь.
Как можно понять причину неисправности, если у Вас нет ни одного замера. Вот об этом Вас и просят Начните с питания, потом промерьте мультивибратор. |
|
|
Konsul2000
|
после замены на TX идиальный синус 11v. он и сейчас имеет идеальную форму без искажений и те же 11v. Питающие напряжения все в норме, в том и проблема что все работает когда прибор разобран на столе, единственное заметно на ТХ появление синуса через 4-5 сек (ступенчатое наростание до 11v) после включения. когда я в поле он чаще всего вообще не запускается. замеры генератора сегодня сделаю.
ДОБАВЛЕНО Июль 22 2015
на счет модератора... "Ну если ты не знаешь, что такое тестер - то и не найдёшь. " надо бы ему поучится с людьми по людски общаться  |
|
|
Konsul2000
|
| уважаемый модератор, если Вы прочитаете первую строчку моего поста "помогите разобраться со схемой" то поймете что я просто просил о помощи в пояснении работы генератора! и схему приложил. помоему это можно было сделать и без тестера или просто промолчать если нет желания для обьяснений. Если все вокруг великие знатоки, зачем тогда форум?? |
|
II3II
Передовик
Сообщения: 1052
|
| Цитата: | | на ТХ появление синуса через 4-5 сек (ступенчатое наростание до 11v) после включения |
Вы понимаете что говорите о "ступенчатом" резонансе, чего быть не может. Резонанс он или есть, или его нет.
Скорее всего проблема с цепями датчика, наверняка с раъёмом (это часто бывает).
Разъём - штука очень коварная, китайская срань практически не работает долго. Может быть советское ВПК, золочёные, те получше. Я в своих самоделах разъём вообще исключил как слабое звено.
Да, а изучать работу схемы на 3-х транзисторах, это Вам лучше на детский форум типа Паяльника или Кота.
При 6 в. питания амплитуда на резонансном контуре около 22-24 вольт, ток 8-10 ма |
|
|
Konsul2000
|
Я может не совсем правильно выразился, на тх синус появляется после прикосновения к ТР102 и имеет не сразу полную амплитуду а видно как амплитуда увеличивается с 5-6 вольт до максимума примерно 11-и вольт. Сейчас попробую с телефона скинуть все замеры. Контакты на штекерах 100% хорошие. С транзисторами все понятно, не понятна работа у10?

|
|
II3II
Передовик
Сообщения: 1052
|
Размах 11 вольт по моему для параллельного контура это мало. Я же Вам написал какие примерно параметры на контуре. Вы за счёт ёмкости прибора запускаете генератор, а он входит в режим за 5 сек.. Там есть неисправность где-то, может и у10, она тоже в запуске участвует. Какие проблемы заменить 074 ОУ ?
Во вторых сам датчик проверить на генераторе - на какой частоте резонанс, а потом сравнить на приборе. |
|
|
Konsul2000
|
074 ОУ на днях заказал, только сегодня получил. сейчас заменю. на счет 11 вольт на ТХ... так показывает осциллограф. генератора для тестирования катушки к сожалению нет  |
|
paronnikov1
Передовик
Сообщения: 1382
|
| Было подобное, при прикосновении ослика, работа возобновлялась. Где то вблизи схемы обрыв высокоомного резистора или пикушки, при прикосновении щупа подсоеденяешь емкость осцил и его входное сопротивление. Попробуй на смех, замерь тестером щуп на корпус, и такой резюк в параллей 100 пф примерно подставь на эмитер и корпус . Но это работа не надежно, нужно искать обрыв, а вы в дебри полезли, в высшую материю( резонансы) Что это, какой космический прибор. Возможно внутри операционника, какой обрыв резистора, замеряй по сопротивлению остальные, не в этом корпусе, сравни. |
|
|
Konsul2000
|
"Что это, какой космический прибор. Возможно внутри операционника.."
это металлодетектор, операционник вчера поменял на новый - результата не дало
ДОБАВЛЕНО Июль 23 2015
[quote="II3II"]Какие проблемы заменить 074 ОУ ?
поменял, все осталось так же, осталось только транзистор G3 поменять остальное уже все заменяно вообще с самого начала у меня было подозрение на конденцатор 0.1мкф между 8 и 9 ногами, если я правильно понимаю схему именно он вместе с U10 участвуют в запуске?? или нет? |
|
II3II
Передовик
Сообщения: 1052
|
| Цитата: | | именно он вместе с U10 участвуют в запуске? |
Так-то оно так, но раз замена результата не дала, можно пока забыть про у10.
paronnikov1 , это не высшая материя, не будет резонанса- не будет генерации. Всё просто.
А амплитуда 11 вольт - явный признак что его нет,
возможно неисправность в датчике. |
|
|
Konsul2000
|
[quote="II3II"]| Цитата: |
А амплитуда 11 вольт - явный признак что его нет,
возможно неисправность в датчике. |
генератор нашел, сегодня протестирую детектор. |
|
II3II
Передовик
Сообщения: 1052
|
Не детектор а датчик. Проверьте на какой частоте ТХ резонирует, если резонирует вообще. Примерную частоту можно узнать из паспорта на прибор, там должна быть указана рабочая частота прибора. Конечно точность там не нужна, реально частота может сильно отличаться от указаной в паспорте, это нормально.
Сейчас можно проверить датчик мультиметром- омическое сопротивление катушек, нет-ли замыканий на экран.
И пожалуйста результаты в студию, не заставляйте вытаскивать из Вас замеры. |
|
|
Konsul2000
|
| II3II писал: | | не заставляйте вытаскивать из Вас замеры. |
да я вроде пока не медлил с ответом омметром замерил катушки : TX-3,5 ома RX-41 ом. рабочая частота прибора 5кГц повесил ТХ на генератор и параллельно осциллограф, изменяю частоту от 1 до 10кГц, видно что амплитуда слегка изменяется но никаких всплесков резонанса нет..? у меня такой вопрос, почему он работает (дает сигнал металла под катушкой) если его запускать прикосновением пинцета? или он работает не в резонансе и не на полную амплитуду? такое может быть?
да, экрана на катушке отдельно нет, там 4 вывода. по два на катушку. |
|