ESpec - мир электроники для профессионалов


Паяльная станция Lukey 852D+, перестал работать паяльник

  Список форумов » Другая аппаратура
На страницу Пред.  1, 2, 3  След.
Следующая тема · Предыдущая тема
АвторСообщение
REKKA 
Фанат форума
Сообщения: 3722
REKKA
 
Сообщение #21 От 17/06/2017 07:52 цитата  

blek1, я хочу узнать процессор
blek1 
Передовик
Сообщения: 1212
blek1
 
Сообщение #22 От 17/06/2017 08:30 цитата  

Ты же сам сказал.что там Атмеги?
БЕЗЫМЯННЫЙ 
Бегущий по граблям
Сообщения: 7608
 
Сообщение #23 От 17/06/2017 09:06 цитата  

blek1, "сказал" совсем не означает "знает"..... щас последует предложение перелопатить все на PIC если там MEGA и наоборот или как минимум СОСЧИТАТЬ КОНТРОЛЛЕР.....
REKKA 
Фанат форума
Сообщения: 3722
REKKA
 
Сообщение #24 От 17/06/2017 09:43 цитата  

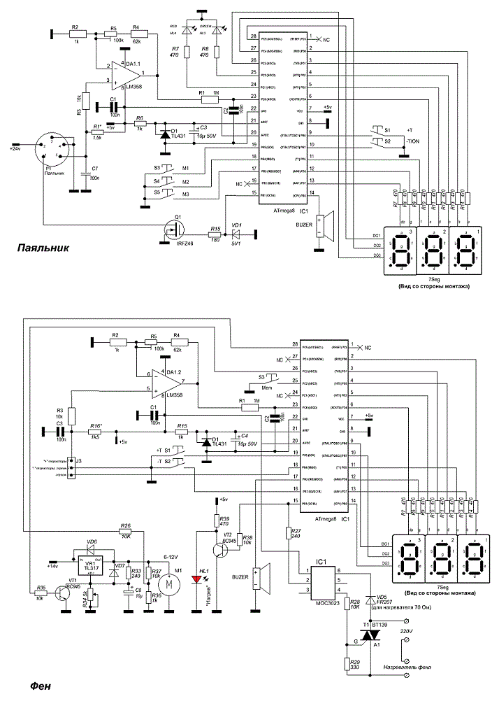
БЕЗЫМЯННЫЙ, нет не последует Не говори чего не знаешь Я схему ищу на АТмегу8 Аффтор у тебя такая?

  4.gif 1.gif  58.38 КБ  Скачано: 1337 раз(а)
Radist Morze 
Завсегдатай
Сообщения: 427
 
Сообщение #25 От 17/06/2017 17:25 цитата  

Всем привет! У меня сейчас ситуация 1 в 1, только станция Lukey 702. В тырнете кое-что нарыл, но до чего-то недопонимаю... https://cloud.mail.ru/public/CmAP/CV2HpyhUh Может, пригодится кому-то.
У меня ситуация следующая: на индикаторе 23 градуса, на 18 ноге 5 вольт, команду а нагрев контроллер не дает, естественно. Нужно наглым образом его спровоцировать, чтобы установить дохлый элемент.
REKKA 
Фанат форума
Сообщения: 3722
REKKA
 
Сообщение #26 От 17/06/2017 17:47 цитата  

-Нужно наглым образом его спровоцировать, чтобы установить дохлый элемент-.няполучится
- на индикаторе 23 градуса, на 18 ноге 5 вольт, команду а нагрев контроллер не дает, естественно.- ищи дефект
rommy 
Модератор
<B>Модератор</B>
Сообщения: 3188
rommy
 
Сообщение #27 От 18/06/2017 22:10 цитата  

БЕЗЫМЯННЫЙ писал:
blek1, "сказал" совсем не означает "знает"..... щас последует предложение перелопатить все на PIC если там MEGA и наоборот или как минимум СОСЧИТАТЬ КОНТРОЛЛЕР.....

прошивки на атмегу (уже допиленные кстати) есть в инете.
Не раз приходилось ремонтить ети паялки.
Иногда может быть покорачивани проводов к паяльнику,может коротнуть изза поврежденной изоляции питание нагревателя на выводы термопары.и 24в пойдёт куда не надо.
Тогда и могла подгореть атмега.
Поетому кабель проверить нужно,и разъём желательно заменить на надёжный.
gnom69 
Передовик
Сообщения: 2069
gnom69
 
Сообщение #28 От 19/06/2017 00:22 цитата  

Ещё раз,НЕТ там AVR ....https://yadi.sk/d/pMgHPn3m3KEwcs IC2 PIC16F883
БЕЗЫМЯННЫЙ 
Бегущий по граблям
Сообщения: 7608
 
Сообщение #29 От 19/06/2017 09:30 цитата  

gnom69, автор в одном из постов утверждал обратное. Как минимум две схемы этой паялки на двух мегах8 давным давно болтаются по сети а на радиокоте и рекомендации по их прошивке есть.
gnom69 
Передовик
Сообщения: 2069
gnom69
 
Сообщение #30 От 19/06/2017 14:02 цитата  

БЕЗЫМЯННЫЙ, Возможно , утверждать нет смысла, можно только в своё заглянуть - что там наворочено.
loop 
Участник
Сообщения: 211
loop
 
Сообщение #31 От 19/06/2017 14:15 цитата  

БЕЗЫМЯННЫЙ писал:
gnom69, автор в одном из постов утверждал обратное. Как минимум две схемы этой паялки на двух мегах8 давным давно болтаются по сети а на радиокоте и рекомендации по их прошивке есть.

Да, да, подтверждаю: http://radiokot.ru/forum/viewtopic.php?f=25&t=44436

Для ТС от туда:


Уверены, что у Вас термопара, а не терморезистор с тонкоплёночным нагревателем? Всего скорей новый нагреватель, Вы убили, перепутав нагреватель с терморезистором. Проверить вход Atmega легче, лёгкого. Отцепить его от ОУ и подать на вход АЦП 0-2,5V на индикаторе должны меняться циферки температуры, вместо нагревателя подключить лампу на 220V.
blek1 
Передовик
Сообщения: 1212
blek1
 
Сообщение #32 От 19/06/2017 18:19 цитата  

Автор темы знает,что у него установлен терморезистор.Он сам об этом писал ранее.
И то,что он это всё неправильно впаял и в измерениях для чего-то соврал-он я думаю уже сам понял чего натворил)
loop-земляк).



Я не пойму,а какая разница в нагревательном элементе HAKKO A1321,как назвать терморезистор,он же не разборный?
Если я назову его термопарой или термодатчиком.от этого,что-то измениться?
В HAKKO A1321 нагревательный элемент 3 Om,а термодатчик 50 Om (примерно,а то ещё будете сверхточными омметрами мерять улыбка )
А,если кто нибудь GND назовёт землёй?
То вы на сайте Котов создадите тему с названием-GND-это не земля!!!не тыкайте щупом в огород)))))
БЕЗЫМЯННЫЙ 
Бегущий по граблям
Сообщения: 7608
 
Сообщение #33 От 19/06/2017 20:47 цитата  

blek1, а теперь к гуглю и пусть он вам объяснит разницу между термопарой и термосопротивлением.
Radist Morze 
Завсегдатай
Сообщения: 427
 
Сообщение #34 От 22/06/2017 13:23 цитата  

И не кончается надуманный спор... Это я о том, какие мозги там стоят. Есть и PIC, есть и AVR! У кого как... У меня плата сделана под Atmega-8, но через переходники установлены PICи. Тоже сдох паяльник, все проверил, все живое. Видать, прошивка слетела. Оптрон и операционник вообще поменял, и на дисплее те же 022. Если бы сдохла термопара, то при нагревании паяльника показания дисплея не изменялись бы. Я нагрел паяльник феном, показания меняются на ура. Кто-нибудь может поделиться прошивкой на PIC?
Кстати, сам паяльник у меня запасной есть, так что вероятность его неисправности равна 0.
loop 
Участник
Сообщения: 211
loop
 
Сообщение #35 От 22/06/2017 14:02 цитата  

Radist Morze писал:
...Тоже сдох паяльник, все проверил, все живое. Видать, прошивка слетела.

Ой, ли.
Radist Morze писал:
...У меня ситуация следующая: на индикаторе 23 градуса, на 18 ноге 5 вольт, команду на нагрев контроллер не дает, естественно. Нужно наглым образом его спровоцировать, чтобы установить дохлый элемент.

С кокого на 18 ноге 5V? В паяльнике, в разъёме стоит перемычка на минус, между 5 и 6 ногой (по Вашей же схеме), пока 18 нога не сядет на минус, команды на нагрев не будет !!! Улавливаешь ход мыслей?
Radist Morze 
Завсегдатай
Сообщения: 427
 
Сообщение #36 От 22/06/2017 15:06 цитата  

loop, хочешь сказать, разъем раздолбаный и перемычка не контачит? Возможно. только я настолько вчитался в посты про то, что там Atmega, что не сразу обратил внимание, что у меня PIC. упс! Соответственно, и 18 нога там не та, то есть, назначение ее, а заодно и напряжение. Пойду сейчас замеряю не на микре, а на плате, внизу переходника.
Radist Morze 
Завсегдатай
Сообщения: 427
 
Сообщение #37 От 22/06/2017 16:31 цитата  

loop, на 15 ноге (т.е. на 5 ноге модуля) 3,9 в, на 18 0, на 23 4,7 мВ. На входе оптопары 1,2 вольта вместо 3, поэтому она не открывается.
loop 
Участник
Сообщения: 211
loop
 
Сообщение #38 От 22/06/2017 17:25 цитата  

Radist Morze, ну раз разобрался с ногами и на них всё нормально, может тупо прошить мегу8 и поставить вместо пика прям в плату. Вот прошивки: http://my-files.ru/cyguyo
Radist Morze 
Завсегдатай
Сообщения: 427
 
Сообщение #39 От 22/06/2017 18:30 цитата  

loop, спасибо, только у меня 702. Да и вообще я с ней разобрался. Работает.
REKKA 
Фанат форума
Сообщения: 3722
REKKA
 
Сообщение #40 От 22/06/2017 18:33 цитата  

Radist Morze, и шо было?

Перейти: 
Следующая тема · Предыдущая тема
На страницу Пред.  1, 2, 3  След.
Показать/скрыть Ваши права в разделе

Интересное от ESpec


Другие темы раздела Другая аппаратура



Rambler's Top100 Рейтинг@Mail.ru liveinternet.ru