| Автор | Сообщение |
|
slavenja35
|
Принесли с диагнозом не видит вызывную панель и в динамике негромкий гул.. Сильно грелась микросхема коммутации которая стоит возле коннекторов на вызывные панели .. поменял микруху и всё заработало кроме микрофона на домофоне .. поставил новую микруху mc34018g и ничего не поменялось((( .. Питание mc34018g в норме 9вольт . микрофон подключен через керамику к девятой ноге . проверил осликом все выводы микросхемы и нигде нет выхода звука с микрофона .. может у кого есть идеи ..схемы нет (((..
| imgonline-com-ua-Resize-9smQtes7rl.jpg |
| Описание: |
|
| Размер файла: |
425.47 КБ |
| Просмотрено: |
341 раз(а) |

|
|
|
FreddikMerfi
Автокран Ивановец
Сообщения: 4088
|
| slavenja35, микрофон то исправен - ничего про него не написал! |
|
skolin
Передовик
Сообщения: 1216
|
| Напряжение на разъеме сколько? |
|
|
slavenja35
|
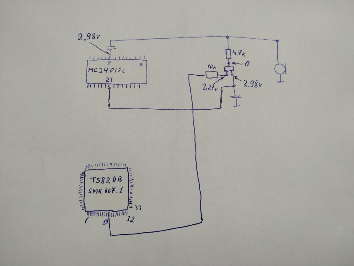
на разъеме 0 в. микрофон менял. транзистор подающий питание на микрофон исправен но на всякий случай тоже менял.зарисовал небольшую часть схемы где указал напряжения.
imgonline-com-ua-Resize-zUkKvBNQabWYFt6p.jpg 116.84 КБ Скачано: 555 раз(а)
|
|
skolin
Передовик
Сообщения: 1216
|
| Ну самому же видно 0. Смотри почему заперт транзистор , попробуй открыть принудительно. Я вот не могу это дистанционно. |
|
стопыч
Фанат форума
Сообщения: 3167
|
| slavenja35, транзистор P-N-P? Проверь не пробит ли Pin19 (TS82...) на плюс питания проца. Меняется ли напряжение на Pin19, при том когда должен включаться микрофон? |
|