| Автор | Сообщение |
|
vlakar
|
|
rommy
Модератор
Сообщения: 3188
|
| Чтоб загорелся трансформатор,это очень редко бывает наверно..Наверно надо его разбирать и перематывать.Другие детали скорее всего есть дохлые. |
|
БЕЗЫМЯННЫЙ
Бегущий по граблям
Сообщения: 7608
|
| А на плате часом других крупных моточных изделий нет? |
|
|
vlakar
|
Выгорели ключи силовые , причем с пламенем и термистор разорвало , плата управления вся в саже . Но боюсь замена ключей не спасет. Там на плате управления пичек стоит и он тоже закопченый , если прошивка слетела - гаплык не найдешь нигде . Плюс импульсник перемотать - гемор с вывариваниями сердечника
Сервисники одни есть , но прошивку не продают , неси починим , естественно по цене нового блока . Чинить конечно не будут , а всучат б\у шный , потому как блок уже снят с производства , с 15минутной гарантией .
Буду искать на Ибее  |
|
power1
Передовик
Сообщения: 1240
|
| Ну а другой какой туда всунуть, питание оно и есть питание. |
|
|
vlakar
|
| Первая мысль у меня тоже была такая же ...- включитть четыре АТХ-совских блока питания последовательно 4х12=48В . Но в этом случае не прокатит , сей блок управляется и обменивается данными по интерфейсной шине с центральным процессором АТС-ки по протоколу RS485 , это ж не простая АТС ка , а для IP телефонии , хоть и не сильно молодая . Из скудных обрывков информации на форумах почерпнул : центральный процессор анализирует напругу ,ток потребления , температуру , скорость вентилятора и выдает команды блоку - включить резерв , перейти на байпас , перейти на аккумуляторы ... В общем наворочали враги империалисты , без бутылки не разберешься и доков - нуль . |
|
power1
Передовик
Сообщения: 1240
|
| Придется рисовать ремонтить, оно того стоит. |
|
|
vlakar
|
Снова , пришел похожий блок на ремонт . Так что тема актуальна !
Принимаются любые наводки : где найти схему.
У меня уже иссяк запас вариантов для поиска . |
|
skolin
Передовик
Сообщения: 1212
|
| На такую ерундовину можно было нарисовать самому не один раз. Максимум час времени. Ну и транс перемотать плевое дело. Витков там не как раньше тысячями а с гулькин х. |
|
|
vlakar
|
Можно и нарисовать , но для этого нужно выпаять из основной платы плату управления с микроконтроллером на борту . Она запаяна под прямым углом к основной плате (на фото плохо видно , темная получилась) , а это всего лишь десятка два угловых контактов , в линию 30 см и запаяна бессвинцовым припоем . Иначе к ней не добраться, с двухсторонним монтажом она .
Ну , а потом можно и схемку набросать .
Но че то не радует перспектива после такой экзекуции отслоившиеся дорожки восстанавливать. Но за совет спасибо !.
ЗЫ
Ту плату , что в заголовке озвучена , я оживил давно.
Это другая , более мощная с похожим конструктивом , пришла через два года . Транс здесь живой . Ну и если уже быть точным , то это не транс , а дроссель коррекции коэффициента мощности
Ну а тема осталась , решил продолжить чтоб не создавать новую. |
|
|
vlakar
|
Для информации. Чтобы понимали что это за зверь и не советовали , типа предохранитель замени...
Схема здесь - полный мост с ШИМкой и драйверами .
Что сделано :
Поменял , ключи , поменял ШИМконтроллер , драйвера верхнего и нижнего плеча , ключ коррекции , смд мелочевку что выгорела ... Включаю через балласт , начинает пилить ...уходит в защиту , затем сброс , снова включение , снова сброс . И так по кругу. Выходные цепи целы .
Вся трудность в том , что здесь реализована куча защит и проверок : по току входному и току нагрузки , по напряжению выхода и скорости его нарастания при переходных процессах , по температуре - аварийное отключение и управление скоростью кулера , по балансировке нагрузок при параллельном включении в стойке , плавный запуск модуля при горячей замене , байпас режим при переходе питания цепи нагрузки на аккумуляторы ну и плюс ко всему еще и коррекция мощности . И всем руководит бортовой контроллер на той самой платке , который в свою очередь управляется по интерфейсной шине данных RS-485 от процессора стойки ...
Такая вот ерундовина попалась , ровно на час работы .
Потому то и схему ищу . |
|
foxter-x
Передовик
Сообщения: 1503
|
| vlakar, да не обращай внимание на skolin, он еще тот художник. У него все просто и он любит рисовать, да так, что народ угорает. Он в глаза наверное не видел таких БП, я бы бы ему дал один из таких, пусть за часик разрисует, но не доверяю его художеству)). А по делу. Схему вряд ли найдешь и все таки часть схемы придется разрисовывать, хотя бы, чтоб понять как что работает и по какой защите отрабатывает. Если хочешь, что бы чем то помогли, выложи состав с измерениями, может у кого будут мысли. |
|
|
vlakar
|
Вот такой конструктив .
Выпаять плату управления без потерь не получится . Можно с отсосом попробовать , но дорожки боюсь не выдержат . Запаяно бессвинцовым припоем , читай оловом .
А потом , на сопли ее вешать , а там около 40 контактов ...
И кварц у проца 80 мгц , тактовая шина на 100% не заработает на соплях . Развязка измерительных цепей контроллера с силовой платой - оптронная
Отдельная эпопея была снять радиаторы ...
ДОБАВЛЕНО Март 01 2021
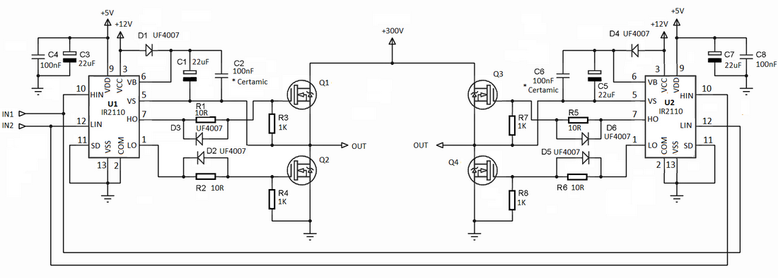
Силовая схема - драйвера с ключами примерно такая как на рисунке , с даташитов и из кусков собрал.
Помогут только сервисники , у кого есть схема или сервис мануал , но похоже ту они не ходят


| 12345.jpg |
| Описание: |
|
| Размер файла: |
248.05 КБ |
| Просмотрено: |
204 раз(а) |

|
IR2110_2.png 129.21 КБ Скачано: 186 раз(а)
|
|
|
vlakar
|
Зарегистрировался на сайте TYCO , зашел в ихнюю библиотеку , ни фига нет по блокам питания . Искал и по модели и по серийному номеру . Только охранная сигнализация , камеры , контроль доступа и прочая дребедень .
https://www.swhouse.com/TechnicalLibrary/TechLibAD.aspx
Решил написать в техподдержку , а мне в ответ :
Форма технической поддержки должна быть отправлена зарегистрированным дилером / уполномоченным персоналом, а у клиента должно быть действующее / действующее Соглашение о поддержке программного обеспечения . Нежно послали .

|
|