| Автор | Сообщение |
|
Визинга
|
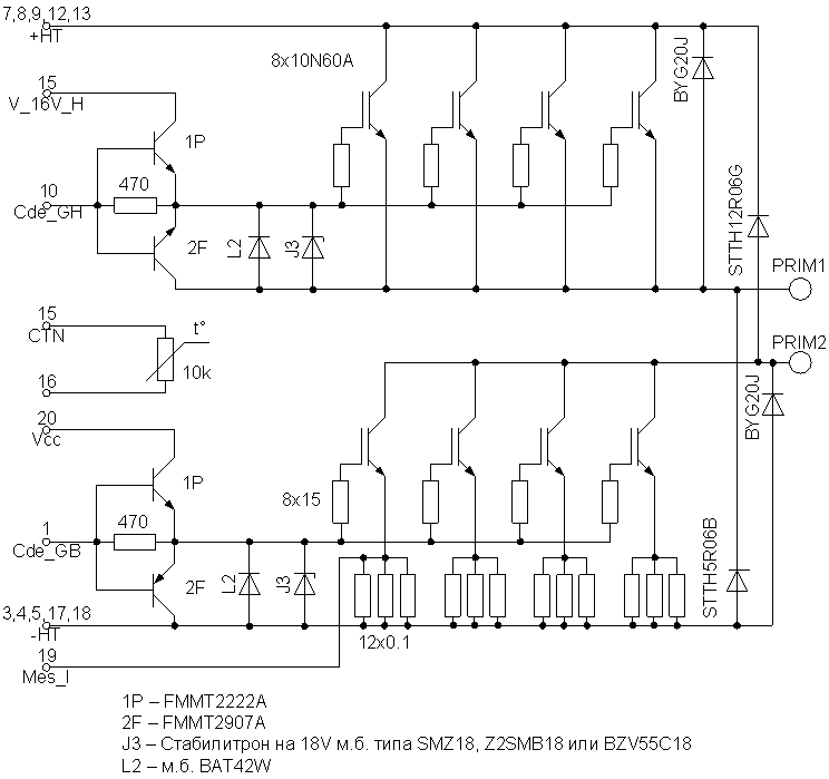
Силовой узел 641 86 ind5 от fubag 163 ? номера 7,8,9,12,13 это +300 v , 3,4,5,17,18 - 300 v PRIM1 и PRIM2 к трансу , 15 ,16, тепловая зашита . 15, 20 сколько вольт ? И возле нумерации буквенные символы , термины как расшифроваться по Русски ?
.png 12.93 КБ Скачано: 207 раз(а)
|
|
birluk
Передовик
Сообщения: 2209
|
| Цитата: | | 15, 20 сколько вольт ? | Так подписано же 16. |
|
|
Визинга
|
| birluk писал: | | Цитата: | | 15, 20 сколько вольт ? | Так подписано же 16. | Подскажете какой сигналь и как расшифровать эти термины на клеммах 1,10,19 |
|
skolin
Передовик
Сообщения: 1216
|
Зачем их переводить на рус-й. Адреса не важно на каком написаны. Подключишь ослика и увидишь какой сигнал или не увидишь.  |
|
Kaskad11
Передовик
Сообщения: 2656
|
| Визинга, 19 - сигнал с датчика тока, 1 и 10 - сигналы управления силовыми ключами. |
|
|
Визинга
|
Спасибо всем , в частности Kaskad11,
Дело в том что , по схеме в нижней плече вылетели все 4 транзистора , и транзистор 1р где клемма 20 вот и хочу знать , прежде причину , потом заменит транзисторы |
|