ESpec - мир электроники для профессионалов


Сушильный шкаф с микропроц. упр-ем/ Включение симистора

  Список форумов » Другая аппаратура

Следующая тема · Предыдущая тема
АвторСообщение
Maxtr 
Заглянувший
Сообщения: 5
 
Сообщение #1 От 05/03/2007 15:45 цитата  

Добрый Вечер!

Прошу вашей помощи. Поступил ко мне прибор, сушильный шкаф с микропроцессорным управлением поддержания рабочей температуры в камере.

Первый раз выгорели по схеме элементы:
R30, R31, R3, R2, R4, R6,R7, не отмеченный на оригинальной схеме полупроводниковый прибор (я его добавил жирным курсивом и сопроводил знаками вопросов), триак, оптопары IS7, IS8, Is9, IS10

Для идентификации неизвестного и не указанного на заводской схеме полупроводникового прибора, он был выпаян, маркировка не читалась, на прозвонку был пробит в обеих направлениях. Для дальнейшего понимания он был распилен пополам и обнаружен, что этот прибор двунаправленный, т.е. имеет структуру такую же как и двунаправленный стабилитрон.

В первый ремонт, я этот неизвестный полупроводниковый прибор не стал устанавливать вообще по причине отсутствия его на схеме, и при этом сушильный шкаф после замены всех вышедших из строя элементов (за исключением злополучного неизвестного полупроводника) проработал около 5 месяцев при практически круглосуточной работе.

Мой вопрос состоит в том, может быть он вышел из строя по причине отсутствия этого неизвестного элемента? Если так, то как его идентифицировать?

Заранее благодарю,

Добавлено 05/03/2007 16:48

Не могу приложить схему устройства недовольство, огорчение
Как это сделать?
Maxtr 
Заглянувший
Сообщения: 5
 
Сообщение #2 От 05/03/2007 17:44 цитата  

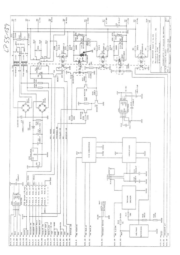
Есть схема, установленный на плате, но отсутствующий элемент находится в районе TY1, отмечен стрелкой и отмечен жирными линиями.

  Scheme_Furnance#.jpg  122.7 КБ  Скачано: 1545 раз(а)
m.ix 
Master Mixa
Сообщения: 1972+
m.ix
 
Сообщение #3 От 05/03/2007 21:58 цитата  

Maxtr писал:
Не могу приложить схему устройства
Как это сделать?

Почитай ВСЁ это
http://monitor.espec.ws/section10/topic75556.html

Перейти: 
Следующая тема · Предыдущая тема
Показать/скрыть Ваши права в разделе

Интересное от ESpec


Другие темы раздела Другая аппаратура



Rambler's Top100 Рейтинг@Mail.ru liveinternet.ru