| Автор | Сообщение |
|
zloddey1524
|
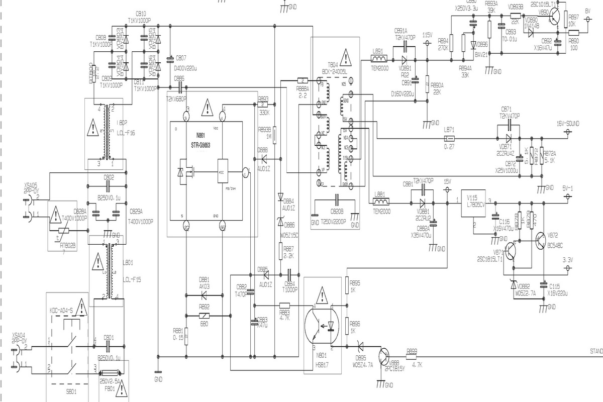
Akai 14CT01 шасси EX-1A1
состав: Центр.проц-TDA9381PSN2/2I1091,тюнер-TDQ586M, память-24С08, кадровая-TDA8356, УНЧ-TDA7057Q, HOT-BU2508DX,БП-STR-G5653
БП ВСК 24005L
При включении со стороны импульсника происходят щелчки
замена STR-G5653, Оптопары ничего не дала прозвонил все диоды вокруг кондесаторы поменял 220мкф х 160В, 470мкфх35В,1000мкфх25В, 220мкфх450В.На входе БП выводах 3 ,4и5, 6 260В.
шасси EX-1A1.jpg 179.19 КБ Скачано: 1276 раз(а)
|
|
Бакум
Рождённый в СССР
Сообщения: 12610
|
| Где измерения,или нам догадаться? |
|
|
zloddey1524
|
на выводах ИБП
ДОБАВЛЕНО 22/06/2012 00:36
простите не так посчитал
ДОБАВЛЕНО 22/06/2012 00:42
на 4 выводе STR-G5653 напряжение меняется от 11,5В до 15В |
|
Yuritsh
Фанат форума
Сообщения: 18498
|
| zloddey1524 писал: | | со стороны импульсника происходят щелчки | Не пробовал зайти с ОБРАТНОЙ стороны?  |
|
KRAB
Распугиватель клиентов
Сообщения: 21704
|
| zloddey1524 писал: | | замена STR-G5653, Оптопары ничего не дала | - корпус меняй ... и динамики! |
|
ninagora
Завсегдатай
Сообщения: 423
|
| KRAB писал: | | корпус меняй ... и динамики! | А если попробовать сменить мастера. |
|
|
zloddey1524
|
ВСЕ ЭТО ОЧЕНЬ ОСТРОУМНО, ФЛУДИТЬ В ДРУГОЙ РАЗДЕЛ ИЛИ САЙТ ИДИТЕ !!!! А Я СОВЕТ СПРАШЕВАЮ!
ДОБАВЛЕНО 22/06/2012 11:47
| ninagora писал: | | KRAB писал: | | корпус меняй ... и динамики! | А если попробовать сменить мастера. | Лучше себе мозг смени!!! |
|
Yuritsh
Фанат форума
Сообщения: 18498
|
| zloddey1524, на выходах измерял что-нибудь? |
|
snoopy
Учу ТВ летать
Сообщения: 3023
|
zloddey1524, Совет то тебе дадут, но при условии, что будеш способствовать! Замеры где??? Неможеш или неумееш, тогда тебе верное направление указали, и необижайся!!! |
|
KRAB
Распугиватель клиентов
Сообщения: 21704
|
| zloddey1524 писал: | | Лучше себе мозг смени!!! | - я не принимаю во внимание советы ДАУНОЛАМЕРОКЛИЕНТОИНТЕРНЕТНОВТЫЧНОРЕМОНТЕРИШЕК! |
|
|
zloddey1524
|
| На входе БП выводах 3 ,4и5, 6 260В.На выходе нет всё по нулям.Меня интересует на входе хватает ли БП для запуска.Если все так и должно быть значит получатся умер импульсник |
|
makeym
Фанат форума
Сообщения: 9737
|
zloddey1524, не лезь туда - где ты полный ноль!  |
|
viktor_ramb
Сам себе начальник
Сообщения: 23833
|
zloddey1524,| Цитата: | | На выходе нет всё по нулям. |
А выходы у тебя не нулевые? |
|
gilan
Модератор
Сообщения: 1748
|
zloddey1524, щелчки, говорите,,, парашютный спорт явно не для вас  |
|
|
zloddey1524
|
блин я вижу здесь у всех острые языки, а делом блин никто не посоветует.
ДОБАВЛЕНО 22/06/2012 20:42
здесь люди опытом делятся и совета просят |
|
Yuritsh
Фанат форума
Сообщения: 18498
|
| zloddey1524 писал: | | здесь люди опытом делятся и совета просят | Но всё это, похоже, не про тебя. Поэтому, переезжаем в более подходящий раздел.
 |
|
viktor_ramb
Сам себе начальник
Сообщения: 23833
|
zloddey1524, | Цитата: | | здесь люди опытом делятся |
Ты то чем делишься? Ламерством? |
|
Yuritsh
Фанат форума
Сообщения: 18498
|
| zloddey1524 писал: | | получатся умер импульсник | Если под словом "импульсник" ты имеешь ввиду ТПИ, то уже понятно, сколько ТВ ты отремонтировал.  |
|
|
zloddey1524
|
я не мастер раньше немножко занимался ремонтом для себя. я делаю свой телек.
ДОБАВЛЕНО 22/06/2012 21:41
а вместо того чтоб посоветовоть, занимаетесь обсирательством.
ДОБАВЛЕНО 22/06/2012 21:43
ну и после этого какой вы модератор Yuritsh?Таких модераторов гнать надо.......? |
|
Yuritsh
Фанат форума
Сообщения: 18498
|
Да что же тебе можно посоветовать, родимый, если ты даже не знаешь, что проверять? Ты вторички проверил?
| zloddey1524 писал: | | ну и после этого какой вы модератор Yuritsh?Таких модераторов гнать надо.......? | На нашем форуме, этим вопросом как раз вплотную занимаются такие недоумки, как ты. |
|