| Автор | Сообщение |
Krievs
Завсегдатай
Сообщения: 327
|
|
Lenchik
Фанат форума
Сообщения: 7937
|
Выше я обещал рассказать как работает регулятор ПИД. Надо сказать такие регуляторы появились задолго до появления микроконтроллеров. Были даже ламповые. Правда я их плохо знаю. Я как раз и менял ламповые регуляторы на полупроводниковые.
На прошлой странице зеленым цветом нарисовано как работает такой регулятор. Трехэтажные формулы вы сами найдете без труда.
Попытаюсь объяснить как устроен аналоговый регулятор ПИД. Устроен он до безобразия просто. Как и по теории у него три канала, пропорциональный, интегральный, и дифференциальный. Все работают параллельно. На входе стоит дифференциальный усилитель который сравнивает текущий параметр с заданием, в данном случае температуру. Разностный сигнал подается на сумматор из трех резисторов. Сам сигнал регулируется подстроечником, это и есть коэффициент пропорциональности P.
То есть чем больше расхождение между уставкой и реальным положением вещей, тем мощнее сигнал. Это позволяет при больших отклонениях быстрее вернутся к заданному параметру, а на подходе снизить скорость, что бы не проскочить уставку.
Интегральный канал состоит из конденсатора большой ёмкости и резистора через который подан тот же самый разностный сигнал. Резистор регулируется. Тем самым меняется постоянная интегрирования. Если строго по теории, то надо бы превратить напряжение рассогласования в ток и этим током заряжать и разряжать конденсатор. Но в реалии все проще. Работало оно конечно не совсем по науке, зато просто. Суть канала интегрирования в том что отклонение от параметра как бы суммируется. Например идет перегрев на пять градусов, канал I будет постоянно и линейно увеличивать своё значение, пока не компенсирует отклонение. Причем после того как параметр войдет в норму, конденсатор так и останется заряженным. Это как раз и позволяет компенсировать например отклонение напряжения питающей сети. Если у вас температура не дотягивает до нормы, параметр можно увеличить, если пролетает, уменьшить.
Ну и дифференциальный канал. Этот канал меряет производную, скорость изменения параметра. Конденсатор стоит последовательно, а регулировочный резистор к массе. Если параметр уходит медленно, то сигнала с этого канала почти нет. Если отклонение происходит быстро, то сигнал максимален. Это типа ускоритель. В случае паяльной станции и ступенчатого задания он скорее замедлителем будет. Температура стремится к заданной а не на оборот. Можно его увеличить, если хотите более медленного нарастания температуры.
Если вы приобретаете регулятор, то обязательно убедитесь что выход у него заточен под нагреватель. Суть в том что регулируют не только температуру. Регулируют например уровень воды в резервуаре. Стоит задвижка с реверсивным мотором. Мало воды, крутится в одну, сторону, много в другую, в самый раз, мотор стоит.
Если такой регулятор подключить к нагревателю, то по достижению заданной температуры нагреватель отключится. Настроить конечно можно, но работать будет криво. ПИД регулятор для нагревателя должен регулировать не мощность, с скорость изменения мощности. Уставка совпадет с текущей температурой, нагреватель должен быть не отключен, а зафиксировать мощность на текущей. Идёт перегрев, регулятор должен по немногу сбрасывать мощность, тем быстрее, чем больше перегрев. Идёт недогрев, регулятор должен увеличивать можность.
Спросить бы у торментатора что у него регулирует его контроллер, мощность или скорость изменения мощности? |
|
Krievs
Завсегдатай
Сообщения: 327
|
Измерил мощу паялки.Напряжение в сети ровно 223 В.Итого:низ на пике=938.83 ВТ.Низ + Верх на пике(2-я ступень)=1538.7 ВТ. Чистая мощность верха=1155.14 ВТ.
| Andy52280 писал: | Кстати, Krievs. Таки получается, что мощность низа у Вас 950Вт. Как и в моем эксперименте с 4х3последовательных_Санал_400Вт. Попробовал такие же лампы. От моих Саналов отличаются более низкой температурой трубок и более равномерным прогревом к краям (опять геометрия?). Спираль там одинарная, просто с циклично-переменным углом сгиба.
. | ..что тут сказать..снимаю шляпу 
| Низ_938,83_ВТ-2.jpg |
| Описание: |
|
| Размер файла: |
246.81 КБ |
| Просмотрено: |
346 раз(а) |

|
| Низ+верх_1538.7ВТ-2.jpg |
| Описание: |
|
| Размер файла: |
270.05 КБ |
| Просмотрено: |
320 раз(а) |

|
|
|
Lenchik
Фанат форума
Сообщения: 7937
|
| Об чем и разговор, что полтора киловатта низ это с запасом на падение напряжения в сети и другие невзгоды. А если мощнее, то придется ограничивать скорость нагрева дополнительными причиндалами, аппаратными или программными. Зачем козе баян? |
|
|
densio
|
Прошу помощи станцию сделал но силовой блок пропускает тоисть если контролер не включен или включен силовой блок пропкскает 220 на нагреватели и они весь час греют
Схема LDZ |
|
|
Andy52280
|
| Если даже при выключенном контроллере лампы греют - не пробиты ли ключи? Нет ли КЗ в разводке? Попробовать вместо нагревателей обычную лампу накаливания, чтоб не жечь электроэнергию зазря и не пыхать жаром на время наладки. |
|
Krievs
Завсегдатай
Сообщения: 327
|
| densio писал: | | ..но силовой блок пропускает тоисть если контролер не включен или включен силовой блок пропкскает 220 на нагреватели и они весь час греют | Елы-палы..ну уважайте других участников форума,себя и-вот именно-Русский язык.Ваш вопрос без гугл-транслита или 250 грамм и не понять..
ЗЫ: а по существу,Andy52280 прав-копайте силовую чазть.. |
|
Lenchik
Фанат форума
Сообщения: 7937
|
| Симистор подключают через жопу а потом удивляются. Если вам влом управлять симистором через импульсный трансформатор, то поставите между катодом и управляющим электродом резистор. А то поставят один оптрон, а потом руками разводят почему так работает. |
|
vladimersv
Завсегдатай
Сообщения: 383
|
densio проверьте ещо раз монтаж
вот вам схемки подключения
и проверьте отключив оптопару от процесора - будет ити нагрев или нет (возможно на процесоре выход битый )


|
|
Lenchik
Фанат форума
Сообщения: 7937
|
| Вот я том же. Некоторые очень "талантливые" умельцы не ставят резистор R2. Нагретый семистор начинает самоткрываться. |
|
Krievs
Завсегдатай
Сообщения: 327
|
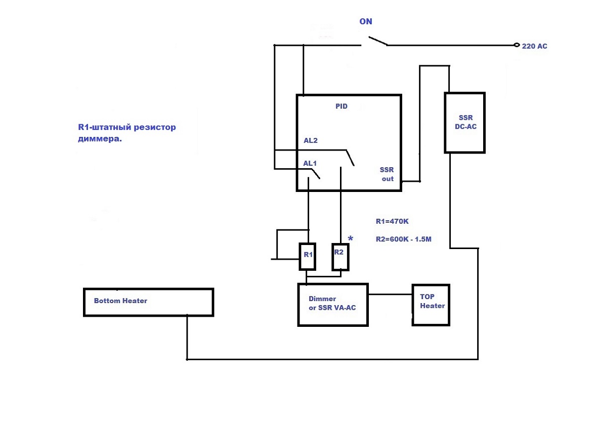
Вырисовался еще один способ управление,немного отличный от того,что приводил в пред.посте-более удобный,на мой взгляд.На днях накропаю в том-же пайнте схемку..А пока пару фоток крепления керамики к к основанию-полагаю,все понятно Хех..больше фоток не разрешают добавить-лишнее отрезал болгаркой
ЗЫ:цена вопроса меньше 3 ейро..
Вот,версия 2.0 управления на двух REX-100,например.Может мне и нефиг делать...но эти ПИДы уже около 12$ можно найти.За 25$ получаем полноценное управление и полную автоматику.
Кнопки пуск-стоп-ручное управление не рисовал. Там все стандартно.
]Добавлено 24.05.2014
Вижу,схемы управления активно просматривают,решил чуть добавить неочевидное преимущество:
при любом из способов управления риск угробить чип - минимален.Почему?Все просто:-):Допустим,пропал/ухудшился контакт датчика ВИ...что произойдет?-ВИ сначала(достаточно быстро) снизит мощность а при дальнейшем падении температуры на датчике и вовсе отключиться-в варианте с 1 ПИДом,как у мну сейчас .В других надо отдать управление резисторами 2-му ПИДу по выходам AL1,AL2 и отключения питания управляющим выходом ПИДа(relay out).Возможны и другие варианты.
ЗЫ:кто не сообразил почему-распишу подробней,если есть интерес.А то я тут тихо сам с собою....веду беседу ..
..да,это и для низа просто организовать..ток нужны оба ПИДа с 2-мя выходами "аларма"...
| Ceramic_heater_mount_bracket-2.jpg |
| Описание: |
|
| Размер файла: |
382.94 КБ |
| Просмотрено: |
407 раз(а) |

|
| Ceramic_Preheater-2.2.jpg |
| Описание: |
|
| Размер файла: |
383.53 КБ |
| Просмотрено: |
418 раз(а) |

|
Управление 2 ПИД_V2.0.jpg 59.3 КБ Скачано: 683 раз(а)
|
|
|
densio
|
схема от ldz
irsoft ver 2.14 не видит паялку
макс232 робочий терминалом проверял |
|
vladimersv
Завсегдатай
Сообщения: 383
|
densio причин может быть много , наводка по проводам и на макс232 , нехватает уровня сигнала с атмеги или на неё .
(там ещо от номинала кварца зависит качество связи , и настройки самого порта ) |
|
|
densio
|
Посоветуйте ПИД для паяльной станции
Контроллер от LDZ не проходит |
|
vladimersv
Завсегдатай
Сообщения: 383
|
LDZ отлично работает в паялке ,как и от торментора . при нормальной настройке .
без настройки неодин пид небудет нормально работать.
если самоделки неподходят - то ТРМ151 ,но опятьже надо настройка всего.(порядка полсотни прогона профеля для нормальной отстройки ,да и потом ещо коррекцыя в процесе работы )
такого чтоб воткнул и само всё запустилось и начало греть как надо - вобщемто несуществует.
что за нагреватели такие странные что Контроллер от LDZ не проходит ?
проще тогда с димерами поэксперементировать.посуществу ПИД и нафиг ненадо паялке . |
|
Krievs
Завсегдатай
Сообщения: 327
|
| densio писал: | Посоветуйте ПИД для паяльной станции
Контроллер от LDZ не проходит | После нескольких месяцев юзания смело могу рекомендовать попробовать управление как у мну:простота исполнени и настройки,дешевизна.Ну если уж не понравиться купите Овен.~20$ не затраты.Понравится-добавите 2й ПИД и получите 100% автоматику.И хотя уже готовы 3 и 4 версия управления на 2х ПИДах свою блок-схему еще не приводил.Да,контроль Т°C возле чипа-отдельным термометром с выносной термопарой.Можно купить с сигнализатором-полно на ибэе и али~12$.Ну и выше я отписывал-риск получить "пузыри" на чипе стремится к 0..
Коротко о настройке:
-Кладем на паялку "средненькую" плату.Я брал мАТХ.
-Настраиваем низ сначала запустив автонастройку ПИДа.После,скорее всего,потребуеться небольшая коррекция коэффицента Р (достаточно,как оказалось) в сторону уменьшения для более плавного выхода на уставку(у мну 165°C,датчик сверху платы) ~300сек.
-Переменным резистором диммера добиваемся скорости нагрева ВИ 0.2-0.3°C/сек и подбираем температуру срабатывания AL1 (у мну 135°C)так,чтобы при выходе на уставку НИ(165°C)Т возле чипа была в районе 200°C.
-Срабатывание AL2 при выходе на уставку .Подбором резистора R2 добиваемся скорости нагрева ВИ 0.5-0.6°C/сек.
Все,вот он заветный термопрофиль для плат любых размеров.Незначительно изменится только время преднагрева.Если запаиваем "свинцовый" чип-жмем выключатель при срабатывании AL2.

Управление 1 ПИД_V1.0.jpg 63.26 КБ Скачано: 731 раз(а)
|
|
|
Morlock
|
| В последнее время стал задумываться об обвесе своего контроллера блютуз плюшками и грахвиками, но пока это только прожекты. |
|
Krievs
Завсегдатай
Сообщения: 327
|
|
|
Morlock
|
Та не - у моего контроллера, на STM, есть кросс-плата, где добавлен сам модуль блютус. Всё никак не куплю его и не запаяю.
Тут жыж торментор замахнулся нехило: 4 термопары, блютус... но вот только ПИД нихрена нормально не отрабатывал, поэтому я его настроил в старт-стопе и уже ХЗ сколько он так работает. Вылет температуры в пределах 6-7грд. |
|
Krievs
Завсегдатай
Сообщения: 327
|
| Morlock писал: | Та не - у моего контроллера, на STM, есть кросс-плата, где добавлен сам модуль блютус. Всё никак не куплю его и не запаяю.
Тут жыж торментор замахнулся нехило: 4 термопары, блютус... но вот только ПИД нихрена нормально не отрабатывал, поэтому я его настроил в старт-стопе и уже ХЗ сколько он так работает. Вылет температуры в пределах 6-7грд. | Пнятна.У мну вылет по низу 2-3,по верху 1-2.Хотя,ИМХО,по низу вылет вообще не критичен:просто соответственно изменить Т уставки и все.
red.sofrina |
|