| Автор | Сообщение |
|
maxlabt
|
Krievs, по моему вы путаете спектр пропускания и спектр собственного излучения. По моему это разные вещи. Да, согласен, что излучение длиной более 4 мкм кварц вроде хуже пропускает, но... я имел ввиду вторичное излучение самой кварцевой трубки, которое имеет значительно более длинноволновой спектр. Можете тут почитать http://www.rom.by/forum/Samodelnaya_IK_payalnaya_stanciya_chast_7?page=9
А то что открытая спираль способна выдать, так это по воде вилами... Как зачерним и на какой Т будем работать, такой и спектр будет. Примерно, при Т нагревателя 300-400*С пик спектра и будет как раз на 4-4,5 мкм, хотя сам диапазон будет шире. Т.е. вся более длинноволновая часть излучения будет именно за счет стекла, которое желательно еще и сделать матовым. Как раз для этого и стремлюсь к увеличению удельной мощности и соответственно понижению температуры нагревателя. |
|
|
Вася Писин
|
| maxlabt, Вы пользуетесь ВИ с открытой спиралью, диаметр нихрома 1,2 мм.? |
|
|
maxlabt
|
| Нет, у меня верх кварц, 1 кВт. Спираль плотно сидит в трубках. 7 трубок диам 8 мм. Излучающее окно 56х56 мм. Довольно высокая удельная мощность. |
|
Krievs
Завсегдатай
Сообщения: 327
|
| maxlabt писал: | | Krievs, по моему вы путаете спектр пропускания и спектр собственного излучения. По моему это разные вещи. | Ну,по большому счету-нам без разницы.Что нам нужно от излучателя?Максимально возможная длинна волны при достаточной мощности.Согласны?Теперь:"длинна волны излучения зависит от Т нагретого тела".С этим тож разногласий не будет,полагаю.НО(!)-чуть отвлекусь-почему невозможно загореть под стеклом?-да просто оно не пропускает УФ спектр...и хоть в Африке его пристраивай,хоть в Антарктике...Так же и наш случай с всеми любимым кварцем:собственно имеем 2 составляющих ИК-коротковолновое от спирали-~1.2мкм и более длинноволновое от нагретой спиралью трубки~4,2 мкм.При этом имеем совершенно разную Т спирали(~750°,наше любимое малиновое свечение) и Т трубки(~350°).Вроде бы логично-снизить Т спирали до...ну 500° и получить большую длинну волны...но(!)(вспомним пример со стеклом)-ну не пропускает кварц волны длиннее 4,2 мкм(по другим данным до 4,65).Так что ,в случае с кварцем,именно это и служит тому,что все и добиваються именно оптимальных значений-"малинового" свечения.Другое дело открытая спираль-тут поле непаханное..И,кстати,окисление нихрома(Вы это имели ввиду под "зачернением"?)как и "матовость"-"шероховатость" трубки-влияют исключительно на КПД нагревателя и никак на спектр.
С уважением,и протчая... |
|
|
Вася Писин
|
Информация для любителей ВИ с открытой спиралью.
Размер рабочего окна 50Х50 мм.
Спираль диаметр 1,2 мм. сопротивление 5,0 ом. напряжение при котором в темноте почти не просматривается спираль 50 вольт.
Без регулятора при стабильном напряжении, на расстоянии 45-50 мм. легко снимаются ЧИПы с плат. Тепловая мощность при 50 вольтах явно в избытке.
В качестве эксперимента подавал кратковременно 100 вольт, конструкция позволяет это делать, но тепла ну очень много и этого точно не нужно.
 |
|
Krievs
Завсегдатай
Сообщения: 327
|
| Вася Писин писал: | Информация для любителей ВИ с открытой спиралью.
Размер рабочего окна 50Х50 мм.
Спираль диаметр 1,2 мм. сопротивление 5,0 ом. напряжение при котором в темноте почти не просматривается спираль 50 вольт.
Без регулятора при стабильном напряжении, на расстоянии 45-50 мм. легко снимаются ЧИПы с плат. | Мои Судя ,что "в темноте почти не просматривается спираль"-Вы достигли оптимального длинноволногого спектра. |
|
|
Вася Писин
|
| На этом, пожалуй, эксперименты с верхом закончу, при наличии свободного времени займусь низом. |
|
|
Александр Бор
|
Доброе утро уважаемые форумчане. Мой эксперемент. Трубка из галогенки "космос'. Диаметр спирали(на оправке) на 0,2 мм. меньше трубки. Что сделал не так?

|
|
|
Andy52280
|
| Галогенка - не керамическая трубка и даже не кварцевая. Обычное термостойкое стекло. Дешево и сердито. Потому же и прогорает при заляпывании отпечатками пальцев. А с самой раскаленной спиралью в лампочке стекло не соприкасается. А тут оно ФНЕЗАПНО соприкоснулось. Ну и все. Разнесло. Резкий нагрев и вдобавок физический напор меньшей по диаметру спирали на стекло. |
|
|
Александр Бор
|
| Находил статью в инете,писали что лампы делают из кварца, хотя реч шла возможно о фирменных.У китайцев наверно не кварц. Спасибо за разъяснение. Буду пробовать открытые спирали. |
|
|
Вася Писин
|
Приступил к изготовлению нижнего подогревателя..
Стол из алюминия толщиной 10 мм. размер 300Х400 мм.
нагреватель- 3 штуки по1.5 квт
 |
|
Krievs
Завсегдатай
Сообщения: 327
|
| Вася Писин писал: | Приступил к изготовлению нижнего подогревателя..
Стол из алюминия толщиной 10 мм. размер 300Х400 мм.
нагреватель- 3 штуки по1.5 квт | Я с большим уважением отношусь Вашему ...но 4,5 КвТ на низ..-алюминий в топку,ИМХО. |
|
|
YX-360TR
|
| ихо такую плиту будет гнуть.. как столы от Магистра... у Термо-Про по этой причине плита 340*240 из 2х 170*240 половинок сделана.. да и удобней так.. я всё чаще только пол-стола использую, платы большие редко попадются в последнее время.... но у ТехноАльянса появились "монолиитые большие люминевые столы, общался с инженером когда.. сказал что решили эту проблему, но как - "коммерческая тайна" ))) Может со стороны нагревателей фрезой прошлись вдоль, сделав таки образом "рёбра жесткости" ? Кто рубит по "сопромату", может скажите своё мнение? |
|
|
Вася Писин
|
Krievs, я уверен в том, что все будет ОК. на макете уже все откатано Процесс изготовления буду выкладывать здесь. |
|
Lenchik
Фанат форума
Сообщения: 7937
|
| Если края сделать со скользящим креплением, то может и нее изведет. Ну если начнет изводить, то можно и пропилы от края к центру сделать. По паре сантиметров. |
|
|
Александр Бор
|
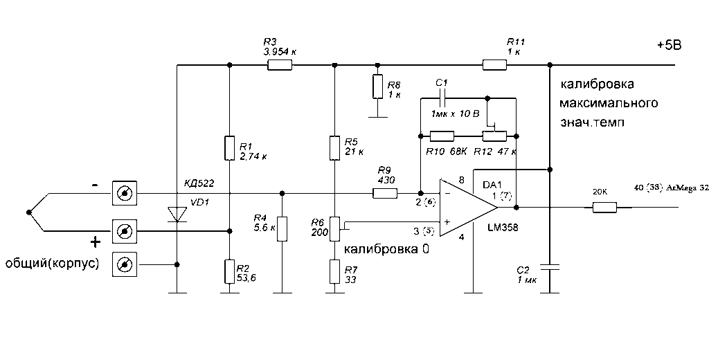
Уважаемые! Кто далал контроллер от LDZ с такой схемой усилителя термопар. Конденсатор С1 полярный ? Экранированы ли провода термопар? Последовательность настройки, и стабильность в работе. С уважением Александр.
ДОБАВЛЕНО 24/05/2015 07:04
схема
Схема 2.PNG 5.11 КБ Скачано: 521 раз(а)
|
|
|
mobilen
|
Доброго дня.
Имеется три вот таких штуки советского производства:
[img]
По спецификации- кварцевые трубки.
Нить- вольфрам (как такое может быть?? трубки не герметичные! Вольфрам-то испаряется, по идее).
Мощность 1 квт.
Стоит ли с этим возиться и что-то изобретать?
Насколько близко их можно друг к другу перенести для равномерности нагрева? |
|
Krievs
Завсегдатай
Сообщения: 327
|
| mobilen, Полагаю,на все вопросы,даст ответ только Его Величество ЭКСПЕРИМЕНТ.Пробовать надо,однако.А "испарить" можно и кварц-при определенных условиях. |
|
Streik
Завсегдатай
Сообщения: 476
|
mobilen, Это же советская ИК станция, осталось приделать Российский супер ПИД и грести бабки лопатой!!!
А если серьёзно не указали размер рабочей поверхности, нить можно заменить, включать попарно последовательно может нехватить мощности, тогда точно придется менять спераль.
Коллеги вам не кажется что пора создавать ещё одну тему парралельно - "ИК нагреватели, выбираем из подручного материала" |
|
|
mobilen
|
Ценю ваш юмор). Сам не дурак поржать)).
Если конкретно, внешний диаметр стекла 1.2 см.
Расстояние в стоке 1.8 см.
Жарил лист А4. Крайне неравномерно. (Причем, распределение весьма непонятное. Где-то на спирали, где-то между нагревателями больше. Отражатель так, что ли, работает..)
Но вот, что посчитал.
Если сделать расстояние 1.2 см между трубками, то выходит около 30 см суммарно. И длина трубки 24. Маловато для материнок, или, так скажем, впритык прям совсем.
Средний размер плат ноутбучных и десктоповых матерей не подскажете?
И почти в тему:
имеется китайщина термометр цифровой DM6802B с двумя термопарами.
В лед суешь - ноль показывает.
В кипящую воду- 96. Нелинейная фигня абсолютно. (Читал, что вода может изменять проводимость. Чему верить- хз).
Нормального термометра нет, чтобы откалибровать.
Как с ним бороться? |
|