| Автор | Сообщение |
SVictCh
Иностранный агент
Сообщения: 1382
|
Шасси A02.E
SSB:
PNX3002E/N302
K4S641632H-UC75
M58LW032C
24C64AN
PNX3000HL
ТДКС-13929029A C07
Кадры-TDA8177
Тюнер-UV1316E/A I-4
Со слов клиента, ребенок играл сетевой кнопкой, включая\выключая аппарат. После очередного щелканья ТВ перестал включаться, даже в дежурку. Это шасси встретилось впервые, хорошо, инфы по нему в инете достаточно. Проверил на короткое (без выпайки) HOT, транзистор коррекции, вторички с ТДКС: питание кадровой и ВУ. Явных КЗ не нашел. Оба питателя принудительно стартуют. Со снятым SSB перемыкал Б-Э 7529, щелкает реле позистора, на лампе100Вт появляется 141,1в. Питание УЗЧ тоже есть, 30,5в. Низковольтный питатель проверил замыканием Б-Э 7132. На разъеме SSB с принудительно запущенным питателем (в скобках – номинал):
40 – 5,21в (5,2в)
43 – 7,84в (8в)
45 – 5,21в (5в)
44, 46, 47 – 3,32в – (3,3в)
Вставляю модуль на место, включаю – всё глухо, молчит. На 40-й ноге 5,13в, на 44-й – 3,32 есть. На 36-й (standby) – 1,2в . Судя по всему, сдох SSB (?). Имеющие опыт с этим шасси, поделитесь – это то, на что я думаю? Не упустил ли чего, или клиенту готовиться к худшему? |
|
MASTER+
Фанат форума
Сообщения: 3299
|
| SVictCh писал: |
Вставляю модуль на место, включаю – всё глухо, молчит. |
SVictCh - прозвони питания на SSB - найди цепь кз, запитай блок со стороны. |
|
SVictCh
Иностранный агент
Сообщения: 1382
|
| MASTER+ писал: | | SVictCh - прозвони питания на SSB - найди цепь кз, запитай блок со стороны. |
Со вставленным SSB есть 3,3 и 5в, а восьми и не должно быть, пока он не включится в РР. Ты про какое КЗ? |
|
MASTER+
Фанат форума
Сообщения: 3299
|
| SVictCh писал: | | Ты про какое КЗ? |
Про молчит.
Значит красный индикатор не горит?
Память, флэшь.
Шины смотрел? |
|
SVictCh
Иностранный агент
Сообщения: 1382
|
| MASTER+ писал: | Про молчит.
Значит красный индикатор не горит? |
Светодиод не горит.
| MASTER+ писал: | Память, флэшь.
Шины смотрел? |
Сейчас посмотрю.
ДОБАВЛЕНО 07/11/2010 23:04
На 24С64 (SDA, SCL) постоянка 3,3в, обмена никакого нет. Проц BGA-шный, под него не подлезть, как посмотреть генерацию, и где - хз... |
|
makeym
Фанат форума
Сообщения: 9737
|
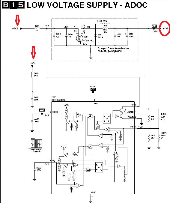
SVictCh, посмотри 
5.JPG 91.52 КБ Скачано: 2504 раз(а)
|
|
SVictCh
Иностранный агент
Сообщения: 1382
|
| makeym, на 7651 приходит 5,1в, с него - 1,8в. На 7650 (6 нога) 3,3в есть. |
|
SVictCh
Иностранный агент
Сообщения: 1382
|
| Заказал SSB, поставил, выставил опции, баланс и геометрию. Всё ОК. Отдельное спасибо Валентинович-у за присланный модуль. |
|

|