| Автор | Сообщение |
kulek
Передовик
Сообщения: 1250
|
ребята спасайте!
у кого есть возможность снять код с бродилки по меню? |
|
|
RC
|
|
|
AlexM
|
RC, Увы ничего не получил , может просто выложите здесь. |
|
kulek
Передовик
Сообщения: 1250
|
AlexM, счас намылю  |
|
|
RC
|
|
|
AlexM
|
| RC писал: | Видимо все еще КГБ действует , |
Только вопрос чьё ?
Спасибо! Посмотрел. Теперь ясно, что пульт от новых ТВ не подойдет, там код клавиши MENU – [160]. |
|
kulek
Передовик
Сообщения: 1250
|
| Первое на что обратил внимание микра IX0733PA = M50461-056FP |
|
|
RC
|
Равняется только для конкретнего приложения.
kulek, оригинальная микра именно IX0733PA.
M50461-056FP ето "заменник" у которого протокол по которого работает и матрица кнопок зависить от номер записи 056.
На ней нельзя уповатся, тем более что и корпус другой. |
|
kulek
Передовик
Сообщения: 1250
|
Вот нашел схему пульта G0739BMSA на микросхеме IX0733PA
Добавлено 24-05-2004 00:31
Не совсем понятно куда кнопка MENU в матрице поместилась в этом пульте.

G0739BMSA.gif 76.75 КБ Скачано: 1575 раз(а)
|
|
kulek
Передовик
Сообщения: 1250
|
не могу найти какие лапы в микросхеме замкнуть, чтобы получить код
" menu".
Предпологаю , что диоды где то лепить нужно...
Вот из этого пульта пытаюсь слепить...
G1014.jpg 17.25 КБ Скачано: 1534 раз(а)
|
|
|
RC
|
kulek, что бы ответить на твой вопрос:
| kulek писал: | не могу найти какие лапы в микросхеме замкнуть, чтобы получить код
" menu". |
нужно раздобыть Datasheet на ориг. микрух применяемые в пультах Sharp-a
IX0733, IX0173, чтобы посмотреть что и как.
Я могу сделать тебе такой пульт, только как тебе его отправит  |
|
kulek
Передовик
Сообщения: 1250
|
Помогите пожалуйста с даташитом на эту микру (либо схему пульта G1052BMSA )
RC, с переправкой пульта я тоже не знаю как сделать  |
|
|
AlexM
|
| kulek писал: | | Помогите пожалуйста с даташитом на эту микру |
ИМХО, очень мало шансов , что такой даташит удасться найти. Возможно это вообще заказная микросхема. |
|
|
Генчик
|
| kulek, я купил для своего Шарпа 70ES-14S пульт RC776 от HQ. Он подходит на большое количество испанских моделей, возможно и на твой тоже. Во вторник я спрошу у своего поставщика, подходит ли он на твой. |
|
kulek
Передовик
Сообщения: 1250
|
Генчик, пульт насколько я понял редкостный (как и модель этого шарпа).
4 кнопки этого пульта вообще не понятно как сделать (меню и управление PIP-ом)...
Мне бы меню найти...хрен с этим пипом...
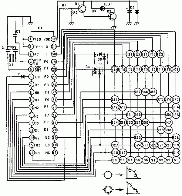
AlexM, а как насчет M50461-056FP ? и что это такое adr1 и adr17 ? |
|
|
AlexM
|
| kulek писал: |
AlexM, а как насчет M50461-056FP ? и что это такое adr1 и adr17 ? |
Команда пульта ТВ Шарп состоит из двух 16 битных посылок . Посылка состоит из адреса (первые пять бит ) и самой команды 8 бит и ещё два бита в конце посылки. Во второй посылке команда передаётся инверсным кодом. Для примера команда MENU, adr 1, код 160.

|
|
|
kvazik70
|
| Вход в сервис - одновременно нажать СН+ и VOL- и включить телевизор.Сохранить изменение на пульте нажать кнопку "STAND BY" и выкл. телек. |
|
kulek
Передовик
Сообщения: 1250
|
AlexM, спасибо просветил
Хорошо задам вопрос пороще для меня
диоды D4-D7 служат для расширения команд?
То есть для того, чтобы получить кода 19х ...2хх нужно диоды довешивать еще дополнительные? |
|
|
AlexM
|
| kulek писал: |
диоды D4-D7 служат для расширения команд?
|
Возможно, но у меня нет, каких либо данных по этим микросхемам. Может попросить RC чтоб посмотрел куда подключены клавиши MENU в его пульте. |
|
kulek
Передовик
Сообщения: 1250
|
| AlexM писал: | | Может попросить RC чтоб посмотрел куда подключены клавиши MENU в его пульте. |
Я так понял - у RC нет оригинала. Он бы давно вскрыл и сказал какие лапы в микре замыкать и где диоды поставить.
Я лично матрицу всю прошел, но вот с диодами пока не экспериментировал...блин времени на этот пульт уже убил..  |
|