| Автор | Сообщение |
|
Егор90
|
Телевизор CROWN CTV-2014, шасси L913B.
Состав:
видео: TA7698AP;
радиоканал: TA7680AP;
контроллер: TMP47C434N3147;
строка: 2SD1555;
память: TC89101P;
кадровая - транзисторная: 2SC2073 + 2SA940;
звук: AN5265;
ТДКС: 154-138L;
ПАВ: F1036C;
Схема: http://monitor.espec.ws/viewtopic.php?t=142233&sid=4208db66e3d28a8619952923ffe21a94
Господа, здравствуйте! Телевизор пришел с неисправной кадровой - электролиты. Восстановил, все заработало. Осталась проблема с OSD - периодически пропадает сигнал (исчезает OSD с экрана), мигает, срывается по строкам. Сигнал пропадает на выходах контроллера 23, 24. Синхронизация по VD, HD (входы 26, 27) приходит. Питание контроллера стабильное, около 4,89 В.
Пропаял полностью микроконтроллер, обе линии синхронизации, линии от МК до ВУ, контур на OSC, память. Заменил кварц с емкостями, и С014 в контуре - все бесполезно. Не могу понять почему срывается OSD. Буду признателен за советы.
ДОБАВЛЕНО 12/12/2016 21:33
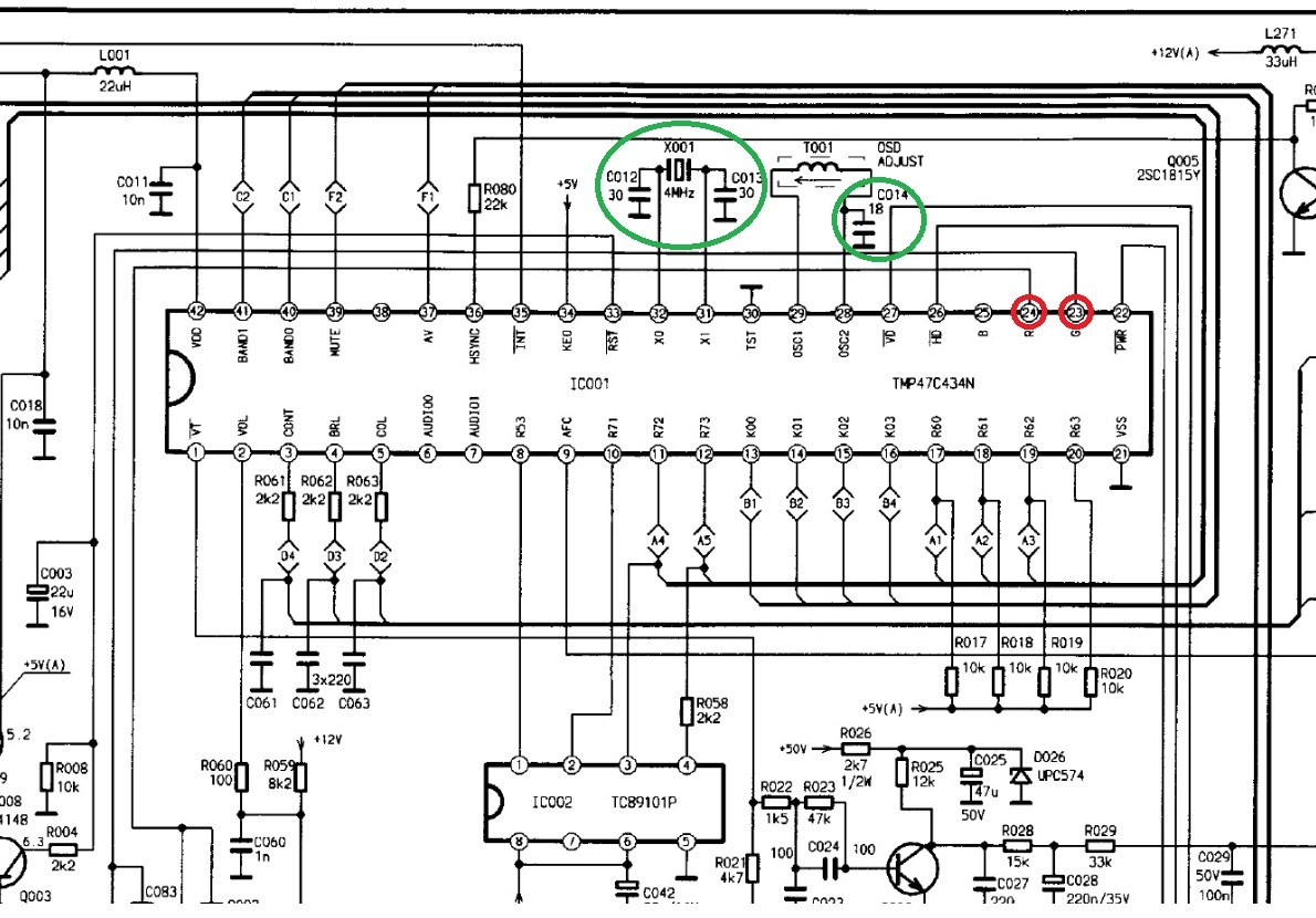
Для наглядности. Зеленым - то, что заменил. Красным обвел выводы на которых пропадает сигнал.
| .jpg |
| Описание: |
|
| Размер файла: |
274.65 КБ |
| Просмотрено: |
431 раз(а) |

|
|
|
STIPLER
Халтурщик
Сообщения: 5865
|
| Проверь постоянную составляющую Fb. Возможно, придётся развязать через ёмкость. |
|
REKKA
Фанат форума
Сообщения: 3722
|
| смотри литы в обвязки проца |
|
|
Егор90
|
Речь идет о 25 выводе?
Прикрепил видео с неисправностью.
OSD.rar 8.04 МБ Скачано: 405 раз(а)
|
|
VStar47
Завсегдатай
Сообщения: 829
|
Синхроимпульсы: HD и VD должны иметь амплитуду около 5V;при ограничении хотя бы одного может не быть OSD ( смотреть осцилом ). Могут быть ХП.
Можно поискать дефект, например, в цепи: 27н IC001 - Q072 - C072 - R274 - C311. |
|
goga_tv
Фанат форума
Сообщения: 4857
|
| судя по поведению осд пропадает КИГ , но это чего-то скажет мастеру а не видеорепортеру... |
|
|
Егор90
|
| VStar47 писал: | Синхроимпульсы: HD и VD должны иметь амплитуду около 5V;при ограничении хотя бы одного может не быть OSD ( смотреть осцилом ). Могут быть ХП.
Можно поискать дефект, например, в цепи: 27н IC001 - Q072 - C072 - R274 - C311. |
Нет, синхроимпульсы стабильные, ровно 5 вольт оба, проверенно осциллом. |
|
iv-9
Фанат форума
Сообщения: 6354
|
Т001 может обрываться.
А может сам процессор глючит, пробуй прожарить. |
|
STIPLER
Халтурщик
Сообщения: 5865
|
| А почему, собственно, вы к процу прицепились? OSD может не проходить и через видеопроц. |
|
force-13
Завсегдатай
Сообщения: 473
|
| STIPLER писал: | | А почему, собственно, вы к процу прицепились? OSD может не проходить и через видеопроц. |
За просто.У меня недавно OSD не было из-за TDA8362B,в остальном видиопроц работал без проблем. |
|
VStar47
Завсегдатай
Сообщения: 829
|
Проверить наличие импульса HSYNC (36н IC001); если его нет или он ограничен на коллекторе Q005, тогда смотреть цепь: база Q005 - C076 - R251 - R411 - C412(470n/50V) - 7н FBT.
Была тема на Мониторе: Китайский SHENCAI,model: SC - 3710P,нет OSD ... (5 января 2008), - там автор "вылечил" подобный проц прожаркой обычной зажигалкой в течение 1,5 мин. Лучше - феном. |
|
|
Егор90
|
| Импульс есть, амплитуда порядка 3 вольт на коллекторе Q005, на 36 выв. около 2,5 вольт. Завтра буду пробовать жарить феном... |
|
VStar47
Завсегдатай
Сообщения: 829
|
Егор90, не спешите с феном; импульс на коллекторе Q005 ограничен по амплитуде, - должен быть тоже 5V.
Начните с проверки лита С412(470n/50V). |
|
|
Егор90
|
С412 менял, хотя и родной нормальный был.
Не могу разобраться - по схеме нижний вывод R250 соединен с С076 (база Q005) напрямую, в реальности это не так, прямого соединения на плате нет. И на R250 синхроимпульсы имеют довольно большой размах, а на С076 уже в несколько десятков милливольт. Или схема отличается, или я что-то не вижу.... |
|
VStar47
Завсегдатай
Сообщения: 829
|
Схема отличается,... и остается:
- проверить исправность деталей в ключе на Q005;
- визуально по дорожкам просмотреть цепи от С076 и R075 к видеопроцу;
- на видеопроце , м.б., ХП (недавно было в ремонте шасси L919B, - на видеопроце поправил выборочно с десяток контактов). |
|
|
Егор90
|
Всем, и VStar47 отдельно, спасибо за советы.
Причиной оказались конденсаторы в п-контуре Т001, который висит на 28, 29 ногах МК. Заменил оба на 30 пФ и все завелось. Кондеры спрятаны под контуром, на схеме не обозначены. |
|