| Автор | Сообщение |
|
Ultimuver
|
Телевизор ОНИКС 72ТЦ11-78 29 ДЮЙМОВ (ШАССИ «F2978HUE» -HIS)
Процессор: «PHILIPS» TDA12063
Кинескоп: SAMSUNG A68QFZ893X001
ТДКС: BSC29-0101F
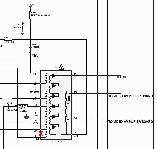
Проблема в отсутствии растра. Точнее он есть, но практически не виден. Можно рассмотреть только в полной темноте. Все элементы на плате проверены. Некоторые электролиты заменены. Микросхемы и транзисторы рабочие. Напряжения на выходе основного трансформатора (указаны на приложенной картинке) и ТДКС не все соответствуют необходимому значению. При прозвонке выводов ТДКС контакт №9 (FB) не звонится на землю (по схеме он связан с другими контактами включая землю). На выходе подогревателя 0 В., вместо положенных 6 В, хотя визуально накал слабый, но виден Ускоряющее напряжение всего 83 В. Входное напряжение на контакте (+В) 127 В. Должно быть 135 В, но это не критично. По всей видимости всему виной обрыв обмотки ТДКС на выходе которой должно быть +200В. Что посоветуете? Покупать новый ТДКС? Я смотрел по названию, но гугл такой модели не знает. На Алиэкспрес похожей модели нет, а те что есть идут без даташитов и стоймостью под 3 т.р.
Схема
Circuit Diagram-F2978HUE-June 16th,2006 - 0001_2.pdf 542.97 КБ Скачано: 242 раз(а)
Circuit Diagram-F2978HUE-June 16th,2006 - 0002.pdf 468.12 КБ Скачано: 230 раз(а)
|
|
STIPLER
Халтурщик
Сообщения: 5865
|
| Если не будет +200 питания ВУ с ТДКС, то будет яркий растр с ЛОХ. У тебя, скорее всего загнан луч из за неисправной кадровой. Чревато отрезанием горловины кинескопа. |
|
|
Ultimuver
|
Если замерить мультиметром точки +200 В. на плате подключаемой к кинескопу показывает напряжение +171 В. Это почти на 30 В. меньше чем должно быть, но оно есть. Если же замерять на самом контакте №9 мультиметр показывает 126В. Вопрос откуда оно там, если прозвонка ТДКС показывает обрыв обмотки идущей к контакту №9? Судя по схеме именно с этого контакта подается +200В на кинескоп.
.pdf 936.04 КБ Скачано: 230 раз(а)
|
|
STIPLER
Халтурщик
Сообщения: 5865
|
Ultimuver, Относительно чего "обрыв"??? Корпуса? С обмотки +В эта напруга зачастую берётся.
Прошивать не пробовал? И не надо. Ускоряющий (нижняя крутилка на ТДКС) поверни вправо, посмотри на результат. |
|
|
Ultimuver
|
| STIPLER писал: | Ultimuver, Относительно чего "обрыв"??? Корпуса? С обмотки +В эта напруга зачастую берётся.
Прошивать не пробовал? И не надо. Ускоряющий (нижняя крутилка на ТДКС) поверни вправо, посмотри на результат. |
Обрыв относительно обмотки. Это же трансформатор? Значит выводы одной обмотки должны звониться, правильно? Прошивать не пробовал. Сомневаюсь, что проблема в прошивке. Телевизор бывает при включении нормально показывает секунд 5-ть, а потом экран снова тухнет, но это редко. В основном при включении растр отсутствует. Ускоряющий крутил. Максимум, что происходит это появляется разноцветное пятно в какой-то момент и тут же исчезает. Никаких полос горизонтальных или вертикальных не появляется. Подобный тест я провел чуть ли не в самом начале, надеясь на типовой случай. Затем перепаял почти всю первичку в надежде найти то из-за чего напряжения 15,6 В. и 17 В. не соответствуют указанным на плате 9 В и 28 В. Но чуток подразобравшись понял, что так и должно быть. Для TDA8944J максимальное напряжение питания 18В. А для питания процессора все равно используется напряжения со стабилизатора 5 В и 3,3 В. Соответственно разброс по напряжениям по данным линиям не является отклонением. Чего не скажешь о выходных напряжениях ТДКС.
57.jpg 123.13 КБ Скачано: 253 раз(а)
|
|
STIPLER
Халтурщик
Сообщения: 5865
|
| Ultimuver, У тебя + 200 с первички ТДКС берётся.Повторять больше не буду.Лучше +15 и -15 (питание кадровой) проверь. ПК сними с кина и одень при включённом ТВ. |
|
SASHATOD
Фанат форума
Сообщения: 9885
|
STIPLER, | Цитата: | | ПК сними с кина и одень при включённом ТВ. |
И так пару тройку раз  |
|
|
Ultimuver
|
Действительно, 9 контакт ТДКС звонится с контактом +В. Что же, значит надежда есть. Благодарю! Проверил 3 и 4 (+15 и -15) контакты ТДКС, какое-либо напряжение на них отсутствует.
Честно говоря, стремаюсь снимать плату кинескопа в рабочем состоянии. По другому как-нибудь можно проверить?  |
|
STIPLER
Халтурщик
Сообщения: 5865
|
SASHATOD, Мне обычно, одного раза хватало. СнимаюПК, оставляю висеть на хвосте, включаю ТВ и рукояткой отвёртки или изолированными ручками пассатижей надеваю ПК на ножки кина. Вуаля!
ДОБАВЛЕНО 13/12/2020 16:53
| Ultimuver писал: | | Проверил 3 и 4 контакты ТДКС (+15 и -15), какое-либо напряжение на них отсутствует. : |
Ты постоянку непосредственно на ногах что ли меряешь?
Нет? После диодов? Тогда ищи, где ж оно пропадает то? И учти, что подобное двухполярное питание кадровой при отсутствии одного из них резко загоняет луч за пределы экрана, практически в место соединения горловины с колбой.Результат - псссс... |
|
|
Ultimuver
|
| STIPLER писал: | SASHATOD,
Ты постоянку непосредственно на ногах что ли меряешь? |
Да, действительно тупанул. Когда в первый раз снимал, еще подумал о диодах, но автоматом стал снимать замеры на ногах ТДКС. Спишем это на усталость )) В общем, напряжения +15 и -15 имеются. |
|
STIPLER
Халтурщик
Сообщения: 5865
|
| Кадровая пропаяна? Хорошо? +\- 15 непосредственно на ней смотри. |
|
|
Ultimuver
|
| STIPLER писал: | | Кадровая пропаяна? Хорошо? +\- 15 непосредственно на ней смотри. |
Да, но могу еще раз пропаять. |
|
STIPLER
Халтурщик
Сообщения: 5865
|
| Ultimuver писал: | | STIPLER писал: | | Кадровая пропаяна? Хорошо? +\- 15 непосредственно на ней смотри. |
Да, но могу еще раз пропаять. |
Не стоит. Лучше режимы померяй и выложи. Ног то всего 7. |
|
|
Ultimuver
|
[quote="STIPLER"][quote="Ultimuver"]| STIPLER писал: | | Не стоит. Лучше режимы померяй и выложи. Ног то всего 7. |
В смысле, замерить напряжения в дежурном режиме или что? |
|
STIPLER
Халтурщик
Сообщения: 5865
|
| Ultimuver, Не тупи. Пойдёт вторая страница решу, что ты - тролль. |
|
SASHATOD
Фанат форума
Сообщения: 9885
|
Ultimuver, | Цитата: | | Честно говоря, стремаюсь снимать плату кинескопа в рабочем состоянии. |
Снял при выключенном а одеваешь при включенном,одеваю толстую резиновую перчатку  |
|
STIPLER
Халтурщик
Сообщения: 5865
|
| SASHATOD писал: | | [одеваешь при включенном,одеваю толстую резиновую перчатку |
SASHATOD, ОЗК одень, заодно и от короновируса защитишься.  |
|
SASHATOD
Фанат форума
Сообщения: 9885
|
STIPLER,  |
|
|
Ultimuver
|
В общем, взял я свой старенький осциллограф c1- 118. Честно, не люблю им пользоваться, но другого варианта к сожалению нет. Нарыл в сети даташит TDA4863J с осциллограммами. Результаты смотрите сами. Кадровая живее всех живых. Единственное, что показалось странным так это график на выходе INN. Я по идее должен был увидеть зеркальное отражение графика выхода INP, а он практически в точности его повторяет. Различие только в ярко выраженной вертикальной линии.
Напряжение по ножкам
1) 14,8 В.
2) -10,7 В.
3) 15,3 В. (периодически сбрасывается до 0В. Это подозрительно)
4) -15 В (стабильно)
5) 0,25 В.
6) 0,83 В.
7) 0, 86 В.
INN_2.pdf 440.27 КБ Скачано: 206 раз(а)
|
|
SASHATOD
Фанат форума
Сообщения: 9885
|
Ultimuver, и это нынешние мастера?  |
|