| Автор | Сообщение |
|
Super Gluk
|
Помогите опознать и задефектовать строчник на Philips 25GR9975/22B. Шаси G110.
Перековыряли (правда довольно аккуратно) до меня
Телек пришел с подозрением на неисправный БП. Все напруги на выходах сильно занижены. Пит. строчной развертки +18 вольт. Проверка ПБ умерших деталей не выявила. При отключенной развертки и нагруженной на лампочку 100 ват питание 127 вольт но ре регулируется.
Пересмотрев форум понял что подобные проблемы могут быть из за ТДКС: ttp://monitor.espec.ws/section1/topic45073.html
BU508AF - исправен. Сдохшие 7594 7593 из за обоих усохших конденсаторов 2593 2594.
Все таки есть подозрение на утечку внутри ТДКС. Снял подкинул в ч\б тв 3УСТ. При запуске пробой с 7 ножки на соседнее. Подкинул 7 на корпус. ТДКС в перегрузке. Напряжения на лягушке не было ни в том ни в другом случае.
Прозвонка обмоток выявила отличие от принципиальной схемы, хотя схема строчнной развертка совпадает! Стоял паяный ТДКС Philips 36161 V9036. Оригинал ли? На схеме нет Также вопрос с его исправностью. |
|
|
Владник
|
Super Gluk, замена HR6213  |
|
Konstantin
Передовик
Сообщения: 1648
|
| 36161 исправен или нет неважно, судя по всему он левый. Меняй на 6213. А вот над ИП придется поработать. Напруга явно занижена, да и регулироваться должна. Смотри в поиске, ремонт ИП этого шасси обсуждался неоднократно. |
|
|
igor 5
|
| я тоже думаю что для начала запусти БП ,U-ие должно регулироваться. |
|
|
Valery N Smirnov
|
| проверь транзисторы под транс. БП управление оптроном! |
|
|
Super Gluk
|
Помогите всетаки запутался я с ТДКСами.
Установлен был PHILIPS 38161 V9036 похоже оригинал! ТАк как клиент сказал что ТДКСку не меняли. (он бы по цене точно запомнил )
Я писал:| Цитата: | | Прозвонка обмоток выявила отличие от принципиальной схемы, хотя схема строчнной развертка совпадает! Стоял паяный ТДКС Philips 36161 V9036. Оригинал ли? На схеме нет | здесь ошибся (6 на 8) не 36161, а 38161 - наклейка как из под матричного принтера :
Konstantin, Владник рекомендовали замену на
Но пробил по поиску в каталоге PHILIPS 38161 меняется на HR-6484, а не на HR-6213. Они практически совпадают только отличие в ножке запитки +Vcc/ 15 pin на 6484 и 13pin на 6213.
http://www.donberg.ie/descript/h/hr6213.htm http://www.donberg.ie/descript/h/hr6484.htm
Дальше больше на плате ТДКС нарисован совсем не с такими обмотками!
И в завершении всего HRки (6213\6484) совсем не совпадают со схемой!
Хотелось бы ясности бывают ли телеки с G110 шаси и иной ТДКСкой. По цене они практически одинаковы но как быть с несовпадением по схеме? Обидно и дороговато ошибится 
G110-FBT.jpg 41.23 КБ Скачано: 3403 раз(а)
|
|
Konstantin
Передовик
Сообщения: 1648
|
| Super Gluk писал: | | ТАк как клиент сказал что ТДКСку не меняли. |
А что он единственный хозяин ???
| Super Gluk писал: | | Они практически совпадают только отличие в ножке запитки +Vcc/ 15 pin на 6484 и 13pin на 6213. |
А теперь еще раз внимательно сравни оба FBT, и увидишь на 17 выв. отличие, и обмотка 8-6 перевернута.
Русским языком написали - меняй на 6213 ! |
|
|
elman
|
| совпадает с 37554 и 38281 а твой 38161 скорее всего родной но летят каждый второй в этом шасси |
|
|
Alicia
|
По каталогу NEDIS Philips G110 комплектуются строчными трансформаторами:
37550, 37551, 37552, 37553, 37554, 37555 - ordercode 140.10384 (замена HR6213 - мое примечание),
38161, 38162 - ordercode 140.10399
38281 - ordercode 140.10398 |
|
|
Super Gluk
|
Alicia | Цитата: | | 38161, 38162 - ordercode 140.10399 |
38161 у меня и стоял. По поводу замены все говорят что нужно ставить HR6213 но похоже что для 38161 лучше подходят : http://www.donberg.ie/descript/h/hr6484.htm ?
Не хотелось бы ошибится с выбором. При чем цена у них практически одинаковая. и HR6484 есть в наличии на фирме, а HR6213 надо заказывать .
| Цитата: | | По каталогу NEDIS Philips G110 комплектуются строчными трансформаторами: | - можно сылочку на данный каталог? |
|
Konstantin
Передовик
Сообщения: 1648
|
| Super Gluk, поставим вопрос по-другому : ты уверен, что твое шасси именно G110 ??? |
|
|
Alicia
|
| Каталог у меня в бумажном виде - 1440 страниц. Для работников сервисных служб. |
|
|
Super Gluk
|
Konstantin | Цитата: | | поставим вопрос по-другому : ты уверен, что твое шасси именно G110 ??? |
Ок. Логично
По совокупности признаков:
Внутри наклейена бумажка с надписью G110
Схема БП совпадает один к одному и номиналы и поиционные номера.
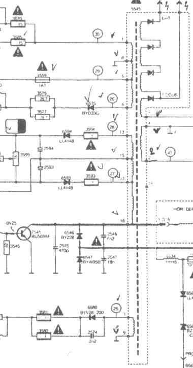
Схема строчника также совпадает в мелочах! Но ТДКС на плате нарисован не верно. Попробую сейчас сфоткать. Также на схеме не не так проставлены номера ножек ТДКС.
Также: Alicia | Цитата: | По каталогу NEDIS Philips G110 комплектуются строчными трансформаторами:
37550, 37551, 37552, 37553, 37554, 37555 - ordercode 140.10384 (замена HR6213 - мое примечание),
38161, 38162 - ordercode 140.10399
38281 - ordercode 140.10398 |
значит я предпологаю что сушествует разновидности именно с таки FBT как у меня попался. Транс заказываю, а пока переберу БП. мелочевку SMD уже достал. |
|