ESpec - мир электроники для профессионалов


Импульсный блок питания на базе БП ПК

  Список форумов » Электроника от А до Я

Следующая тема · Предыдущая тема
АвторСообщение
NE51S 
Завсегдатай
Сообщения: 810
NE51S
 
Сообщение #1 От 31/08/2007 19:11 цитата  

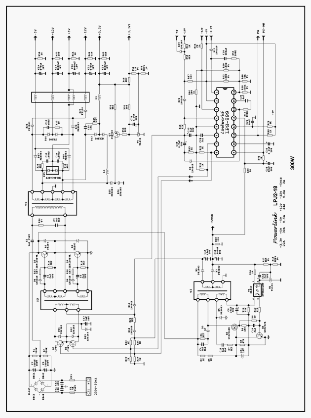
В журнале "РАДИО" №10 за 2004 год была напечатана статья "Импульсный блок питания на базе БП ПК". У кого залежался неприкаянный блок (как у меня) эта статья просто находка. НО. Есть НО. Как всегда. Там схема собрана на широко распространенной мс TL494. Инфы в сети на эту мс навалом. Мой БП, к сожалению, собран на мс LPG-899. С большим трудом перековырял кучу ссылок Гугля, нашел только схему (прилагаю). Может кто подскажет, как сделать из БП на LPG-899, регулируемый блок питания. Думаю это будет интересно не только мне. Да, встречал в сети инфу что LPG899 = WT7520

  LPG899.gif  45.75 КБ  Скачано: 14604 раз(а)
n max 
Модератор
<B>Модератор</B>
Сообщения: 17626
 
Сообщение #2 От 31/08/2007 19:32 цитата  

попробуй на 16 ноге подвигать резисторы.но мне кажется она мониторит напряжения-если не уйдёт в защиту,то фокус удастся
NE51S 
Завсегдатай
Сообщения: 810
NE51S
 
Сообщение #3 От 31/08/2007 21:56 цитата  

Вырубает в момент. Но направление верно Спасибо n max. Я отключил вообще R62, подключил переменный 10К. Движок переменника, через резистор 1Ком кинул на pin16, а крайние на +5 и корпус. Имеем пределы регулировки: ~8,5....13,6 вольта. Ужо прогрес браво! Мучаем железяку дальше. Идеи?
n max 
Модератор
<B>Модератор</B>
Сообщения: 17626
 
Сообщение #4 От 01/09/2007 12:06 цитата  

я думаю,что если на ноги монитора напруг подать то,что ей нужно со стабилизатора,то и предел регулировки расширится
NE51S 
Завсегдатай
Сообщения: 810
NE51S
 
Сообщение #5 От 27/10/2007 17:37 цитата  

Получился неплохой БП.
мастер-ломастер 
Модератор
<B>Модератор</B>
Сообщения: 9972
 
Сообщение #6 От 27/10/2007 20:12 цитата  

Elektron2006, Я собирал как-то, импульсный БП на базе МП-3-3.
rematik 
Флудоголик
Сообщения: 35541
 
Сообщение #7 От 27/10/2007 20:35 цитата  

Elektron2006 писал:
Получился неплохой БП.

Лучше чем был? улыбка Докажи!

Перейти: 
Следующая тема · Предыдущая тема
Показать/скрыть Ваши права в разделе

Интересное от ESpec


Другие темы раздела Электроника от А до Я



Rambler's Top100 Рейтинг@Mail.ru liveinternet.ru