| Голосование |
| 230дол.сша |
| купить |
|
100% |
[ 1 ] |
| нет |
|
0% |
[ 0 ] |
|
| Всего проголосовало : 1 |
|
| Автор | Сообщение |
|
Hylibin
|
avazhev, Замеры делались на котле. Газоанализатор проверялся на "столе" там ничего мудреного датчик изменяющий сопротивление и операционник в режиме компаратора. В том то и дело что котел ведёт себя как будто всё у него ОК ни ошибок ни остановок но без розжига.
ДОБАВЛЕНО 27/06/2016 23:27
Lavrishin, Где мне жить и чем заниматься не тебе решать, не в теме- отойди в сторонку |
|
|
npi07
|
Viessmann Vitopend 100, WH1D
Загорелась ошибка F5. котел Viessman Vitopend 100 WH1D
Не запускается вентилятор при включении котла.
Решил проблему сам, без людей с пальцами веером, сам то я Механик, а это о многом говорит!
1. Первым делом проверил сам вентилятор - подаем напрямую на его клеммы 220 в (предварительно отсоединив разъем от платы) - работает - Ок
2. Далее при работе вентилятора проверяем работу клем пресостата - Ok.
3. Проверяем наличие напряжения 220в на разъеме питание вентилятора - отсутствует.
4. Подаем напряжение 12 в на реле вентилятора и проверяем контакты - отсутствуют (нет контактов реле , выгорели)
5. Выпаиваем реле Omron - идем в магазин радиодетали
6. Запаял новое реле - запуск . всьо Ок.
Ремонт обошелся ценой реле (зависит от жадности продавца радиодеталей)
Далее думаю модернизировать плату заменой реле на тиристорное управление или через оптопары дабы исключить ненадежные реле из платы.
Вот как то так предлагаю подавать решения проблем.
Omron.pdf 510.7 КБ Скачано: 710 раз(а)
Plata.pdf 479.75 КБ Скачано: 688 раз(а)
Presostat.pdf 491.78 КБ Скачано: 521 раз(а)
|
|
|
avazhev
|
| npi07, В автомобиль и газовый котёл внесение изменений в конструкцию недопустимо! |
|
|
npi07
|
| avazhev писал: | | npi07, В автомобиль и газовый котёл внесение изменений в конструкцию недопустимо! |
Вы давайте, аргументируйте, свои умозаключения.
Про автомобили - не Механику расказывать.
не допускается изменений в тормозной рулевой и некоторых других системах, а не весь автомобиль
Про котлы, согласен в части утечек газа, а в части управления нет.
Скажите что изменится при замене электромеханического реле которое по сути своей ненадежно да еще и выдает искры при размыкании контактов на оптопару или тиристор? |
|
|
avazhev
|
| npi07, Об этом часто говорилось на форуме и с этим я согласен. Не вижу смысла пускаться в полемику. |
|
xarl
Модератор
Сообщения: 21862
|
|
|
NSMSKOPIN
|
[quote="npi07"]Загорелась ошибка F5. котел Viessman Vitopend 100 WH1D
Не запускается вентилятор при включении котла.
4. Подаем напряжение 12 в на реле вентилятора и проверяем контакты - отсутствуют (нет контактов реле , выгорели)
5. Выпаиваем реле Omron - идем в магазин радиодетали
Выпаиваем реле Omron.Подаем напряжение 12 в на реле вентилятора и проверяем контакты - отсутствуют (нет контактов реле , выгорели), так будет надёжней! Цепи управления реле целей будут. |
|
Lavrishin
Модератор
Сообщения: 1763
|
| NSMSKOPIN писал: | | ...4. Подаем напряжение 12 в на реле вентилятора и проверяем контакты - отсутствуют (нет контактов реле , выгорели).... |
Ты сам-то хоть сообразил что там релюхи на 24 V ?  |
|
|
NSMSKOPIN
|
| Неважно какое реле,и на какое оно напряжение, я о последовательности действий,нежелательно на плату подавать стороннее напряжение, чтобы проверить реле, это чревато для цепей управления. Выпаял и подавай, а для достоверности качества контактов-нагрузку навесить. |
|
djclyde
Завсегдатай
Сообщения: 732
|
Опознать котел
сори - убрал - не в тему))))) |
|
Lavrishin
Модератор
Сообщения: 1763
|
| djclyde писал: | ...
мой минипро - тоже не хочет ее писать и даже кнопка стирания неактивна а новую пишет |
Ни Pony, ни MiniPro эту микросхему не стирают.
Перезапись возможна. Мой MiniPro перезаписывает... |
|
Lavrishin
Модератор
Сообщения: 1763
|
| Знакомый с монитора писал: | ...
С каких это пор 24LC01B не перезаписываемая? datasheet говорит об обратном... |
Дядя Юлий. 24LC01B = перезаписываемая.
Просмотри темы про аппараты Weller Mars и его аналоги... |
|
Знакомый с монитора
Завсегдатай
Сообщения: 469
|
Lavrishin, да все там пишется , ежели микросхема живая , в моем случае она оказалась дохлой.
Это основная причина неисправности котла , после замены все запустилось.
Итог:
Неисправна 24LC01B
Из за нее ошибка Е09
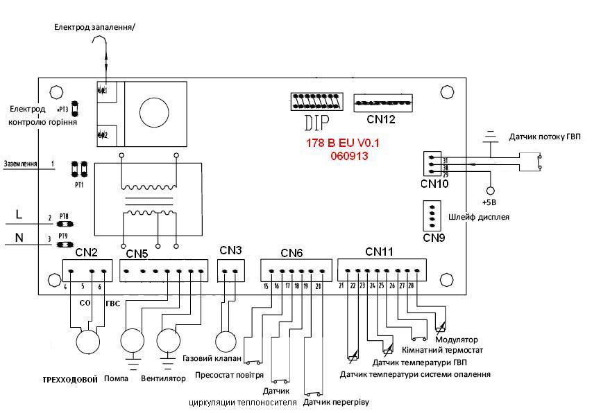
В котле применен датчик циркуляции теплоносителя а не датчик давления (учитывать при подключении на столе)
Коды ошибок.
Схема подключения.
ДОБАВЛЕНО 29/07/2016 15:25
Чета дупля не могу отбить ... Как правильно отметить тему решенной?

.jpg 60.7 КБ Скачано: 253 раз(а)
|
|
|
Ankar02
|
Газовый котел NevaLux 8224 с платой Baltgaz Neva Pcb Rev7
Две платы котла Baltgaz Neva Lux 8224 с платой управления Pcb Rev7 При включении питания светится весь индикатор со всеми символами. При этом управления нет ни какого. Ни в настройки не войти не помогает ни сброс ничего. Напряжение на процессор 5.0 есть Есть и 30. Две платы с одинаковой неисправносью.... Может кто схемой поделится или дельным советом. Фото платы выкладывал в база котлов, есть схема подключения. |
|
xarl
Модератор
Сообщения: 21862
|
Ankar02, котла Baltgaz Neva Lux 8224........................
Неисправность в теме.... |
|
|
Ankar02
|
| А можно конкретнее? Что значит в теме. |
|
xarl
Модератор
Сообщения: 21862
|
| Ankar02, котла Baltgaz Neva Lux 8224........................ неисправность в теме. |
|
|
Ankar02
|
| Я думал специалисты меня поймут, Ну плата управления (универсальная) Заменяет MIAD500, Miad300. Если две платы ведут себя одинаково, то возможно стандартная неисправнось. |
|
xarl
Модератор
Сообщения: 21862
|
|
|
vltab
|
котел NOVA FLORIDA VELA COMPACT CTFS 24
Розжигается пламя видит но не выключается розжиг
на столе если без имитации пламени уходит в аварию и розжиг отключается с имитацией пламени постоянно идет розжих |
|