| Автор | Сообщение |
|
ARES!123
|
Всем доброго времени суток!
Собственно, нужна консультация. Принесли на ремонт плату питания с видеокамеры наружного наблюдения ST Vt-321 H Wir. На плате выгорел преобразователь напряжения (тип, к сожалению, затерся гарью. Видно только две первые буквы AX... дальше неясно.)
Нашел даташит на преобразователь 5/12V (http://www.micro-bridge.com/data/Axelite/AX5201.pdf), по схеме вроде похоже, но диод Шоттки на выходе стоит анодом на корпус (землю), и работает как защитный, его пробило. Так же на плате повздулись конденсаторы С1 и С6, (470 х 16 V), я их выпаял. Но если по конденсаторам и диодам все понятно, то по типу преобразователя, может кто-нибудь имел дело с чем-нибудь подобным и может подсказать, его параметры? Фото платы прилагаю ("пациент" обведен красным). Буду благодарен за любую информацию.

|
|
vadim3008
Мастер Добрых Дел
Сообщения: 5819
|
| ARES!123, набросай схемку,понятней будет! |
|
|
ARES!123
|
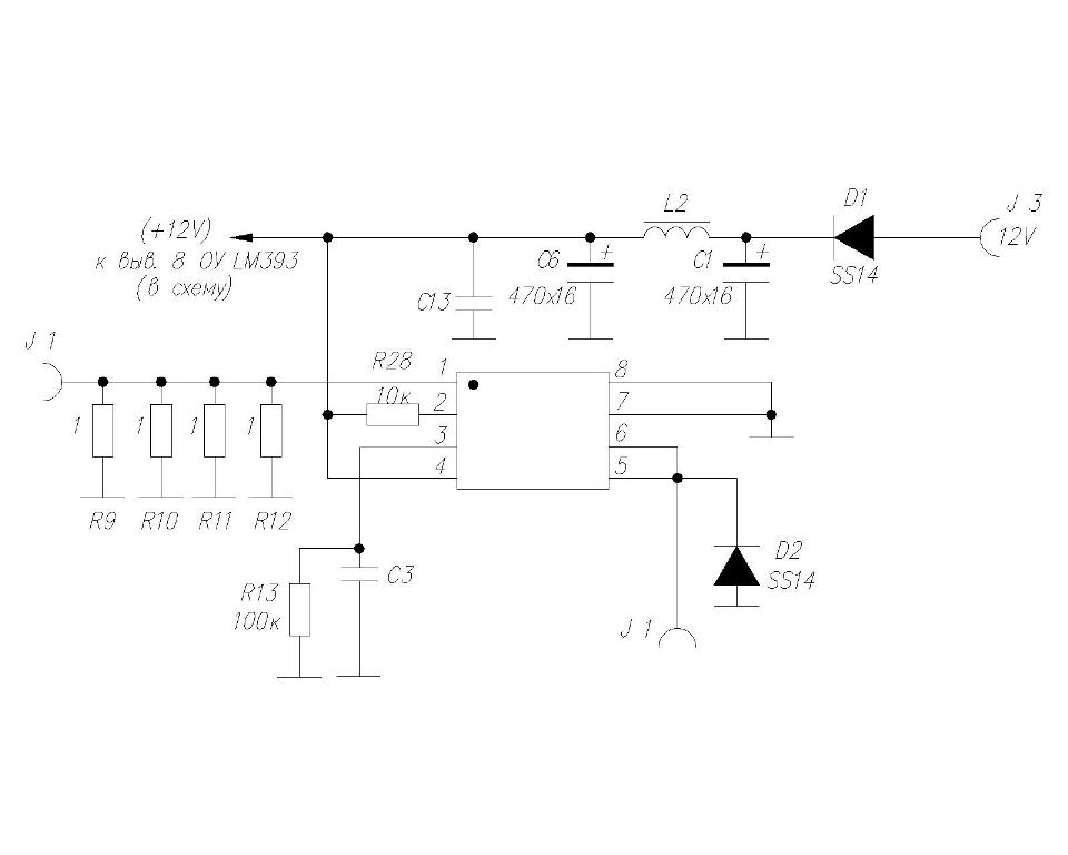
Выкладываю схему, как и обещал. Прослеживается некоторое сходство с AX3023, (что косвенно подтверждает тот факт, что питание видеокамеры 12V), но только некоторое... Например, нога 1 у AX3023 не задействована...
В общем, надеюсь, что кто-нибудь все-таки опознает этого "зверя"...
5 и 6 ноги, как я понимаю, выход...
ST vt-321 (преобразователь напряжения на плате).jpg 38.43 КБ Скачано: 288 раз(а)
|
|
|
ARES!123
|
| Выкладываю схему, как и обещал. |
|
Lenchik
Фанат форума
Сообщения: 7937
|
| ARES!123, Что то неправильно. На плате две катушки, а вы одну индуктивность нарисовали. Микросхема больше всего похожа на контроллер зарядки аккумулятора. Низкоомные резисторы это наверное токовый датчик. Вторая катушка должна быть подключена к 5 и 6 выводу. |
|
Rom-Zecs
Передовик
Сообщения: 2900
|
| там же напруги подписаны. меняйте что по размеру влезет |
|
|
ARES!123
|
| Спасибо, проверю насчет катушки. А насчет напруги подписаны, так мне тогда желательно бы плату с процессором, но хозяин видеокамеры говорит, что в ней больше ничего нету... странно... |
|
Lenchik
Фанат форума
Сообщения: 7937
|
| Если аккумулятора нет, значит резисторы низкоомные, это защита от короткого замыкания. Получается DC-DC на 3.3 вольта. |
|
Rom-Zecs
Передовик
Сообщения: 2900
|
| ARES!123 писал: | | Спасибо, проверю насчет катушки. А насчет напруги подписаны, так мне тогда желательно бы плату с процессором, но хозяин видеокамеры говорит, что в ней больше ничего нету... странно... |
верни всё назад и шли нах, а то крайним окажешься. скажи зч нет, очень хитромудрая подзалупица скажи |
|
|
ARES!123
|
Точно катушка на 5 и 6 ноги подключена. Будет время, выложу дополнение к схеме.
Кстати, хозяин в понедельник принесет саму камеру, вот и посмотрю, как в ней "ничего нет..." |
|