| Автор | Сообщение |
Staker
Завсегдатай
Сообщения: 870
|
| Я ЧИТАЛ ВСЕ! Просто комп сильно тормозит при таком весе .pdf и запомнить что-то при таком чтении трудновато. Вот и спрашываю о ворде. |
|
|
!Minus
|
Понятно. Ворд бы тормозил ещё сильнее. В компе мало оперативки или видюха слабая. Какой прогой читаешь?
Удалось найти причину свиста транса и устранить его (свист)? |
|
Jorg63
Передовик
Сообщения: 1185
|
| Самый УЁВЫЙ комп PDF читает на ура,так что не пи.ди. вот что читать в облом,это более реально,вершков возможно хватанул и доволен!А если у тебя в компе хер знает что твориться ,это уже другой вопрос! |
|
Staker
Завсегдатай
Сообщения: 870
|
| У меня уевей уевого. Врать мне не к чему. Даже не комп, не ноут, а нетбук( полная лажа! |
|
|
sergey857508
|
| Staker писал: | | Я ЧИТАЛ ВСЕ! Просто комп сильно тормозит при таком весе .pdf и запомнить что-то при таком чтении трудновато. Вот и спрашываю о ворде. |
Staker .Выбрось его и купи нормальный . |
|
Staker
Завсегдатай
Сообщения: 870
|
| !Minus писал: | Понятно. Ворд бы тормозил ещё сильнее. В компе мало оперативки или видюха слабая. Какой прогой читаешь?
Удалось найти причину свиста транса и устранить его (свист)? | К сожелению моему и вашему меня сейчас нет дома. Оставьте ваше сообщение после звукового сигнала ))). Буду дома мы решым эту проблему.
ДОБАВЛЕНО 09/08/2013 15:03
Ну не тянет Скифофский букварь и все. Вернее тянет... Но медленно очень. Викинул бы через окно, если б не жыл на 1 этаже) |
|
Jorg63
Передовик
Сообщения: 1185
|
Staker Скачай для просмотра PDF программу FoxitPhantom,работает без инсталляции. Работает
без тормозов шустро -проверил на компе 12 летней давности,еще проц DURON 700 мегагерц.Использую иногда для инета комп этот,жалко выкинуть-работает ведь.
Урезанная версия и соответствено шустрее,хватает возможностей для просмотра pdf -Foxit Reader/ встраивается в интернет браузер,в МАЗИЛУ точно |
|
Staker
Завсегдатай
Сообщения: 870
|
Все, забыли про комп! Не засир...йте форум всякой Хер...ей. Давайте токо по делу. Все остальное в личку!
ДОБАВЛЕНО 09/08/2013 15:12
| Jorg63 писал: | | Staker Скачай для просмотра PDF программу FoxitPhantom,работает без инсталляции. Работает без тормозов шустро -проверил на компе 12 летней давности,еще проц DURON 700 мегагерц.Использую иногда для инета комп этот,жалко выкинуть-работает ведь. | Ок. Спасибо.  |
|
|
!Minus
|
| Staker писал: | | К сожелению моему и вашему меня сейчас нет дома. Оставьте ваше сообщение после звукового сигнала ))). Буду дома мы решым эту проблему. |
Понятно, лучше не спешить с трансом и всё обдумать, а то и до БАХа недалеко...
А мануал можно распечатать для себя, любимого - получится настольная книга по сборке свинореза. Очень удобно. Если не печатать картинок - не так уж много страниц. Печать на лазернике стоит копейки. И тормозить не будет))
ЗЫ. Наших сожалений по этому поводу - нету дома. Звуковой сигнал просили выслать ценным письмом. |
|
Staker
Завсегдатай
Сообщения: 870
|
| Причину свиста нашел: это ИБП. Свист почти убрал, соеденив + и - выхода ИБП с корпусом через кондеры 0,1. Почти... -ет тихий почти неслишный свист. Ет смертельно? |
|
Jorg63
Передовик
Сообщения: 1185
|
| любой посторонний свист смертельно.вопрос времени только.Хоть прогу скачал для просмотра букваря? |
|
Vovak
Завсегдатай
Сообщения: 400
|
Не стабильно работающий импульсный источник питания БУ, это в лучшем случае ограничит ток а в худшем рванут ключи. Я для себя решил эту проблему просто, ставлю обычные 50 гц трансики и тупой стабилизатор на 15В. Никаких проблем ни с 3825 ни с ТЛ никогда не возникает. Резонансник интересная машина, и всякие посторонние гармонические и не гармонические изменяющиеся сигналы могут вызвать биения с силой. Отсюда и свисты и попукивания и всякие хрюки. И в конечном итоге опера товарища Баха.  |
|
Jorg63
Передовик
Сообщения: 1185
|
| Vovak писал: | | Я для себя решил эту проблему просто, ставлю обычные 50 гц трансики и тупой стабилизатор на 15В. Никаких проблем ни с 3825 ни с ТЛ никогда не возникает. ( | / Такой вариант питания с мостовой раскачкой прокатит,с печками нет с таким стабилизатором. да и разница напряжения между входом и выходом должна быть никак не менее10 вольт для работы на пониж .сетях.При такой разнице при нормальной сети при токе 0,5 ампер,а столько примерно с мостовой раскачкой потребление+ кулер ,получается 5 ватт мощи .Для этих целей есть стабилизаторы серий SD1083 на 7.5 ампер и SD1084 на 5 ампер. еще преимущество этих стабилизаторов.они могут работать в режиме стабилизации при разности напряжений менее 1 вольта, Это варианты умощенных LM317 серии, по цена в полтора- два раза выше той же 7815. 7815 надо разница около 2.5 вольт для стабилизации для 317 около2 вольт.Кстати LM317 предпочтительней использовать чем 7815 как в вашем случае.Через изолирующую прокладку крепить к радиатору,например ключиков,отвод тепла отличный. |
|
Vovak
Завсегдатай
Сообщения: 400
|
Такой вариант катит и с печками и с мостовой раскачкой и с двумя трансами в раскачке и вообще. Ну если конечно задаться целью уменьшить вес на 100 грамм, тогда конечно надо импульсник ваять. А если вес не важен то лучше обычного транса в питании бу, нет ничего.
Кстати два транса в раскачке на 3825, работающие в противофазе, очень прилично работают. Дают совершенно идеальные сигналы и энергии не жрут вообще. И никакая мостовая схема им не указ. |
|
Jorg63
Передовик
Сообщения: 1185
|
| Vovak с печками перебор будет с 7815 при разнице напряжений вход выход 10 вольт,ну если только вы меньшее закладываете. с печками потребление до 1.2 ампера и для 7815 будет уже критич. мощность рассеяния ,чудом они работают. В остальном с вами солидарен. |
|
oleg1ma
Завсегдатай
Сообщения: 371
|
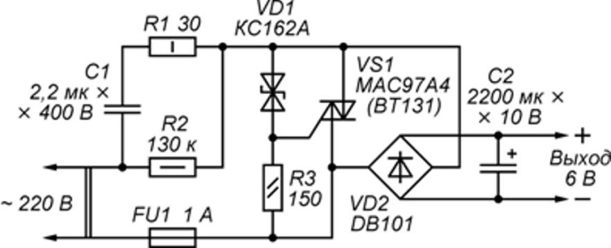
Не любителям импульсников, есть такая простенькая схемка.Подбором С1 устанавливают необходимый ток, а VD1 нужное напряжение на выходе, один недостаток, нет гавалн.развязки.
220Vto6V.jpg 33.46 КБ Скачано: 256 раз(а)
|
|
Jorg63
Передовик
Сообщения: 1185
|
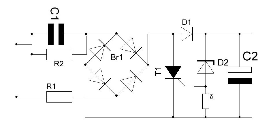
Я немного измененный вариант использую,стабильность напряж. на несколько порядков выше.для питания кулеров ваш вариант нормаль. каждый микрофарад емкости дает прибавления 65 милиампер в стабилизаторе. 4 микрофарада выдают 250-260 милиампер при напряжении стабилизации допустим 15 вольт.Этого хватает для питания управы на ТГРах при провале сети до 160 вольт.
стабилизатор сетевой.jpg 27.83 КБ Скачано: 219 раз(а)
|
|
oleg1ma
Завсегдатай
Сообщения: 371
|
Да я и для кулеров и не толькот ИБП делаю простенький Вот этот в легкую отдает более 1а при 12.6 вольт, использовал его всего навсего для питания 3 ветродуев ( потребление всех не более 0.6а) в последнем косом сверкальнике.
| P8070016.JPG |
| Описание: |
|
| Размер файла: |
269.59 КБ |
| Просмотрено: |
199 раз(а) |

|
| P8070017.JPG |
| Описание: |
|
| Размер файла: |
250.2 КБ |
| Просмотрено: |
166 раз(а) |

|
| P8070018.JPG |
| Описание: |
|
| Размер файла: |
258.89 КБ |
| Просмотрено: |
184 раз(а) |

|
| P8090023.JPG |
| Описание: |
|
| Размер файла: |
337.54 КБ |
| Просмотрено: |
189 раз(а) |

|
TinySwitch-II_PIDesign1.zip 18.36 КБ Скачано: 219 раз(а)
БП TNY268N.zip 12.11 КБ Скачано: 228 раз(а)
|
|
Jorg63
Передовик
Сообщения: 1185
|
| На TNY получаются довольно надежные импульсники, кому не лень мотать транс импульсный..цена-качество на высоте. |
|
oleg1ma
Завсегдатай
Сообщения: 371
|
| А главное - дешевые и не нужна обмотка самопитания как в топе. |
|