ESpec - мир электроники для профессионалов


Кадровая Развертка TS20X

  Список форумов » Некомпетентные вопросы
На страницу Пред.  1, 2, 3
Следующая тема · Предыдущая тема
АвторСообщение
Влад-Сумы 
Завсегдатай
Сообщения: 997
Влад-Сумы
 
Сообщение #41 От 02/03/2017 17:30 цитата  

asus1011, у меня в самце была такая как у тебя неисправность,всё перепроверил,оказалась ОС.
iyzef 
Хитрый лис
Сообщения: 7860
iyzef
 
Сообщение #42 От 02/03/2017 17:41 цитата  

asus1011, Давай сюда скрин строки- обмусолим!
asus1011 
Участник
Сообщения: 110
 
Сообщение #43 От 03/03/2017 00:39 цитата  

iyzef писал:
asus1011, Давай сюда скрин строки- обмусолим!



у меня есть кин где стоит отклонялка и кин плоский можно будет на нем проверить , так как отклонялка которая есть в наличии почему-то плотно не стает на кине ОРИОН Если ставить то сводящие магниты не встают , трубка короткавата , а это кин что есть и отклонялка стоит на нем ЛИБЕРТИ диагональ та-же и плоский.
Спасибо Огромное!!!

  3.JPG  89.6 КБ  Скачано: 265 раз(а)
STIPLER 
Халтурщик
Сообщения: 5865
STIPLER
 
Сообщение #44 От 03/03/2017 10:53 цитата  

asus1011 писал:
у меня есть кин где стоит отклонялка и кин плоский можно будет на нем проверить , так как отклонялка которая есть в наличии почему-то плотно не стает на кине ОРИОН Если ставить то сводящие магниты не встают , трубка короткавата , а это кин что есть и отклонялка стоит на нем ЛИБЕРТИ диагональ та-же и плоский.

Хочешь на слимовский кинескоп с "квадратным" сечением под ОС влепить отклонялку от обычного кина???
Не пойдёт! Нет
Лучше перекинь шасси.
eduard2 
Модератор
<B>Модератор</B>
Сообщения: 4783
eduard2
 
Сообщение #45 От 03/03/2017 11:56 цитата  

STIPLER,
Цитата:
Хочешь на слимовский кинескоп с "квадратным" сечением под ОС влепить отклонялку от обычного кина???
Не пойдёт!
. Да это всем известно что на слим обычная Оса не покатит ,а че вы к ОСе приепались то ? это уже как он проверит ослом что у него там творится с СР и КР , но как пишет сам ТС что у него
Цитата:
Осцила нету,
Это типа ремонт будет путём метода тыка ( поменял одно не пошло, потом другое и т.д ) пусть уже сразу шасску меняет, кстати как ты сам об этом пишешь
Цитата:
Лучше перекинь шасси
asus1011,
Цитата:
Вопрос: питание кадровой у меня 31вольт по схеме 25вольт Это норма???
Нет
Цитата:
по кадровой у меня литы стоят на 25вольт и питание то 31вольт , Может влиять ???
Это до фени , у тебя подушка на растре ( по вертикали опусти тогда будет что то понятно ) по строкам ДМ нарушен , при каких делах тут КР? (смотри не играйся с ней то ещё может срезать горло кина )
Цитата:
У меня есть отклонялка с такого же может подкинуть?
Так какие проблемы подкиннь для проверки , тебе же об этом писали
Цитата:
Прошу ткнуть пальцем что ещё
НЕ КТО ТЕБЕ НЕ БУДЕТ ТЫКАТЬ ПАЛЬЦЕМ , здесь не тех поддержка клиентов ,
ЗЫ-если я не знаю что и как делается я вызываю МАСТЕРА
Егор90 
Бывалый
Сообщения: 43
Егор90
 
Сообщение #46 От 09/03/2017 15:35 цитата  

Разобрался с проблемой, нет?
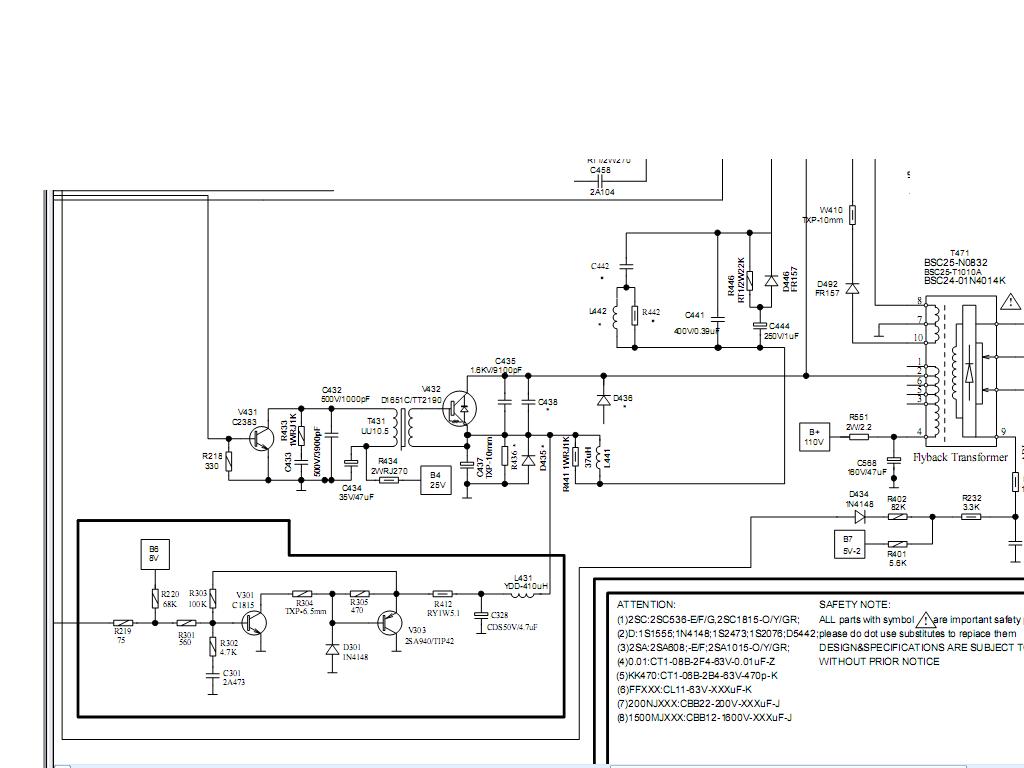
С444 - новый стоит?
Раз нет осцилла, то ОСу сразу подкинуть нужно было, тем более, что есть замена...
asus1011 
Участник
Сообщения: 110
 
Сообщение #47 От 21/03/2017 21:26 цитата  

С444 не новый стоит но сейчас посталю
ОС не подходит на эту трубку какая то большая трубка короткая сводящие нет куда поставить
Спасибо!!!
asus1011 
Участник
Сообщения: 110
 
Сообщение #48 От 24/03/2017 21:16 цитата  

Здравствуйте
Поменял кондер 444
Не помогло
Подкинул другой кин не помогло тоже самое
Завтра вроде будет кадровая оригинал попробую подкинуть
Спасибо Огромное!!!
Yuritsh 
Фанат форума
Сообщения: 18498
Yuritsh
 
Сообщение #49 От 25/03/2017 10:53 цитата  

asus1011 писал:
Завтра вроде будет кадровая оригинал попробую подкинуть
При чем тут кадровая?
Влад-Сумы 
Завсегдатай
Сообщения: 997
Влад-Сумы
 
Сообщение #50 От 25/03/2017 15:52 цитата  

asus1011, кадровая здесь не причем.
asus1011 
Участник
Сообщения: 110
 
Сообщение #51 От 25/03/2017 23:25 цитата  

Заворот снизу это не кадровая?
Кадровая мс поработала без радиатора 10 сек ощутимо гарячая как можно збить напряжение ???
А может ТДКС потянуло подавлен???
444 поменян
Спасибо!!!
asus1011 
Участник
Сообщения: 110
 
Сообщение #52 От 26/03/2017 19:25 цитата  

Заворот снизу это не кадровая?
Кадровая мс поработала без радиатора 10 сек ощутимо гарячая как можно збить напряжение ???
А может ТДКС потянуло ???
444 поменян
Спасибо!!!
asus1011 
Участник
Сообщения: 110
 
Сообщение #53 От 07/04/2017 07:30 цитата  

Видимо помощи не дождусь здесь???
Спасибо!!!
Yuritsh 
Фанат форума
Сообщения: 18498
Yuritsh
 
Сообщение #54 От 07/04/2017 12:36 цитата  

asus1011 писал:
Кадровая мс поработала без радиатора 10 сек ощутимо гарячая как можно збить напряжение ???
Закрой ТВ, и отдай мастеру. Какая нахрен помощь, если ты НОЛЬ?
asus1011 
Участник
Сообщения: 110
 
Сообщение #55 От 21/04/2017 16:58 цитата  

Так помогите разобраться?!
для того и существует этот форум чтоб помогать друг другу или не так?
скоро и мастеров толковых не будет , сужу по тому что у меня в городе нет с кем даже поговорить , по стиралкам Индезит было после сервиса комне привозили и я их делал а сервис модуль меняет !!!
такой сервис у меня есть а Вы помогите тому кто пытается хоть что-то своими руками зделать...
Спасибо!!!

Перейти: 
Следующая тема · Предыдущая тема
На страницу Пред.  1, 2, 3
Показать/скрыть Ваши права в разделе

Интересное от ESpec


Другие темы раздела Некомпетентные вопросы

67


Rambler's Top100 Рейтинг@Mail.ru liveinternet.ru