| Автор | Сообщение |
|
watcher184
|
тв akai ct2107d y1 при включении пискнул и индикатор дежурного режима погас. через несколько минут включил сеть, индикатор деж. режима загорелся, но тв на кнопки не реагирует. снял плату. бп выдает 115, 17, 5 в. на процессоре C68224y питание 5 в есть , но на кнопки он не реагирует, 0,7 в с ножки 15 (станд бай) не выдает. вопрос, как железно убедиться, что процессор накрылся? может проверять надо на собранном тв?
есть осцилограф
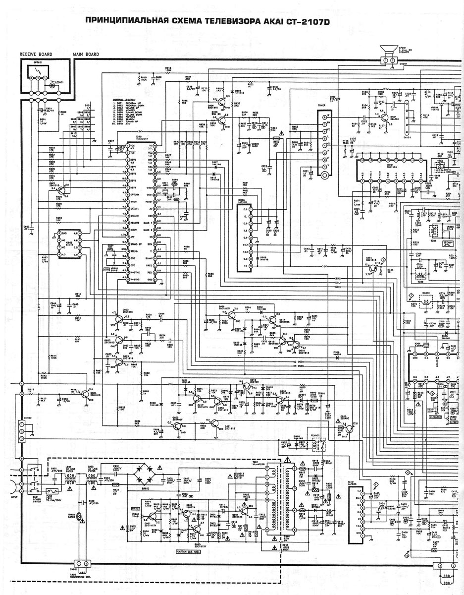
| Shema011-проц.jpg |
| Описание: |
|
| Размер файла: |
314.53 КБ |
| Просмотрено: |
292 раз(а) |

|
|
|
Kolupalkin
Завсегдатай
Сообщения: 914
|
watcher184,
Твой ящик в дежурке стоит!
Включить можно только пультом или сетевой кнопкой ,
там на ней контактики есть! |
|
REKKA
Фанат форума
Сообщения: 3722
|
|
STIPLER
Халтурщик
Сообщения: 5865
|
| Kolupalkin писал: | watcher184,
Твой ящик в дежурке стоит!
Включить можно только пультом или сетевой кнопкой ,
там на ней контактики есть! |
Ага. С сухими литами в первичке.
ТС о ESR вряд ли наслышан. |
|
|
watcher184
|
| Kolupalkin писал: | watcher184,
Твой ящик в дежурке стоит!
Включить можно только пультом или сетевой кнопкой ,
там на ней контактики есть! | пульт потерян.сетевой кнопкой включается только дежурный режим, дальше ничего не включается. а разве кнопками прогр. Вверх/вниз ТВ не должен включаться? Есть еще исправный ТВ jvc , тот включается |
|
|
watcher184
|
Был. Кнопки проверил. Живых три,: настройка вверх/вниз и пикчер.Эти кнопки тоже не включают.Подробнее,пожалуйста, про scl,sda-что за ножки на процессоре? Как проверяется кварц? В дежурном режиме на нем нет напряжений. И литов в обвязке процессора нет. Ну кроме первой ножки, но он гуд
Не пинайте, я начинающий |
|
валентин-сибиряк
Фанат форума
Сообщения: 9039
|
watcher184, Ты знаешь историю про большой 12-ти вольтовый стабик?
А про резистор в буфере строчной?
Про литы STIPLER уже сказал. |
|
|
watcher184
|
Это zd401 во вторичном ИП? Из-за него может не запускаться процессор? А про буфер что? Дай ссылку. Мне все полезно прочитать
ДОБАВЛЕНО 05/05/2017 06:57
Вроде где-то читал, что к замене импортных стабов на отечественные нужно подходить ответственно |
|
|
watcher184
|
Но если реле не срабатывает , строчная не запускается, то начинать нужно с процессора? А Если ТВ при первом включении пискнул и отключился, наверное что-то сгорело в развертках. Может это блокирует проц. Как отключить тогда блокировку ? 115 за реле дальше отключить, чтобы еще что не сгорело
Вчера Кнопку 1 программы вверх (не работает) имитировал замыканием ножек 3 и 4. Напряжение 0,7 на стенд бай не появилось.буду искать исправный кварц на 4 МГц, |
|
валентин-сибиряк
Фанат форума
Сообщения: 9039
|
watcher184, на колл. Q-402 есть напруга и сколь ,если есть  |
|
|
watcher184
|
сегодня при включении кн. сеть сразу сработало реле(на стандбай 4,8 в, на ножке 34 - 2,3 в, на 33- 0,7в). на коллекторе q402 - 112 в. убрал щуп мультиметра с ножки 33 - раздался щелчок и реле отбилось. завтра отвезу плату в гараж и подключу к кинескопу. может какие-то меры предосторожности нужно принять?
p.s тв несколько лет стоял в смотровой яме при повышенной влажности. дома видно подсох |
|
REKKA
Фанат форума
Сообщения: 3722
|
| watcher184, если в яме он стоял то можно уже и не ремонтить Там дефект на дефекте будит, и дефектом после ремонта вылазить Влажность для них гроб |
|
|
watcher184
|
| проверил zd401/ он уже заменялся . стоит ВZX 85C 12/ при прозвонке исправен |
|
Yuritsh
Фанат форума
Сообщения: 18498
|
| watcher184 писал: | | как железно убедиться, что процессор накрылся? | Очередной бред жмотоклиента.
Закрой, и отдай в ремонт тому, кто хоть что-то в этом понимает. |
|
валентин-сибиряк
Фанат форума
Сообщения: 9039
|
| Цитата: | | несколько лет стоял в смотровой яме при повышенной влажности. |
Пробуй суши феном,но наверно пипец ему. |
|
blek1
Передовик
Сообщения: 1212
|
| Все поняли?!Если телевизор не включается-значит накрылся проц. |
|
|
watcher184
|
| Yuritsh писал: | | watcher184 писал: | | как железно убедиться, что процессор накрылся? | Очередной бред жмотоклиента.
Закрой, и отдай в ремонт тому, кто хоть что-то в этом понимает. |
а ты крутой жмоторемонтер? не хочешь помочь, не лезь со своими советами.
мне просто все это интересно. и спасибо людям, которые помогают советами. для этого и форум создан |
|
Joiner
Фанат форума
Сообщения: 3612
|
| watcher184 писал: | | ... мне просто все это интересно... | Это в смысле ради интереса готов добить девайс?
| watcher184 писал: | | ...для этого и форум создан... | И посетитель должен знать Правила, по которым перед созданием темы нужно предварительно посмотреть поиском по всему нэту нужное для исключения дублирования схожих тем. Проще говоря : форум - не вахтер, указывающий всякому входящему нужное направление
Нажми на мну
Нажми второй раз |
|
|
watcher184
|
1.этот ДЭВАЙС я притащил с помойки и ради интереса готов добить. устраивает ?
2. правила я прочитал, по поиску ответы на интересующие меня вопросы не нашел, что рекомендовалось- сделал, но не помогло.
3. тебя лично я как-то напряг?
ДОБАВЛЕНО 06/05/2017 13:20
| валентин-сибиряк писал: | | Цитата: | | несколько лет стоял в смотровой яме при повышенной влажности. |
Пробуй суши феном,но наверно пипец ему. |
просушил, проверил еще раз кондеры в бп, но кварце появилось напряжение. прорцессор, похоже заработал. реле сработало. на коллекторе строчного транзистора появилось 112 вольт. собрал тв штатно. включил кнопку сеть . строчник запищал и через секунду реле отбилось. все выключил. читаю другие советы |
|
Joiner
Фанат форума
Сообщения: 3612
|
| watcher184 писал: | | 1.этот ДЭВАЙС я притащил с помойки ... |
Взад, всё вертай взад!!!
Ещё не хватало тут устраивать помоечные посиделки.  |
|