| Автор | Сообщение |
|
Dnzl
|
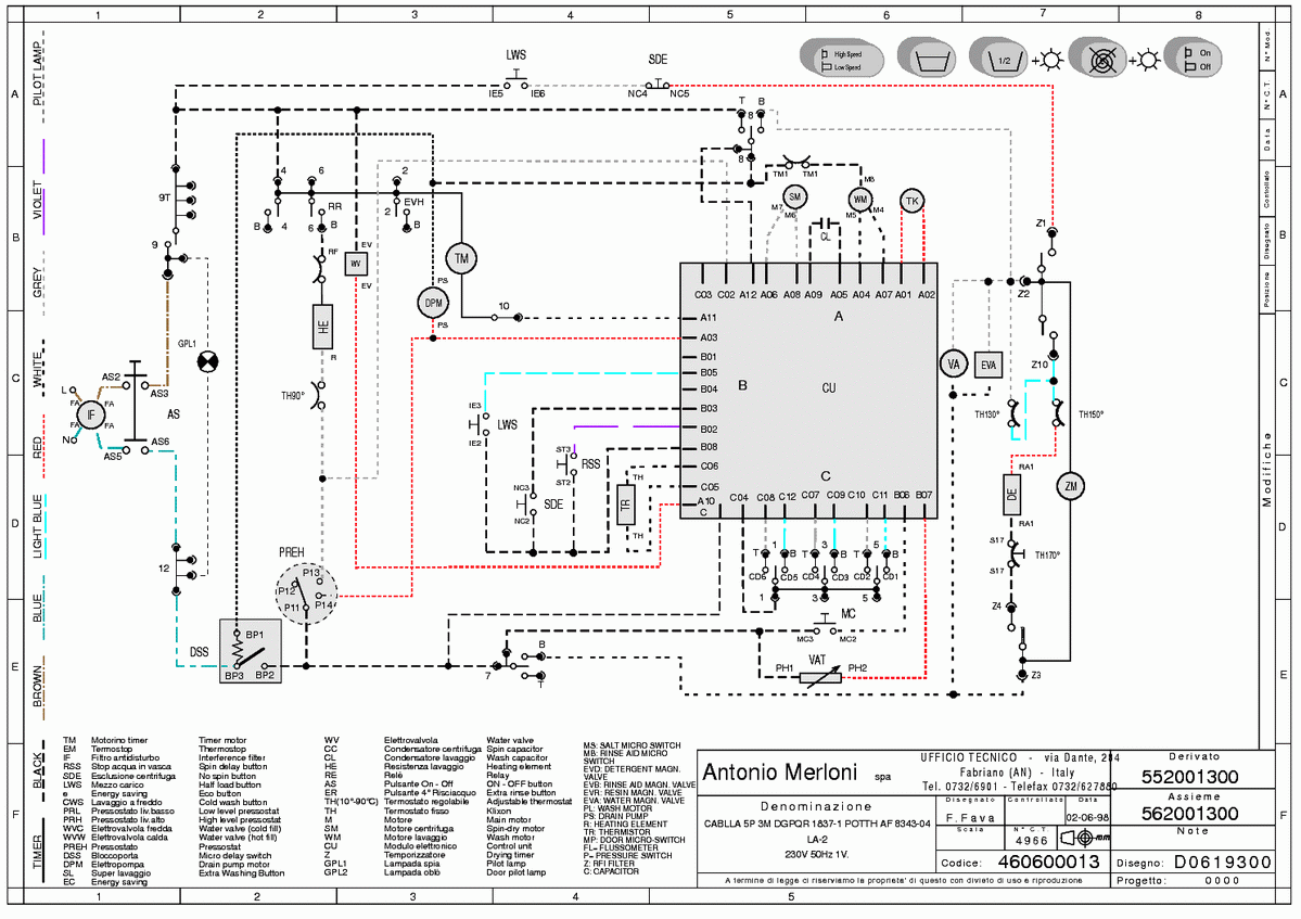
ARDO WD1200X (994327259, серийник удалили)
Модуль DMPA 12 ELMARC H7 (546013501)
Множественные проблемы ( глюки на первой и второй программе, тэн не реагирует на регулятор температуры, нет отжима).
1.На первом шаге командоаппарата срабатывает УБЛ и сразу вращается мотор, где-то 65 об/мин, далее переход на 2-й шаг. Нет залива. Залив начинается на третьем шаге.
2. Нагрев отсутствует на первой и второй прогамме стирки (1 и 4 шаги КА). Если включить на 1-й или 4-й шаг с водой в баке, то греет, но независимо от положения регулятора температуры. Греет по таймеру примерно 45-50 секунд.
3. На 7-й программе стирки (28-30 шаги КА), не выходит на отжим, крутит с реверсом + помпа откачивает постоянно , но отжимные обмотки реле не включает, нет сигнала на открытие ключа Q1 c проца.
Проверено: прессостат, тэн (включая пробой на корпус), отдельно движок запускал на стиральных и отжимных обмотках с реверсом
сопротивление обмоток:
раб. отжим - 13.3
пуск. отжим - 29
раб. вправо - 34,3
раб. влево - 34,5
Шкив притормаживал деревяхой, менял кондёр (хотя ёмкость на родном 22 мкФ)
Помпу и клапан залива не проверял, работают.
При включении реле реверса К2, проседает питание на стабилитроне до 19В, менял стабилитрон ситуация не изменилась.
Модуль DMPA проверял частично (обвёл синим на схеме то что проверил) нашёл пару пробитых диодов на входах проца , напруги тоже на схеме.
Командоаппарат проверил по циклограмме, судя по названию у меня такой же (1837/1) все контакты по 31 шаг (хлопку) замыкаются точно по циклограмме.
Автотест 1 (30-й шаг КА):
(кнопка центрифуги на 550 об.)
Сначала 45 об., при установке ручки на 40 градусов врубает отжимные обмотки - около 250 об. Если ручку температуры вернуть на минимум то врубает около 550об, на остальные кнопки не реагирует.
(кнопка центрифуги на 1200 об.)
Сначала 45 об.,при установке ручки на 40 градусов врубает отжимные обмотки - около 250 об., кнопка половинной загрузки 400об, кнопка остановка с водой в баке прерывает тест, на остальные кнопки не реагирует. Если ручку температуры вернуть на минимум то врубает 1200об.
Автотест 2 (1-й шаг КА) с водой в баке не проходит, не заливает воду.
Есть подозрение, что сдох контроллер. Может посоветуете, что ещё посмотреть?
P.S. Основы работы СМ узнал около недели назад, электроникой почти не владею, могу посмотреть напруги, проверить компоненты.
| Cyclogram.gif |
| Описание: |
|
| Размер файла: |
201.35 КБ |
| Просмотрено: |
303 раз(а) |

|
| DMPA.png |
| Описание: |
|
| Размер файла: |
373.85 КБ |
| Просмотрено: |
480 раз(а) |

|
Ardo WD1200X.png 118.77 КБ Скачано: 300 раз(а)
|
|
аliеn
Передовик
Сообщения: 2644
|
| Dnzl писал: | | P.S. Основы работы СМ узнал около недели назад, электроникой почти не владею... |
Купи кисточку, банку белой краски и пройди корпус в два слоя. Надеюсь, красить умеешь??? |
|
|
Dnzl
|
| аliеn писал: | | Купи кисточку, банку белой краски и пройди корпус в два слоя. Надеюсь, красить умеешь??? |
А если бы не было PS, чтобы Вы посоветовали, исходя из полученных данных?
ДОБАВЛЕНО 21/06/2018 20:47
Ребята, тут спецы есть? Или только напыщенные коты? |
|
power1
Передовик
Сообщения: 1240
|
Dnzl, Во даешь, мемуары тебе писать. Такие аппараты сразу в мусор направляю. Респект тебе за схему, где откопал, мож кто и скачает
на всяк случай, как на хлеб не будет, пригодится. За твои труды пятерка тебе. - посмотри сигнал синхронизации 50 гц, у таких модулей болячка
по отжиму. |
|
Антонов007
Передовик
Сообщения: 1884
|
кот под валерянкой
100килоомные резисторы проверте |
|
|
Dnzl
|
| power1 писал: | | Такие аппараты сразу в мусор направляю. |
Аппарат почти новый, где-то в сарае простоял с дефектом. Пластик морды не пожелтел, как с конвеера. А вообще эта машинка как премиум класс сейчас, такой не найти, лет 10-15 будет работать...
| power1 писал: | посмотри сигнал синхронизации 50 гц, у таких модулей болячка
по отжиму. |
| Антонов007 писал: | | 100килоомные резисторы проверте |
Спасибо друзья, завтра посмотрю, всё что посоветовали проверить. |
|
yura14
Фанат форума
Сообщения: 3033
|
Dnzl, к таким " ценным " и " толковым " советам можно добавить - " проверить ещё и ножки ".  |
|
|
Dnzl
|
| yura14, посоветуйте Вы, если не затруднит. |
|
аliеn
Передовик
Сообщения: 2644
|
выкрасить и выбросить!!!  |
|
|
Dnzl
|
В общем друзья почитал я тут некоторые темки и понял, что помогают исключительно мастерам. Остальные - клиенты отбирающие (недодающие) хлеб. Ладно, удачи всем, куплю модуль и всё решится, иначе быть не может, остальное живо 100%.  |
|
Александр Михалыч
Фанат форума
Сообщения: 4759
|
Вот действительно, чего вы наехали на человека. Не каждый день такие продвинутые (реально) клиенты попадаются.
| Dnzl писал: | | ... P.S. Основы работы СМ узнал около недели назад, электроникой почти не владею, могу посмотреть напруги, проверить компоненты. |
Даже не очень вериться, что сказанное PS, - действительность.
Тут некоторым, - называющих себя мастерами, стоит поучиться у автора темы, как нужно подходить к ремонту, и соответственно, - как создавать темы.
PS Продайте человеку прошитый проц (или б/у модуль), и все будут довольны.
ДОБАВЛЕНО 21/06/2018 22:31
Dnzl, Обозначьтесь в профиле, "откуда, куда, зачем"  |
|
|
Dnzl
|
| Александр Михалыч писал: | PS Продайте человеку прошитый проц (или б/у модуль), и все будут довольны. |
Проц не шьётся насколько я понял, однократная запись на заводе. Да и жив ли он, мне кажется там входы погорели.
| Александр Михалыч писал: | Обозначьтесь в профиле, "откуда, куда, зачем"  |
Ок.  |
|
Александр Михалыч
Фанат форума
Сообщения: 4759
|
| Dnzl писал: | | ...Проц не шьётся насколько я понял, однократная запись на заводе. Да и жив ли он, мне кажется там входы погорели. |
Dnzl, - слишком логично рассуждаете для клиента с недельным опытом мастера. Раскрывайте карты уже.  |
|
|
Dnzl
|
За неделю прочитано две статьи: Ремонт и Сервис- май 2007г. "Устройство и ремонт электронного модуля DMPA стиральных машин ARDO" и вторая о итальянских клонах ARDO - "Bompani". Плюс топики с нескольких форумов, включая этот по запросу в поиске ARDO 600,800,1000,1200. и конечно же инструкция по эксплуатации этой машинки.
Машинка куплена у частника около месяца назад, ремонтом занялся около недели назад. До этого к своему стыду признаюсь, пользовался машинкой активаторного типа "Волна" или "Волга". Понятия не имел как устроены современные машинки. Сам занимаюсь ремонтом копиров и принтеров около 15 лет, работаю в маленькой фирме, в Ростове-на-Дону. Вот и вся история. Чистая правда. |
|
|
Андрей-Мирон
|
| модуля управления в сма ARDO нежные,если что-то происходит,да и ещё возле процессора то 90 % того что процессор не работоспособный ,на этом форуме встречал темы про прошивки процессоров на ARDO. |
|
sashko65
Фанат форума
Сообщения: 14972
|
| Dnzl, зачем замарачиватся ,найди по объявления убитую но с живой электроникой . |
|
Александр Михалыч
Фанат форума
Сообщения: 4759
|
Ну вот я и говорю, -
| Александр Михалыч писал: | ... PS Продайте человеку прошитый проц (или б/у модуль), и все будут довольны. ... . |
|
|
Мелиор
Старший модератор
Сообщения: 35051
|
| Dnzl писал: | | Ребята, тут спецы есть? Или только напыщенные коты? | Не скажу, что только коты, но котов достаточно
| power1 писал: | | Респект тебе за схему, где откопал |
Есть такая программа - Google называется? Там столько всего закопано!.. |
|
yura14
Фанат форума
Сообщения: 3033
|
Dnzl, тестер есть ? R измерить сможешь ?  |
|
|
Dnzl
|
Постараюсь, ну в гугле поищу как, на крайняк.  |
|

|