| Автор | Сообщение |
sattel
Завсегдатай
Сообщения: 544
|
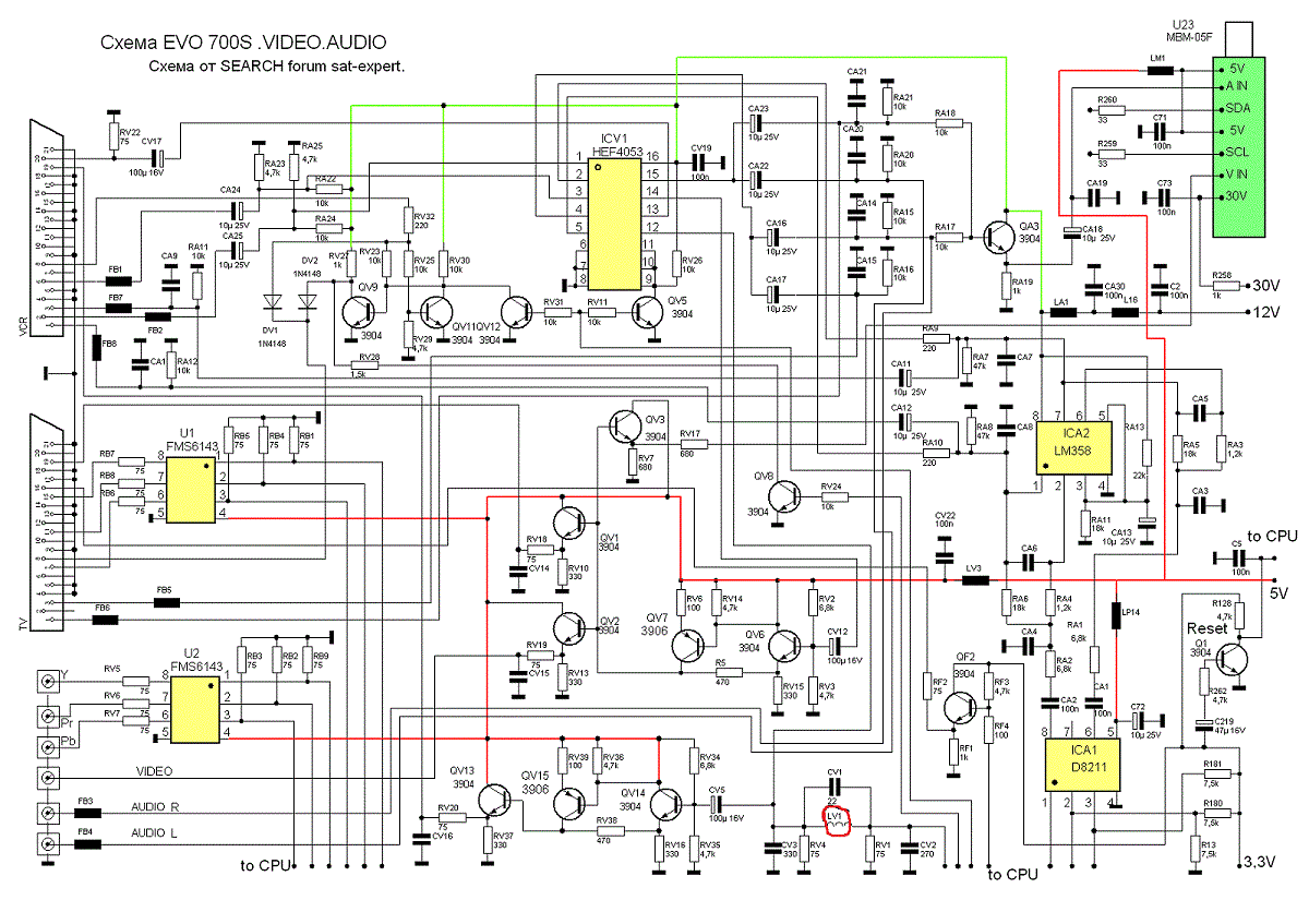
Дефект интересный, заключается в том, что цвета тюнер выдает правильные только в SECAM, а в других стандартах "лица у людей синие"
Цвета такие уже на LV1.
Питание проверено, прошивку менял.
Video,Audio.GIF 120.72 КБ Скачано: 338 раз(а)
|
|
viktor_ramb
Сам себе начальник
Сообщения: 23835
|
sattel, | Цитата: | | а в других стандартах "лица у людей синие" |
Получается что вроде как всё в НТСЦ ? А на других ТВ пробовал? |
|
sattel
Завсегдатай
Сообщения: 544
|
| Конечно.Такой сигнал выдает процессор, обвязку проверял ,ослик временно недоступен.В ПАЛ и НТСЦ все "синие" |
|
viktor_ramb
Сам себе начальник
Сообщения: 23835
|
| Цитата: | | В ПАЛ и НТСЦ все "синие" |
А хоть какая-то разница есть при переключении ПАЛ-НТСЦ ? |
|
misha7
Модератор
Сообщения: 1787
|
viktor_ramb, у него не работает осцилограф. а нужно в PAL вспышку посмотреть и сделать вывод. Это с ресивера цветные полосы в PAL. Размах указан на картинке ( плохо видно V=0,5V).

|
|
sattel
Завсегдатай
Сообщения: 544
|
| Пал нтсц, нет никакой разницы, только секам. |
|
|
zenoviy
|
После прошивки на заводские сбрасывал??? |
|
sattel
Завсегдатай
Сообщения: 544
|
| Я нет, проверят-отпишусь. |
|
sattel
Завсегдатай
Сообщения: 544
|
Вопрос решен:"сброс в заводские решил проблемму".
Со слов хозяина, эти изменения происходили со временем-постепенно. |
|