ESpec - мир электроники для профессионалов


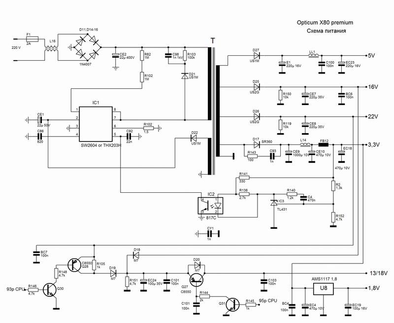
SkyPrime XP схема БП шим TOP115

  Список форумов » Цифровые приставки, спутниковое оборудование

Следующая тема · Предыдущая тема
АвторСообщение
sereny6627 
Заглянувший
Сообщения: 3
 
Сообщение #1 От 12/03/2015 00:18 цитата  

Доброго дня или ночи...если есть у кого схема БП на спутниковый тюнер Sky Prime XP шим стояла TOP115....в инете нашёл что аналог THX203H..заменил, тюнер запустился но не проработав и 2-х минут шимка вылетела КЗ между 2 и 3 ногами....обвязку проверил до установки и заменил электролиты....если кто сталкивался скиньте инфу...заранее спасибо...
vadim3008 
Мастер Добрых Дел
Мастер Добрых Дел
Сообщения: 5819
vadim3008
 
Сообщение #2 От 12/03/2015 00:44 цитата  

sereny6627, резисторы по питанию микросхемы живы?

ДОБАВЛЕНО 11/03/2015 23:57

посмотри может твое http://archive.espec.ws/section980/file30656.html ?
sereny6627 
Заглянувший
Сообщения: 3
 
Сообщение #3 От 12/03/2015 08:56 цитата  

да все резисторы проверил в обвязке в норме..
sereny6627 
Заглянувший
Сообщения: 3
 
Сообщение #4 От 02/06/2015 17:06 цитата  

Нашёл схему БП , всё соответствует все номиналы резисторов и конденсаторов единственное в тюнере не стоял конденсатор C86 с 4 ноги ШИМ на корпус ( в даташите на THX203H - 680 а по схеме 820 )если впаиваю ёмкость запуска нет напряжения занижены почти в 3 раза когда выпаиваю стартует идёт видеосигнал на ТВ но ШИМ кипяток, одну уже спалил...ЕСЛИ ЕСТЬ МЫСЛИ ПОДЕЛИТЕСЬ ПОЖАЛУЙСТА...ps все диоды, кондёры и резисторы проверены заменой

  222.JPG  46.1 КБ  Скачано: 1314 раз(а)
koliambia 
Заглянувший
Сообщения: 7
 
Сообщение #5 От 13/07/2015 19:29 цитата  

улыбкатоже спалилась thx203.
В ремонт попало два таких тюнера,версии плат разные,но в бп одинаково все.Стоит во втором sw2604-также нашёл что аналог....
koliambia 
Заглянувший
Сообщения: 7
 
Сообщение #6 От 14/07/2015 10:08 цитата  

Значит поставил Sw2604 -запустился все ок.
Top115=sw2604
silver075 
Заглянувший
Сообщения: 6
 
Сообщение #7 От 14/02/2016 17:30 цитата  

Top115=sw2604 больше ничего менять не надо?
Chaika 
Заглянувший
Сообщения: 9
 
Сообщение #8 От 31/03/2016 21:35 цитата  

silver075 писал:
Top115=sw2604 больше ничего менять не надо?


Вместо SW2604 ставил THX203H=SH604=RM6203=LM6203 возвратов нет(ресы Ортон Х80 Премиум).
albrik 
Заглянувший
Сообщения: 3
 
Сообщение #9 От 26/04/2017 20:29 цитата  

Стояла в БП top115. Поставил SW2604A. Проверил все диоды в обвязке - целые. Никаких видимых повреждений не обнаружил. При включении SW2604A взорвалась. Брак в SW2604A??
sattel 
Завсегдатай
Сообщения: 544
sattel
 
Сообщение #10 От 30/04/2017 18:31 цитата  

А кроме диодов там ничего нет, ничего не нужно проверять?
albrik 
Заглянувший
Сообщения: 3
 
Сообщение #11 От 30/04/2017 21:28 цитата  

sattel писал:
А кроме диодов там ничего нет, ничего не нужно проверять?

В диоде может быть скрытый дефект. Были также проверены все детали в обвязке. Только вот транс проверить никак не смогу.

Перейти: 
Следующая тема · Предыдущая тема
Показать/скрыть Ваши права в разделе

Интересное от ESpec


Другие темы раздела Цифровые приставки, спутниковое оборудование



Rambler's Top100 Рейтинг@Mail.ru liveinternet.ru