ESpec - мир электроники для профессионалов


Осциллограф C1-125-не регулируется яркость.

  Список форумов » Измерительные приборы

Следующая тема · Предыдущая тема
АвторСообщение
wolk 
Участник
Сообщения: 223
 
Сообщение #1 От 18/07/2015 20:20 цитата  

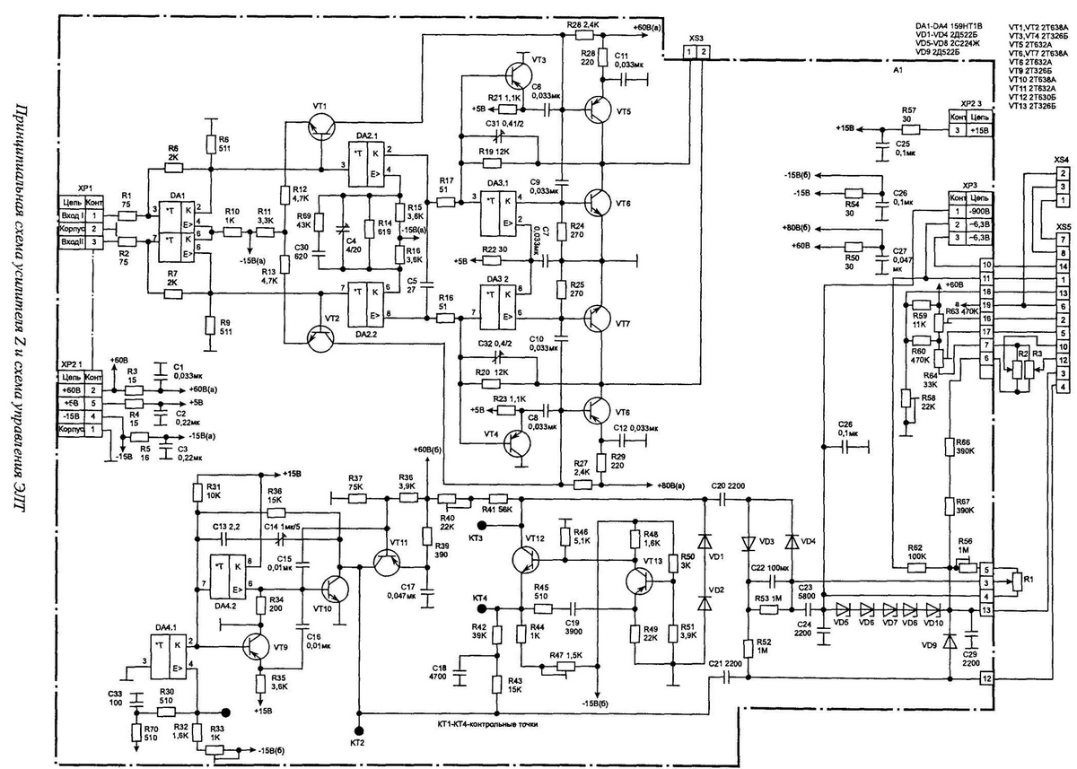
Сегодня поломался мой осцилоскоп. Перестала регулироватся яркость. Стоит на максимуме. Напряжения в блоке в основном соответствуют схеме, только вместо 60 присутствует 70в. Нашел что D9 в утечке, заменил. С R1 регулируется только в пределах от 880 до 850в. Не могу разобратся, как происходит регулировка Яркости. Схема немного не совпадает с блоком. Прошу помочь.
На КТ3 нет импульсов.

pic5.jpg
 Описание:
 Размер файла:  495.49 КБ
 Просмотрено:  305 раз(а)

pic5.jpg


pic4.jpg
 Описание:
 Размер файла:  316.68 КБ
 Просмотрено:  257 раз(а)

pic4.jpg


II3II 
Передовик
Сообщения: 1053
II3II
 
Сообщение #2 От 18/07/2015 20:33 цитата  

Информации в ин-те море. Начните с замены зл-литов.
https://www.google.ru/search?hl=ru&source=hp&biw=&bih=&q=%D1%80%D0%B5%D0%BC%D0%BE%D0%BD%D1%82+%D0%A11-125&btnG=%D0%9F%D0%BE%D0%B8%D1%81%D0%BA+%D0%B2+Google&gbv=1
wolk 
Участник
Сообщения: 223
 
Сообщение #3 От 18/07/2015 20:41 цитата  

Электролиты все проверены. Вся эта инфа у меня есть. Там непонятно расказана работа регулировки яркости, поэтому и тему создал.

Перейти: 
Следующая тема · Предыдущая тема
Показать/скрыть Ваши права в разделе

Интересное от ESpec


Другие темы раздела Измерительные приборы



Rambler's Top100 Рейтинг@Mail.ru liveinternet.ru