| Автор | Сообщение |
|
NoMatter
|
Доброго времени суток! Отдали осциллограф С1-94. Разъем под щупы на нем как на советских магнитофонах и щупов в комплекте нет.. колхозить щуп нет желания... Хочу заменить разъем для подключения щупа на BNC и воссоздать союз Китая и ссср)) при вскрытии обнаружил что к разъёму припаяно 3 проводочка, как их перенести на BNC-разъём? Заранее спасибо! Фотки ниже.
| 2015-10-17 14-03-20.JPG |
| Описание: |
|
| Размер файла: |
237.99 КБ |
| Просмотрено: |
1025 раз(а) |

|
| 2015-10-17 14-03-33.JPG |
| Описание: |
|
| Размер файла: |
253.41 КБ |
| Просмотрено: |
796 раз(а) |

|
| 2015-10-17 14-03-44.JPG |
| Описание: |
|
| Размер файла: |
211.01 КБ |
| Просмотрено: |
712 раз(а) |

|
|
|
blek1
Передовик
Сообщения: 1212
|
| Ты схему на свой осциллограф скачай и поймёшь откуда и для чего эти проводки.Ну а на щупах новых разберёшься.Или на свои разъёмы скачай даташит в фото формате+схема на осциллограф и в перёд.Не вижу сложностей. |
|
|
NoMatter
|
| blek1 писал: | | Ты схему на свой осциллограф скачай и поймёшь откуда и для чего эти проводки.Ну а на щупах новых разберёшься.Или на свои разъёмы скачай даташит в фото формате+схема на осциллограф и в перёд.Не вижу сложностей. |
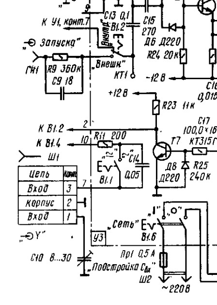
ну если бы не было сложностей, я бы не написал сюда. вот скриншот куска схемы.

|
|
blek1
Передовик
Сообщения: 1212
|
И что?Оплётку щупа на сигнальный GND,сердечник к контакту У.Разве не так?Два разъёма сделай,один на постоянку,другой на переменку,просто щуп перетыкать будешь и всё.
ДОБАВЛЕНО 17/10/2015 15:53
А хотя зачем там всё норм.Сердечник в У,а оплётку к GND
ДОБАВЛЕНО 17/10/2015 15:55
У тебя там,когда переключатель отжат(разрыв)-ты меряешь переменку.А когда переключатель нажат(замыкание конденсатора)ты меряешь постоянку,через резистор 200 Ом.
ДОБАВЛЕНО 17/10/2015 16:11
Щупы BNC 100 Mhz они идут комплект пара,то есть 2 щупа?На двух канальный осциллограф?Если да то можно подсоединить,чтобы один мерял постоянный сигнал.а другой переменный без переключателя.Или замутить на один делитель через переключатель,а другой пусть работает от старого переключателя на переменку и постоянку. |
|
blek1
Передовик
Сообщения: 1212
|
| Просто тебе надо к своим щупам BNC купить норм разъём(куда втыкать будешь свои щупы).А тупо обрезать и подпаиваться к старому разьёму-по моему,как-то это будет по кустарному. |
|
|
NoMatter
|
| blek1 писал: | | Просто тебе надо к своим щупам BNC купить норм разъём(куда втыкать будешь свои щупы).А тупо обрезать и подпаиваться к старому разьёму-по моему,как-то это будет по кустарному. |
Норм разъём:
1. с пластинкой
2. под гайку
как я понял в стандартных щупах были 2 контакта между собой замкнуты. а третий-обмотка. Тогда 2 контакта вызвонить, между собой и к сердечнику подпаять, а третий-обмотка. Или где? |
|
БЕЗЫМЯННЫЙ
Бегущий по граблям
Сообщения: 7608
|
blek1, читаю я вас и тихо дурею в каком кошмарном сне может присниться необходимость менять щупы для перехода от открытого входа к закрытому, да еще и с переделкой для этого нормальных щупов.
В своем тз автор как раз хочет нормальные BNC разъемы поставить вместо родных СШ, правда фрагмент схемы как раз от варианта с родным разъемом СР50 ( читай BNC). |
|
blek1
Передовик
Сообщения: 1212
|
БЕЗЫМЯННЫЙ, Вот автор то и не поймёт ,как ему новые щупы подключить к осцилографу.Он распиновку старого разъёма не может понять.
ДОБАВЛЕНО 17/10/2015 19:05
NoMatter, Замыкать ни чего не надо.Контакт номер 7-это вход У,а круглешок-это оплётка(экран) припаивается к GND.Я тебя же правильно понял-ты хочешь убрать старый разьём со старыми щупами и выкинуть их куда подальше и поставить новый разъём с новыми щупами BNC 100 Mhz?
ДОБАВЛЕНО 17/10/2015 19:13
| БЕЗЫМЯННЫЙ писал: | blek1, читаю я вас и тихо дурею в каком кошмарном сне может присниться необходимость менять щупы для перехода от открытого входа к закрытому, да еще и с переделкой для этого нормальных щупов.
В своем тз автор как раз хочет нормальные BNC разъемы поставить вместо родных СШ, правда фрагмент схемы как раз от варианта с родным разъемом СР50 ( читай BNC). |
Когда я это написал я схему не видел.Позже посмотрел,что там есть переключатель.Можешь не сдерживаться и дуреть на всю катушку-соседи будут в восторге.  |
|
|
NoMatter
|
| blek1 писал: | | NoMatter, Замыкать ни чего не надо.Контакт номер 7-это вход У,а круглешок-это оплётка(экран) припаивается к GND.Я тебя же правильно понял-ты хочешь убрать старый разьём со старыми щупами и выкинуть их куда подальше и поставить новый разъём с новыми щупами BNC 100 Mhz? |
Да, ты меня правильно понял. Только можешь мне нарисовать прямо на той схеме куда мне что паять? До меня не допирает... первый раз имею дело с осцилографом. и даже никогда в жизни с ним не работал... желательно от проводка стрелочка на схемку и т.д.))) т.к. в СССРовском разъёме 3 провода припаяно а в BNC только 2 должно быть.. вот я и туплю над ним))) |
|
БЕЗЫМЯННЫЙ
Бегущий по граблям
Сообщения: 7608
|
Писать не читая, не думая и не глядя в приводимые схемы и давать разные советы это теперь хороший
тон,продолжайте.
http://metrolog.biz/media/C1-94ch_.pdf а вот тут схема с тремя проводками и нужным разъемом. Нука ткни сходу куды чего подпаивать. |
|
blek1
Передовик
Сообщения: 1212
|
| БЕЗЫМЯННЫЙ писал: | Писать не читая, не думая и не глядя в приводимые схемы и давать разные советы это теперь хороший
тон,продолжайте.
http://metrolog.biz/media/C1-94ch_.pdf а вот тут схема с тремя проводками и нужным разъемом. Нука ткни сходу куды чего подпаивать. |
С начало научись ссылки в сообщения вставлять и потом просить,что бы я на них тыркнул В добавок,ещё схему вверх тормашками выложил
И что на твоём такая же схема,только у тебя подстроечный кондёр для делителя находится в самом осциллографе,а у ТС он находится непосредственно на делители в щупе-который он желает выкинуть. |
|
|
NoMatter
|
| БЕЗЫМЯННЫЙ писал: | | http://metrolog.biz/media/C1-94ch_.pdf а вот тут схема с тремя проводками и нужным разъемом. |
Получается вход1 и корпус2 спаиваем и к экрану, а вход 3 к сердучнику? или входа вместе а корпус к экрану?
или где?
П.С. ребят харош ругаться, давайте вопрос решать)
2015-10-18 01-17-29 Скриншот экрана.jpg 74.46 КБ Скачано: 1502 раз(а)
|
|
blek1
Передовик
Сообщения: 1212
|
ДОБАВЛЕНО 18/10/2015 00:41
| NoMatter писал: | | БЕЗЫМЯННЫЙ писал: | | http://metrolog.biz/media/C1-94ch_.pdf а вот тут схема с тремя проводками и нужным разъемом. |
Получается вход1 и корпус2 спаиваем и к экрану, а вход 3 к сердучнику? или входа вместе а корпус к экрану?
или где?
П.С. ребят харош ругаться, давайте вопрос решать) |
Здесь контакт 3-вход.
контакт 2-сигнальный GND
Контакт 1-это для старого щупа с делителем-подстройка.
ДОБАВЛЕНО 18/10/2015 00:42
Ты новые щупы разбирал?Там делитель идёт или тупо сердечник и оплётка?
ДОБАВЛЕНО 18/10/2015 00:49
Вход 1 не вздумай соединять с 3,а то твои супер щупы на 100 Mhz превратятся в обычные.
ДОБАВЛЕНО 18/10/2015 00:51
Кароче контакт 3 соединяй с сердечником(игла щупа).Контакт 2 с оплёткой(крокодил зажим).
ДОБАВЛЕНО 18/10/2015 00:55
Ну если будут на новых твоих щупах наводки,помехи искажающие сигнал,то придётся или ворачивать старые щупы или собирать к новым щупам делитель по твоей схеме выше. |
|
blek1
Передовик
Сообщения: 1212
|
| Моё мнение,то я бы оставил старые щупы,обновил бы их конечно,подремонтировал ИМХО. |
|
|
NoMatter
|
| blek1 писал: | | Моё мнение,то я бы оставил старые щупы,обновил бы их конечно,подремонтировал ИМХО. |
Я бы тоже, но старых щупов .net .
| blek1 писал: | | Ты новые щупы разбирал?Там делитель идёт или тупо сердечник и оплётка? |
нет не разбирал т.к. они заказаны с китая сегодня) но делитель 1/10 там есть. т.к. на фотках даже переключатель виден и в описании сказано об этом.
| blek1 писал: | | Кароче контакт 3 соединяй с сердечником(игла щупа).Контакт 2 с оплёткой(крокодил зажим). |
а контакт 1? |
|
blek1
Передовик
Сообщения: 1212
|
|
|
NoMatter
|
| blek1 писал: | | А контакт 1 не трогай. |
т.е. на новом подстройка не нужна будет? |
|
blek1
Передовик
Сообщения: 1212
|
| NoMatter писал: | | blek1 писал: | | А контакт 1 не трогай. |
т.е. на новом подстройка не нужна будет? |
А вот это ты сам проверишь,когда их подключишь и начнёшь проверять осцилпограф от генератора.
Тот делитель от старых щупов-это не только сигнал проверять 1:10 или 1:1,но он идёт,как ФНЧ.То есть высокая частота уходит в землю через кондёры .как-то так.Он же у тебя не высокочастотный осциллограф?
ДОБАВЛЕНО 18/10/2015 01:51
А подстроечным кондёром регулируется предел,до какой частоты пропускать ИМХО. |
|
|
NoMatter
|
| blek1 писал: | | NoMatter писал: | | blek1 писал: | | А контакт 1 не трогай. |
т.е. на новом подстройка не нужна будет? |
А вот это ты сам проверишь,когда их подключишь и начнёшь проверять осцилпограф от генератора.
Тот делитель от старых щупов-это не только сигнал проверять 1:10 или 1:1,но он идёт,как ФНЧ.То есть высокая частота уходит в землю через кондёры .как-то так.Он же у тебя не высокочастотный осциллограф?
ДОБАВЛЕНО 18/10/2015 01:51
А подстроечным кондёром регулируется предел,до какой частоты пропускать ИМХО. |
Ясно, Спасибо. когда всё придёт, сюда отпишусь получилось что и мб вопросы ещё появятся) |
|
blek1
Передовик
Сообщения: 1212
|
Окей !Удачи тебе  |
|