ESpec - мир электроники для профессионалов


Мультиметр(клещи) M266F не работает режим проверки диодов

  Список форумов » Измерительные приборы

Следующая тема · Предыдущая тема
АвторСообщение
SergUser 
Новичок
Сообщения: 19
 
Сообщение #1 От 24/04/2020 13:20 цитата  

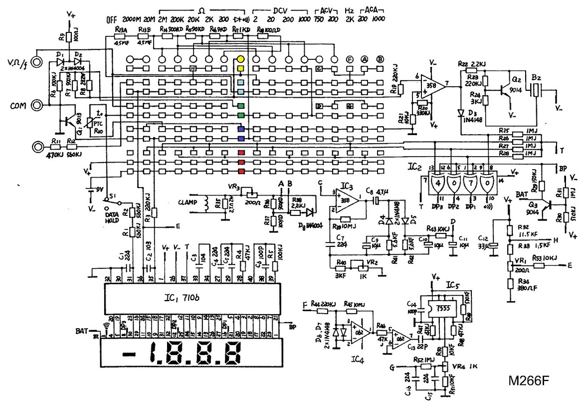
Добрый день. Подскажите где копать и какие элементы проверить на мультиметре M266F. Клещи работают во всех режимах кроме первого по измерению сопротивления где стоит значек ДИОД, далее от 200 Ом(с пищалкой) и до конца весь диапазон замера сопротивления РАБОТАЕТ. В положении где диод нечаянно совершен замер напряжения и теперь этот режим показывает все НУЛИ и не измеряет сопротивление! Прилагаю схему. В ней отмечены цветом ряды групп контактов которые замыкаются между собой переключателем.

mastech_m266f.jpg
 Описание:
 Размер файла:  327.15 КБ
 Просмотрено:  682 раз(а)

mastech_m266f.jpg


олса 
Передовик
Сообщения: 1903
 
Сообщение #2 От 24/04/2020 20:35 цитата  

Как установили правильность показаний на других диапоазонах ?
олса 
Передовик
Сообщения: 1903
 
Сообщение #3 От 25/04/2020 08:45 цитата  

переключатель живой ?
SergUser 
Новичок
Сообщения: 19
 
Сообщение #4 От 25/04/2020 09:52 цитата  

Переключатель живой. Остальные диапазоны замера сопротивления проверялись измерением сопротивлений по маркировке. Показания правильные. Напряжения как на постоянном так и на переменном тоже верные(намерил фазное-228В, линейное-388).

Перейти: 
Следующая тема · Предыдущая тема
Показать/скрыть Ваши права в разделе

Интересное от ESpec


Другие темы раздела Измерительные приборы



Rambler's Top100 Рейтинг@Mail.ru liveinternet.ru