| Автор | Сообщение |
|
Kasbek
|
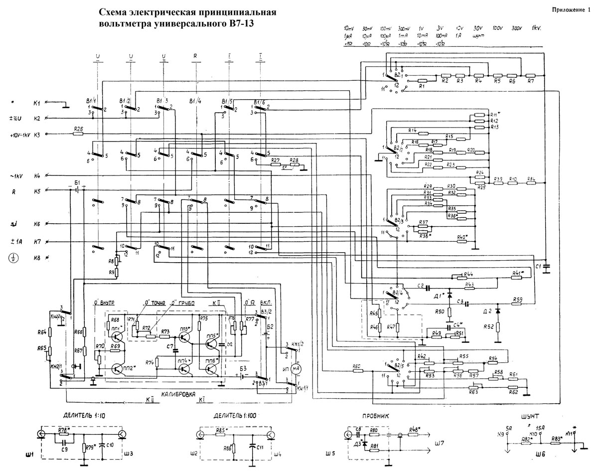
Имеется сей военный вольтметр, предназначенный для работы в неблагоприятных полевых условиях.
Пролежал лет 20 без дела. Питается он от 3-х элементов 373 "Марс", но так как нет сиих в наличии, я запитал его от самодельного БП. Трансформатор Thompsonic TS-50 B c несколькими обмотками и мощностью 500mW (обмотки с напряжением 1.5 v я разделил и сделал из них 3 независимых выпрямителя).
Подключаю - напряжение сильно просаживается: 0,7 В, и 2 по 1,25 В. Вольтметр постоянного тока ничего не показывает, а измеритель R не устанавливается на 0. Тогда я подсоединил выпрямитель питания R на 3-вольтовую обмотку, теперь постоянное напряжение вместо 0,7 В стало 2,2 В, и измеритель R заработал.
Но вольтметр не показывает. Может, и ему не хватает напряжения?
Вопрос: почему так садится напряжение у транса мощностью 500 mW? На пределе R прибор по инструкции потребляет не более 150 мА, а на пределе измерения напряжения - 15 мА.
Два конденсатора МБМ емкостью 0,5 мкф я заменил на К-73-17, установка нуля улучшилась, но вольтметр работает только на пределе переменки.
Начинка прибора добротная, монтаж очень качественный, недостаток: наличие конденсаторов МБМ и применение в УПТ германиевых транзисторов, из-за чего нуль постоянно плавает. Тогда, в 1976 г., пленочные, видимо, еще не выпускались.
| schaltplan_v7_13kl.jpg |
| Описание: |
|
| Размер файла: |
200.68 КБ |
| Просмотрено: |
1021 раз(а) |

|
v7-13.jpg 110.02 КБ Скачано: 557 раз(а)
TS-50.jpg 111.09 КБ Скачано: 463 раз(а)
|
|
tutu7
Завсегдатай
Сообщения: 721
|
А зачем такие сложности с питанием?Берем зарядку с мобильника 5в и запитываем,ток миниальный 500мА,что ещё надо для полного счастья?  |
|
|
Kasbek
|
| tutu7 писал: | А зачем такие сложности с питанием?Берем зарядку с мобильника 5в и запитываем,ток миниальный 500мА,что ещё надо для полного счастья?  |
Прибор питается от трех элементов 373 "Марс", и каждый элемент питает свои цепи.
К нему нужны 3 независимых источника питания по 1,5 В!
Смотри схему. |
|
n max
Модератор
Сообщения: 17605
|
Взять три аккума и посмотреть как будет работать в этом случаи чтоб убедиться в исправности самого девайса.
Не факт что ваши выпрямители соотв по требованиям по уровню пульсаций и взаимными помехами между каналов 3 выпрямителей.
Да и питать измерительные приборы от сети не есть гут-тут надо специальные источники с хорошей экранировкой и двойным преобразованием напряжения,чтоб исключить воздействие сетевых помех на усилители постоянного тока и прочие цепи |
|
|
Kasbek
|
| n max писал: |
Не факт что ваши выпрямители соотв по требованиям по уровню пульсаций... |
 |
|
n max
Модератор
Сообщения: 17605
|
Это примитивная схема.Мож лучше стабилизатор поставить на выход.Да и наводки между обмотками не исключены что может повлиять на точность измерений т.к. в вольтметре содержится усилитель.
В простейшем случаи хотя б между каждой из вторичных обмоток экран из медной фольги положить и соединить их все с общим минусом.
Ещё лучше вделать 3 обмотки по 3 вольта и на выход поставить стабилизатор lm1117 например |
|
FreddikMerfi
Автокран Ивановец
Сообщения: 4086
|
| Kasbek, ну и чего за огород нагородил? Где стабилизация хоть какая то в выше приведённой схеме? Улыбнуло то что все конденсаторы на 500 мКф, видимо других (например на 1000) не нашлось! Что то я подозреваю, что Вы уважаемый с форума Технари.ру (модератор - слонопотам)! Я прав? Если да, то почему Вам там Николай не дал хорошую схемку питальника со стабилизацией! |
|
|
Kasbek
|
| n max писал: | | Взять три аккума и посмотреть как будет работать в этом случаи чтоб убедиться в исправности самого девайса. |
Вставил 3 элемента ААА - картина та же: сопротивления меряет, а постоянное напряжение - нет.
Меряю батарейку АА, вставив плюсовой щуп во второе гнездо (для переменки) - показывает правильно 1,5 В.
ДОБАВЛЕНО 24/11/2019 20:11
| FreddikMerfi писал: | | Kasbek, Улыбнуло то что все конденсаторы на 500 мКф, видимо других (например на 1000) не нашлось! |
На самом деле я поставил по 1000.

|
|
n max
Модератор
Сообщения: 17605
|
Тогда прибор надо чинить,а потом питание переделывать.Хотя б резики в делителях прозвонить вдруг на пределе пару вольт 220 померили.
Да и в этом девайсе ничего сложного нет только тестер второй нужен.Работы там максимум на полчаса с перекуром |
|
|
Kasbek
|
| n max писал: | | Тогда прибор надо чинить,а потом питание переделывать.Хотя б резики в делителях прозвонить вдруг на пределе пару вольт 220 померили. |
На вид все целые. Но надо прозвонить, конечно. |
|
n max
Модератор
Сообщения: 17605
|
| Могли и от возраста в обрыв уйти если условия хранения прибора были не очень приемлемыми,проволочные могли просто окислиться в местах пайки |
|
tutu7
Завсегдатай
Сообщения: 721
|
n max, 3 обмотки по 3 вольта и на выход поставить стабилизатор lm1117
Очень даже дельный совет,примени-не пожалеешь.А прибор зачётный и неубиваемый,если следовать инструкции. |
|
|
Kasbek
|
| tutu7 писал: | | n max, 3 обмотки по 3 вольта и на выход поставить стабилизатор lm1117 |
Со временем займусь. А сейчас надо найти, почему не работает измерение постоянки. Переменку меряет: пробовал и 6,3 В и 220 В.
Spannungsteiler.jpg 98.21 КБ Скачано: 461 раз(а)
|
|
|
Kasbek
|
| Kasbek писал: |
...надо найти, почему не работает измерение постоянки. Переменку меряет... |
Чудеса какие-то. Начал мерять напряжение с регулируемого блока питания 19 В, начало показывать, сначала неуверенно, стрелка колебалась туда-сюда, подрочил, уменьшая и увеличивая напряжение , и потом нормально установилось. Затем померял напряжение кроны - тоже стало показывать!
Наверное, в галетнике контакты закисли за 40 лет! |
|
|
Kasbek
|
Надо думать о батарее элементов.
 |
|
kvn51
Завсегдатай
Сообщения: 600
|
Kasbek, А чем тебе такие не подходят
[list=][/list]
| 1.png |
| Описание: |
|
| Размер файла: |
342.8 КБ |
| Просмотрено: |
231 раз(а) |

|
|
|
|
Kasbek
|
| kvn51 писал: | Kasbek, А чем тебе такие не подходят
[list=][/list] |
В Моздоке таких нет. |
|
kvn51
Завсегдатай
Сообщения: 600
|
| Kasbek писал: | | В Моздоке таких нет. |
Так через интернет-магазин можно выписать.А лучше всего купить аккумуляторы такого типоразмера и не иметь проблем с питанием прибора. |
|
|
Kasbek
|
| Но у аккумулятора напряжение лишь 1,2 В. Может нехватить. |
|
FreddikMerfi
Автокран Ивановец
Сообщения: 4086
|
| Kasbek, а кто запрещает поставить DC DC преобразователь? |
|