| Автор | Сообщение |
RAMMER
Передовик
Сообщения: 1027
|
|
|
serq98
|
| Griner, так и сделал.. на 8 ноге FAN7530 318v |
|
vebs
Белгородец
Сообщения: 2751
|
| ALBERT002 писал: | Он статистику нарыл в инете,а остальное в сервис-центр.За ним г.. убирать  | За кем ты тут собрался га..уно убирать? |
|
RAMMER
Передовик
Сообщения: 1027
|
| serq98 писал: | | на 8 ноге FAN7530 318v | в ней уже дырка была бы и как звать её никто не знал бы ...  |
|
|
serq98
|
| RAMMER, сори, 2.5 v на FAN7530 |
|
RAMMER
Передовик
Сообщения: 1027
|
| serq98 писал: | | RAMMER, сори, 2.5 v на FAN7530 | serq98 , на какой ноге ? |
|
|
Griner
|
| serq98 писал: | | сори, 2.5 v на FAN7530 | serq98, а теперь выпаяй FAN и снова стань на 8 ногу. |
|
RAMMER
Передовик
Сообщения: 1027
|
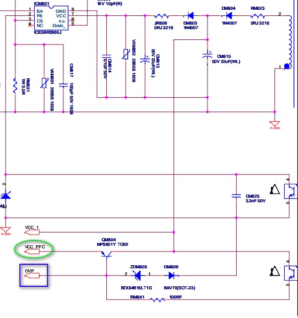
| Griner писал: | | serq98, а теперь выпаяй FAN и снова стань на 8 ногу. | Griner , совет вредный и бесполезный ...
ДОБАВЛЕНО Октябрь 12 2013
serq98, читай схему ...
2013-10-12_023714.jpg 64.06 КБ Скачано: 581 раз(а)
|
|
|
ALBERT002
|
| Цитата: | | За кем ты тут собрался га..уно убирать? |
Тему почитай,если не дурак,поймёшь  |
|
|
Griner
|
| Это ты ничерта не понял из всего написанного |
|
|
serq98
|
RAMMER, не знаю, телек работает пол часа пока экран не мерцает, напряжения на банке стало 252 вольта каким то макаром
ДОБАВЛЕНО 12/10/2013 02:44
Griner,
ДОБАВЛЕНО 12/10/2013 02:44
Griner, Привычку наезжать на "новичков"  |
|
|
ALBERT002
|
| Griner писал: | | Привычку наезжать на "новичков" |
Ты на количество моих сообщений посмотрел?Мы с тобой на равных | Griner писал: | | заниматься флудом у asanik перенял? | Если бы ты "флудил" как asanik цены бы тебе не было...А ты конкретно флудишь.Вот у RAMMER, всё по делу. |
|
|
serq98
|
| RAMMER, но в любом случаи на всякий случай буду менять FAN7530 |
|
|
ALBERT002
|
Быстро ты свои посты чистишь  |
|
RAMMER
Передовик
Сообщения: 1027
|
| serq98 писал: | | напряжения на банке стало 252 вольта каким то макаром | да уж шедевр ...  |
|
|
serq98
|
как я понял кроме RAMMER, все со мной флудили
ДОБАВЛЕНО 12/10/2013 02:51
RAMMER, пусть работает до утра... посмотрим как покажет себя |
|
RAMMER
Передовик
Сообщения: 1027
|
vebs, принимай эстафету , я спать ...
ДОБАВЛЕНО Октябрь 12 2013
| serq98 писал: | | пусть работает до утра... посмотрим как покажет себя | serq98 , думаешь он сам до утра вылечится ? |
|
|
Griner
|
| serq98 писал: | как я понял кроме RAMMER, все со мной флудили | Ну почему же помогали, как могли.
serq98, Ты уверен, что на 8 ноге, 2,5 в ? |
|
|
serq98
|
| Griner, да.. двумя тостерами проверил |
|
|
Griner
|
|