| Автор | Сообщение |
Surkin64
Завсегдатай
Сообщения: 369
|
Состав: main LD01M engine lge2111-t8, nand SAA35750018 ver..3.01.06, tuner EBL61060001, MATRIX T315HW04 V9, W25Q80BVSIG, AT24C256C, 24C08. Была замена майн, переставил память со старой на новую майн. Изображение сдвинуто вправо и вверх. Перепрошил память, ни чего не изменилось. Все функции телевизора работают, картинка в норме, цвета так же. Новая майн переставлена с 32Lk330. По внешнему виду отличий вроде бы нет, за исключением одного разъема HDMI. Прошу совета, как исправить изображение?
586603.jpg 106.25 КБ Скачано: 723 раз(а)
586604.jpg 135.83 КБ Скачано: 569 раз(а)
586606.jpg 126.3 КБ Скачано: 535 раз(а)
|
|
Юрий 72
Передовик
Сообщения: 1397
|
Surkin64, какие разрешения обеих матриц?
ДОБАВЛЕНО 26/02/2016 20:03
Опциооные резисторы около процессора есть? |
|
Surkin64
Завсегдатай
Сообщения: 369
|
| дело в том,что мне плату отдали с 32LK330, какая там матрица стояла я не в курсе.Я взял память с неисправной платы(убит проц) и перепаял на новую.Изображение сдвинуто.Тогда я попробовал перепрошить,результат не изменился.Прошивал Postal AVR.Родная матрица,как я уже писал,T315HW04 V9.Да,я забыл добавить,что на новую майн перепал разъем Р703,т.к. на новой стоял 30pin,а у меня 50. |
|
Юрий 72
Передовик
Сообщения: 1397
|
А в Гугл забить модель телека? И отличия на платах тебе видны, а нам нет.
ДОБАВЛЕНО 26/02/2016 20:15
32lk330, разрешение 1366x768 (16:9).
ДОБАВЛЕНО 26/02/2016 20:17
32LK430, разрешение 1920x1080 (16:9)
ДОБАВЛЕНО 26/02/2016 20:20
Surkin64, нанду на новую перепаять не пробовал? |
|
Surkin64
Завсегдатай
Сообщения: 369
|
Перепаял я нанду,забыл в первом сообщении сообщить.Про разрешение матриц я уже нашел,только ведь кроме самой платы,всё остальное родное.Да и сейчас сижу подетально просматриваю плату,и кроме отсутствующего разъема HDMI,пока различий не увидел.EAX у обоих плат одинаков(64272802(0)),а EBR отличается только в последней цифре-на родной 7423614,на замене 7423613.Резисторы возле проца,как на родной.
ДОБАВЛЕНО 26/02/2016 23:02
Да,вот что ещё хотел спросить.Как войти в сервис,на предмет того,может в опциях поправить тип и разрешение матрицы.Сервисного пульта нет,придется,наверное,собирать на светодиодах и через ноутбук подать сигнал,чтоб зайти в сервис.Вот только где там поправить? |
|
Юрий 72
Передовик
Сообщения: 1397
|
Surkin64, что ты там будешь править, если все памяти перенес?
ДОБАВЛЕНО 27/02/2016 08:35
По идее это параметр nvram скалера. Только где он хранится?
ДОБАВЛЕНО 27/02/2016 08:37
Асаник недавно выкладывал фотки сервисного режима на Ремонт ауд нет. Глянь.
ДОБАВЛЕНО 27/02/2016 08:50
Вот тут
http://remont-aud.net/forum/61-44665-2
Пишут что nvm скалера 24c256. Но если ты ее перепаял...? |
|
Surkin64
Завсегдатай
Сообщения: 369
|
| Сегодня ночь сидел,просмотрел всю плату(игра найди 10 отличий),ни чего.Попробую сегодня поставить 256 чистую.На этом сайте я смотрел прошивку,но она с другой матрицей -LC320WU,а у меня T315HW04 V9. |
|
Юрий 72
Передовик
Сообщения: 1397
|
| Surkin64, у тебя же родная есть. Войди в сервис посмотри что у тебя показывает. |
|
Otto1
Завсегдатай
Сообщения: 411
|
Surkin64, здорово что ты подкинул нанд.
Не ленивый значит. Если в опционниках нет различий, пой ему песТню на светодиодах в надежде что тебя пустит в эти подпункты СМ.
 |
|
Surkin64
Завсегдатай
Сообщения: 369
|
Вообщем картина такова-подкидывал чистую 24с256,картинка с искажением цвета и сдвинута вправо,кадр так же вверх уходит,а снизу показывает верх изображения.Фото завтра выложу.Что ещё посмотреть просто ума не приложу.Проверил все дроссели,опционные резисторы,сравнивал с мануалом,Да,256 прошил новую,поставил.Без изменений.Прошивки брал с разных источников,результат неизменен.
| IMG_20160229_081458.jpg |
| Описание: |
|
| Размер файла: |
224.44 КБ |
| Просмотрено: |
335 раз(а) |

|
| IMG_20160229_081536.jpg |
| Описание: |
|
| Размер файла: |
287.93 КБ |
| Просмотрено: |
323 раз(а) |

|
| IMG_20160229_081702.jpg |
| Описание: |
|
| Размер файла: |
215.84 КБ |
| Просмотрено: |
301 раз(а) |

|
| IMG_20160229_081757.jpg |
| Описание: |
|
| Размер файла: |
242.17 КБ |
| Просмотрено: |
327 раз(а) |

|
IMG_20160229_081442.jpg 197.5 КБ Скачано: 344 раз(а)
IMG_20160229_081603.jpg 137.34 КБ Скачано: 418 раз(а)
IMG_20160229_081603.jpg 137.34 КБ Скачано: 310 раз(а)
IMG_20160229_081603.jpg 137.34 КБ Скачано: 314 раз(а)
IMG_20160229_081603.jpg 137.34 КБ Скачано: 326 раз(а)
|
|
Otto1
Завсегдатай
Сообщения: 411
|
| Surkin64, ну что ты застрял? В СМ вошел? |
|
Surkin64
Завсегдатай
Сообщения: 369
|
| Нет,не вошел.Жена в больничку попала(тромб на ноге).Теперь кручусь как белка в колесе.Завтра займусь,сегодня стирка и уборка в доме.Да и вот что ещё хотел спросить:там в сервисе два меню,так вот в каком именно тип матрицы?И в Краснодаре ребята пообещали рабочий майн,но хочется этот до ума довести.Чувствую что где-то что-то просмотрел,а вот что?Если не усну,то ночью сяду опять просматривать.Блин,труднова-то без боевой подруги,и это ещё на кануне праздника,писец. |
|
Otto1
Завсегдатай
Сообщения: 411
|
|
Surkin64
Завсегдатай
Сообщения: 369
|
| Спасибо,уважаемый.Сегодня буду пробовать.Дочь приехала на подмогу,хоть немного разгрузили меня. |
|
|
nikspair
|
|
Surkin64
Завсегдатай
Сообщения: 369
|
| Простите за молчание,трафик закончился.Сижу на модемной связи,деревня однако.И так,менял прошивки,взял другую плату LD01U,перекинул 256(IC104),прошивал 25(IC401).Результат такой-при перепрошивки 25Q и установке на LD01U Тв не включается.Установил родную,заменил 256,получил цветной негатив.Понятно,что прошивка нужна под матрицу.Перепрошил.При включении появляется на секунду две отличное изображение,но потом срывается опять в негатив.Размер кадра в норме.Фото и видео не могу добавить,исчерпал квоту закачек.Как быть? |
|
linagalt
Передовик
Сообщения: 1386
|
Surkin64, Добавляй сколько угодно :
http://pixs.ru/
Насчёт загрузки фото и видео:
В меню выбираешь "уменьшить до 800 пикселей по ширине", потом загружаешь фото. Когда картинка загрузится, копируешь ссылку "Превью для форумов - увеличение по клику:". Полученную ссылку вставляешь в своё сообщение на форуме. А что получается, я продемонстрировал ввиде фото по твоей ссылке. Видеофайлы аналогично грузишь на видеохост типа "Ютуб", ссылку превью кидаешь сюда.
Вот твоё фото:
 |
|
Surkin64
Завсегдатай
Сообщения: 369
|
|
aleks2264
Завсегдатай
Сообщения: 779
|
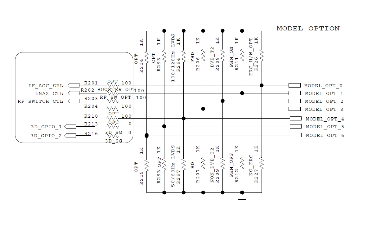
Добавлю... Столкнулся с такой же проблемой, нужно на майне переставить резисторы из позиции R207(HD) в R206(FHD)... А сколько крови попил...
| LG 32LK430.jpg |
| Описание: |
|
| Размер файла: |
227.21 КБ |
| Просмотрено: |
443 раз(а) |

|
|
|